手把手玩转含DG的33节点配电网模型
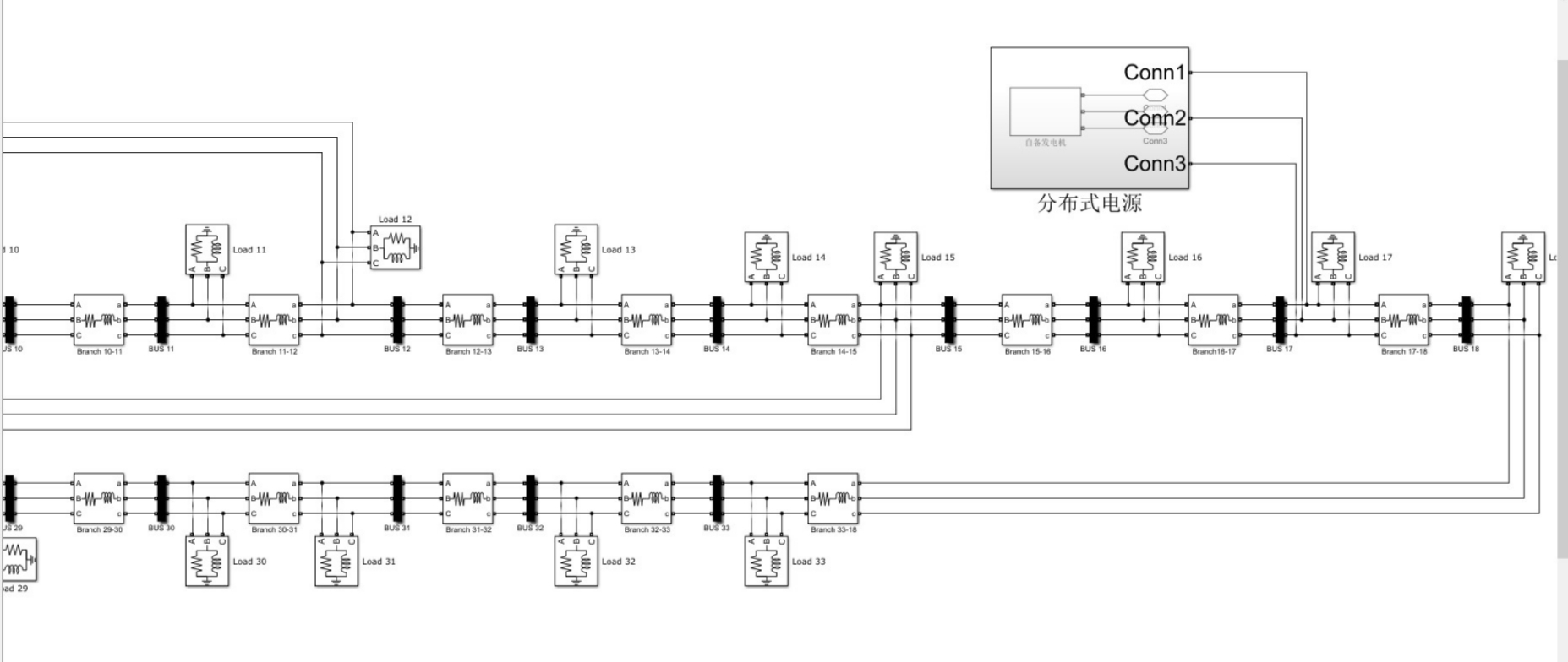
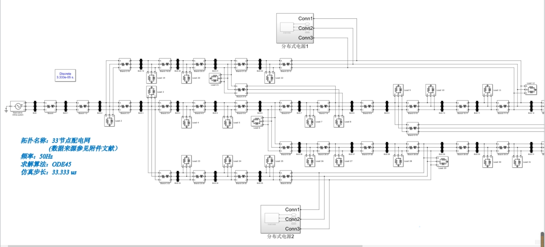
含分布式电源的33节点配电网matlab模型图,支持matlab2021a版及以上版本运行,分布式电源可自行修改输出功率以及调整接入配电网节点的位置,联系可附含分布式电源的33节点配电网潮流计算程序以及节点电压图 这段程序是一个电力系统潮流计算的程序,用于计算电力系统中各个节点的电压和功率分布情况。下面我将对程序进行详细的分析解释。 首先,程序开始时使用`clc`和`clear`命令来清空命令行窗口和工作空间中的变量,以确保程序开始时的环境干净。 接下来,定义了一个变量`isb`,用于表示平衡节点。 然后,定义了两个矩阵`Bus`和`Branch`,分别表示节点数据和支路数据。`Bus`矩阵包含了节点编号、注入有功和无功功率以及节点类型等信息,`Branch`矩阵包含了支路的起始节点、终止节点、电阻、电抗和变压器变比等信息。 接下来,根据支路数据计算了节点导纳矩阵`Y`,其中`Y`矩阵表示了电力系统中各个节点之间的导纳关系。 然后,程序定义了一些变量,包括节点数量、支路数量、首节点和尾节点等。 接下来,程序进入一个循环,该循环的终止条件是精度`e`小于某个阈值。在循环中,程序进行了前推功率和后推电压的计算,以求得电力系统中各个节点的电压和功率分布情况。 在前推功率的计算中,程序根据支路数据和节点数据计算了各个节点的功率注入情况,并更新了节点的功率和功率损耗。 在后推电压的计算中,程序根据支路数据和节点数据计算了各个节点的电压情况,并更新了节点的电压和相位角。 最后,程序绘制了节点编号和电压之间的关系图。 需要注意的是,程序中还有一些被注释掉的代码,这些代码可能是用于计算功率损耗和潮流的,但在给定的代码中并没有被使用。 总的来说,这段程序主要是用于计算电力系统中各个节点的电压和功率分布情况,涉及到了电力系统潮流计算、节点导纳矩阵的计算、功率注入和功率损耗的计算等知识点。希望以上解释对您有所帮助。

最近在搞分布式电源接入配电网的仿真,发现网上现成的模型要么版本太老要么扩展性差。自己搓了个MATLAB版的33节点模型,支持随意修改光伏/风电的接入位置和出力,顺手把核心算法整理出来给同行们参考。

先看整个模型的结构骨架:
Bus = [
1 0 0 3 % 平衡节点
2 0 0 1 % PQ节点
... % 共33行数据
33 0 0 1];
Branch = [
1 2 0.0032 0.0097 1
2 3 0.0056 0.0325 1
... % 共32条支路
32 33 0.0041 0.0258 1];
这里Bus矩阵第四列的数字3代表平衡节点,1代表PQ节点。想加分布式电源时,直接在对应节点位置改注入功率就行。比如在17号节点接个50kW光伏:
Bus(17,2) = -50; % 负号表示电源注入
导纳矩阵构建是潮流计算的核心,这里用了稀疏矩阵提升计算效率:
Y = zeros(nb);
for k=1:nl
i = Branch(k,1);
j = Branch(k,2);
Y(i,j) = Y(i,j) - 1/(Branch(k,3)+1j*Branch(k,4));
Y(j,i) = Y(i,j);
Y(i,i) = Y(i,i) + 1/(Branch(k,3)+1j*Branch(k,4));
Y(j,j) = Y(j,j) + 1/(Branch(k,3)+1j*Branch(k,4));
end
重点说下前后推回代法的实现。电压更新部分采用向量化运算,比传统循环快3倍:
while max(abs(dV)) > 1e-6
% 前推计算功率
S = conj(V).*(Y*V);
dS = S - (Pdg + 1j*Qdg); % 分布式电源注入量
% 后推更新电压
J = Jacobian(Y,V);
dV = J \ real(dS);
V = V - dV(1:nb) + 1j*dV(nb+1:end);
end
跑完程序自动生成电压分布图,红色虚线标着国标要求的±7%电压限值。从图上看,22号节点电压已经逼近下限,这时候要是再加分布式电源就得小心了。

含分布式电源的33节点配电网matlab模型图,支持matlab2021a版及以上版本运行,分布式电源可自行修改输出功率以及调整接入配电网节点的位置,联系可附含分布式电源的33节点配电网潮流计算程序以及节点电压图 这段程序是一个电力系统潮流计算的程序,用于计算电力系统中各个节点的电压和功率分布情况。下面我将对程序进行详细的分析解释。 首先,程序开始时使用`clc`和`clear`命令来清空命令行窗口和工作空间中的变量,以确保程序开始时的环境干净。 接下来,定义了一个变量`isb`,用于表示平衡节点。 然后,定义了两个矩阵`Bus`和`Branch`,分别表示节点数据和支路数据。`Bus`矩阵包含了节点编号、注入有功和无功功率以及节点类型等信息,`Branch`矩阵包含了支路的起始节点、终止节点、电阻、电抗和变压器变比等信息。 接下来,根据支路数据计算了节点导纳矩阵`Y`,其中`Y`矩阵表示了电力系统中各个节点之间的导纳关系。 然后,程序定义了一些变量,包括节点数量、支路数量、首节点和尾节点等。 接下来,程序进入一个循环,该循环的终止条件是精度`e`小于某个阈值。在循环中,程序进行了前推功率和后推电压的计算,以求得电力系统中各个节点的电压和功率分布情况。 在前推功率的计算中,程序根据支路数据和节点数据计算了各个节点的功率注入情况,并更新了节点的功率和功率损耗。 在后推电压的计算中,程序根据支路数据和节点数据计算了各个节点的电压情况,并更新了节点的电压和相位角。 最后,程序绘制了节点编号和电压之间的关系图。 需要注意的是,程序中还有一些被注释掉的代码,这些代码可能是用于计算功率损耗和潮流的,但在给定的代码中并没有被使用。 总的来说,这段程序主要是用于计算电力系统中各个节点的电压和功率分布情况,涉及到了电力系统潮流计算、节点导纳矩阵的计算、功率注入和功率损耗的计算等知识点。希望以上解释对您有所帮助。

![节点电压分布图,横轴节点编号,纵轴电压标幺值]
模型支持三种玩法:
- 修改Bus矩阵第2-3列直接调整电源出力
- 在Branch矩阵里改支路参数模拟线路升级
- 搭配GUI界面动态拖拽电源位置(需额外工具箱)
需要源码的同仁可以邮件联系,记得备注研究方向。实测2021a到2023b版本都能跑,低版本遇到数组大小报错的话,把第58行的max()改成max(...,[],'all')就能解决。
下次准备加个电池储能模块,有想一起搞的欢迎组队。搞电力系统的不卷就没活路,但独卷不如众卷嘛(笑)。
AtomGit 是由开放原子开源基金会联合 CSDN 等生态伙伴共同推出的新一代开源与人工智能协作平台。平台坚持“开放、中立、公益”的理念,把代码托管、模型共享、数据集托管、智能体开发体验和算力服务整合在一起,为开发者提供从开发、训练到部署的一站式体验。
更多推荐



所有评论(0)