IEEE13节点系统Simulink仿真:从基础到拓展
IEEE13节点系统Simulink仿真 1.基础功能:基于Matlab/simulink平台搭建IEEE13节点仿真模型,对电力系统进行潮流计算(与编程用牛拉法计算潮流结果一致) 2.拓展功能: 可在该IEEE13节系统仿真模型上进行暂态、静态稳定性仿真分析。
一、引言
在电力系统研究领域,IEEE13节点系统是一个常用的模型,用于测试和验证各种电力系统分析方法。借助Matlab/Simulink平台,我们能够方便地搭建该系统模型,并开展一系列分析。本文将介绍如何搭建IEEE13节点系统的Simulink仿真模型,实现基础的潮流计算功能,并进一步拓展到暂态和静态稳定性分析。
二、基础功能:搭建模型与潮流计算
(一)搭建IEEE13节点Simulink模型
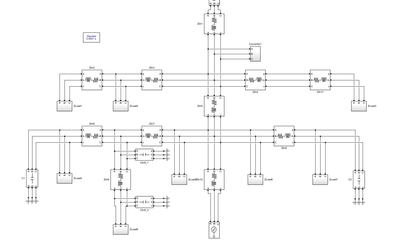
在Matlab的Simulink库中,我们可以找到各种电力系统元件模块,如电源、线路、变压器、负荷等。以搭建IEEE13节点系统为例,我们按照节点拓扑结构依次连接这些元件。比如,电源模块可以选用“Voltage Source”,设置相应的电压幅值和相位;线路模块则选用“Line - Pi Model”,根据实际参数设置电阻、电抗和对地电容等。
(二)潮流计算(牛拉法)
潮流计算是电力系统分析的基础,这里我们采用牛顿 - 拉夫逊(牛拉法)进行潮流计算。以下是简单的Python代码示例(虽然Matlab也能实现,但Python代码相对简洁易懂):
import numpy as np
def power_flow(Ybus, Sbus, V0, max_iter=100, tol=1e - 6):
n = len(Sbus)
V = V0.copy()
for k in range(max_iter):
# 计算功率不平衡量
P = np.real(Sbus / V)
Q = np.imag(Sbus / V)
dP = P - np.real(np.multiply(V, np.conj(Ybus.dot(V))))
dQ = Q - np.imag(np.multiply(V, np.conj(Ybus.dot(V))))
# 判断是否收敛
if np.max(np.abs(dP)) < tol and np.max(np.abs(dQ)) < tol:
break
# 计算雅克比矩阵
J11 = np.zeros((n, n), dtype=complex)
J12 = np.zeros((n, n), dtype=complex)
J21 = np.zeros((n, n), dtype=complex)
J22 = np.zeros((n, n), dtype=complex)
for i in range(n):
for j in range(n):
if i == j:
J11[i, i] = -np.imag(Ybus[i, i] * V[i] * np.conj(V[i]))
J12[i, i] = -np.real(Ybus[i, i] * V[i] * np.conj(V[i]))
J21[i, i] = np.real(Ybus[i, i] * V[i] * np.conj(V[i]))
J22[i, i] = -np.imag(Ybus[i, i] * V[i] * np.conj(V[i]))
else:
J11[i, j] = -np.imag(Ybus[i, j] * V[i] * np.conj(V[j]))
J12[i, j] = -np.real(Ybus[i, j] * V[i] * np.conj(V[j]))
J21[i, j] = np.real(Ybus[i, j] * V[i] * np.conj(V[j]))
J22[i, j] = np.imag(Ybus[i, j] * V[i] * np.conj(V[j]))
J = np.vstack((np.hstack((J11, J12)), np.hstack((J21, J22))))
dV = np.linalg.solve(J, np.hstack((dP, dQ)))
dV1 = dV[:n]
dV2 = dV[n:]
V = V + dV1 + 1j * dV2
return V
分析:上述代码定义了一个power_flow函数,它接受节点导纳矩阵Ybus、节点注入功率Sbus、初始电压V0作为输入。在函数内部,通过循环不断计算功率不平衡量dP和dQ,当不平衡量小于设定的容差tol时,认为潮流计算收敛。每次循环中,会计算雅克比矩阵J,并通过求解线性方程组得到电压修正量dV,进而更新节点电压V。
在Simulink模型中,我们可以通过编写S - 函数或者调用Matlab Function模块来实现牛拉法潮流计算,并与搭建的电力系统模型相结合,验证潮流计算结果是否一致。
三、拓展功能:暂态与静态稳定性分析
(一)暂态稳定性仿真分析
暂态稳定性是指电力系统在遭受大扰动(如短路故障)后,能否恢复到一个新的稳定运行状态的能力。在Simulink模型中,我们可以通过添加故障模块来模拟短路故障。例如,在某条线路上串联一个“Fault”模块,设置故障类型(三相短路、单相接地等)、故障时刻和故障持续时间。
IEEE13节点系统Simulink仿真 1.基础功能:基于Matlab/simulink平台搭建IEEE13节点仿真模型,对电力系统进行潮流计算(与编程用牛拉法计算潮流结果一致) 2.拓展功能: 可在该IEEE13节系统仿真模型上进行暂态、静态稳定性仿真分析。
然后,观察发电机的转子角度、转速以及母线电压等关键变量随时间的变化。如果在故障切除后,这些变量能够逐渐稳定在某一范围内,说明系统具有暂态稳定性;反之,如果变量出现持续的振荡甚至发散,则系统暂态不稳定。
(二)静态稳定性仿真分析
静态稳定性分析关注的是电力系统在小扰动下的稳定性。在Simulink中,我们可以通过对系统参数进行微小变化(如负荷的缓慢增长),观察系统状态变量的响应。
例如,我们可以编写一个简单的脚本,逐步增加某一节点的负荷功率,同时监测发电机的输出功率和母线电压。若在负荷增长过程中,系统状态变量始终保持稳定,说明系统在当前运行点具有静态稳定性;当出现状态变量无法稳定的情况时,就达到了静态稳定极限。
四、总结
通过在Matlab/Simulink平台上搭建IEEE13节点系统仿真模型,并实现潮流计算以及暂态、静态稳定性分析,我们能够深入了解电力系统的运行特性。这种从基础功能到拓展功能的实现过程,不仅有助于我们掌握电力系统分析的基本方法,也为进一步研究更复杂的电力系统问题奠定了基础。后续可以在此基础上,考虑更多实际因素,如电力系统的控制策略对稳定性的影响等,不断完善我们的仿真模型。

AtomGit 是由开放原子开源基金会联合 CSDN 等生态伙伴共同推出的新一代开源与人工智能协作平台。平台坚持“开放、中立、公益”的理念,把代码托管、模型共享、数据集托管、智能体开发体验和算力服务整合在一起,为开发者提供从开发、训练到部署的一站式体验。
更多推荐
所有评论(0)