五相电机邻近四矢量SVPWM模型的MATLAB Simulink仿真探索
五相电机邻近四矢量SVPWM模型_MATLAB_Simulink仿真模型包括: (1)原理说明文档(重要):包括扇区判断、矢量作用时间计算、矢量作用顺序及切换时间计算、PWM波的生成; (2)输出部分仿真波形及仿真说明文档; (3)完整版仿真模型:Simulink仿真模型; 注意,只包含五相电机邻近四矢量SVPWM算法,并非五相电机双闭环矢量控制,如果想要五相电机双闭环矢量控制资料,另一个链接。 资料介绍过程十分详细
最近在研究电机控制算法,五相电机的邻近四矢量SVPWM模型着实有趣,今天就来和大家分享一下。
一、原理说明
1. 扇区判断
在五相电机邻近四矢量SVPWM模型里,扇区判断是基础且关键的一步。我们需要根据给定的参考电压矢量在五相静止坐标系下的位置来确定其所处扇区。这就好比给每个参考电压矢量在坐标系这个“地图”上找个“家”。
% 假设已经得到参考电压矢量在α-β坐标系下的分量Vα和Vβ
theta = atan2(Vβ, Vα); % 计算参考电压矢量与α轴的夹角
sector = floor((theta + pi/5) / (2*pi/5)) + 1; % 根据夹角确定扇区
这段代码里,首先通过atan2函数计算出参考电压矢量与α轴的夹角theta ,然后根据夹角与扇区划分的关系,通过简单的数学运算得到扇区sector。这样,我们就明确了参考电压矢量所在的扇区,为后续计算做好准备。
2. 矢量作用时间计算
确定扇区后,就要计算各个基本电压矢量的作用时间了。不同扇区的矢量作用时间计算方式有所不同,但基本思路都是基于伏秒平衡原理。

以某个扇区为例(假设为扇区1):
% 假设已知参考电压矢量幅值Vref
T1 = k1 * Vref * cos(theta - 0); % 第一个基本电压矢量作用时间
T2 = k2 * Vref * cos(theta - 2*pi/5); % 第二个基本电压矢量作用时间
T3 = k3 * Vref * cos(theta - 4*pi/5); % 第三个基本电压矢量作用时间
T4 = k4 * Vref * cos(theta - 6*pi/5); % 第四个基本电压矢量作用时间
T0 = T - T1 - T2 - T3 - T4; % 零矢量作用时间,T为一个PWM周期
这里k1、k2、k3、k4是与电机参数和系统相关的系数,通过伏秒平衡原理推导得出。通过这些公式,我们可以算出各个矢量在一个PWM周期内的作用时间。
3. 矢量作用顺序及切换时间计算
确定了矢量作用时间,还得安排好它们的出场顺序。一般会遵循一定的规律,以减少开关损耗和电流谐波。比如在扇区1,可以按照零矢量 - 第一个基本电压矢量 - 第二个基本电压矢量 - 第三个基本电压矢量 - 第四个基本电压矢量 - 零矢量这样的顺序来作用。
五相电机邻近四矢量SVPWM模型_MATLAB_Simulink仿真模型包括: (1)原理说明文档(重要):包括扇区判断、矢量作用时间计算、矢量作用顺序及切换时间计算、PWM波的生成; (2)输出部分仿真波形及仿真说明文档; (3)完整版仿真模型:Simulink仿真模型; 注意,只包含五相电机邻近四矢量SVPWM算法,并非五相电机双闭环矢量控制,如果想要五相电机双闭环矢量控制资料,另一个链接。 资料介绍过程十分详细

切换时间计算就相对简单,根据前面计算出的矢量作用时间,按顺序累加就可以得到每个矢量的切换时刻。
4. PWM波的生成
最后,根据矢量作用时间和顺序,生成PWM波。在Simulink中,可以利用PWM Generator模块来实现。我们将计算得到的矢量作用时间和切换时刻作为输入,模块就能输出对应的PWM波形。
二、输出部分仿真波形及仿真说明文档
仿真波形是检验算法是否正确有效的重要依据。通过仿真,我们可以得到相电流、相电压等波形。从相电流波形上,可以直观地看到电流的变化情况,判断电机运行是否平稳;相电压波形则能反映出SVPWM算法生成的电压是否符合预期。
在仿真说明文档里,会详细记录仿真的参数设置,比如电机的额定功率、额定转速、定子电阻、电感等参数,以及仿真的步长、总时长等信息。这样,其他人在复现仿真时就能准确按照设置进行。
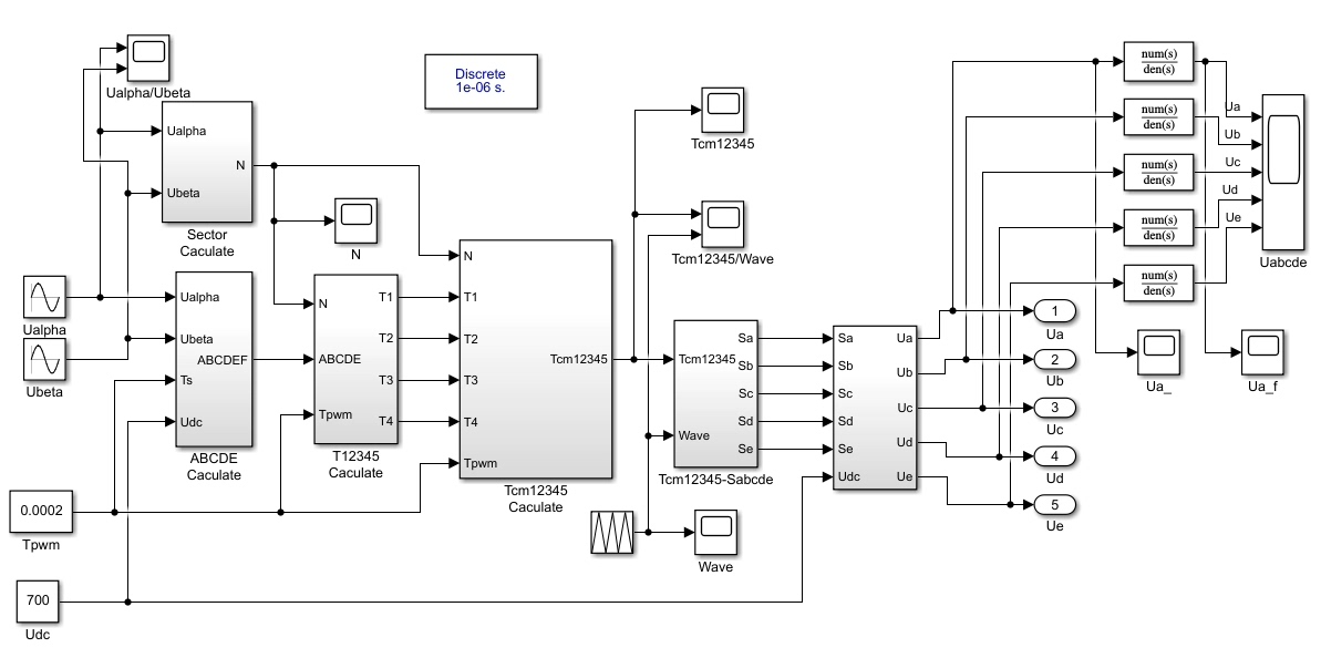
三、完整版仿真模型
此次分享的是基于MATLAB Simulink的完整版仿真模型。在模型里,各个模块分工明确,从参考电压矢量的输入,到扇区判断、矢量作用时间计算,再到PWM波生成,最后连接到五相电机模型。整个模型结构清晰,方便大家理解和修改。

这次关于五相电机邻近四矢量SVPWM模型的MATLAB Simulink仿真就介绍到这里啦。希望对正在研究相关内容的小伙伴有所帮助,大家一起交流学习呀!
AtomGit 是由开放原子开源基金会联合 CSDN 等生态伙伴共同推出的新一代开源与人工智能协作平台。平台坚持“开放、中立、公益”的理念,把代码托管、模型共享、数据集托管、智能体开发体验和算力服务整合在一起,为开发者提供从开发、训练到部署的一站式体验。
更多推荐



所有评论(0)