网型逆变器小干扰稳定性分析与控制策略优化:Simulink仿真探索
跟网型逆变器小干扰稳定性分析与控制策略优化simulink仿真模型和代码 现代逆变技术 阻抗重塑 双锁相环 可附赠参考文献(英文) 和一份与模型完全对应的中文版报告

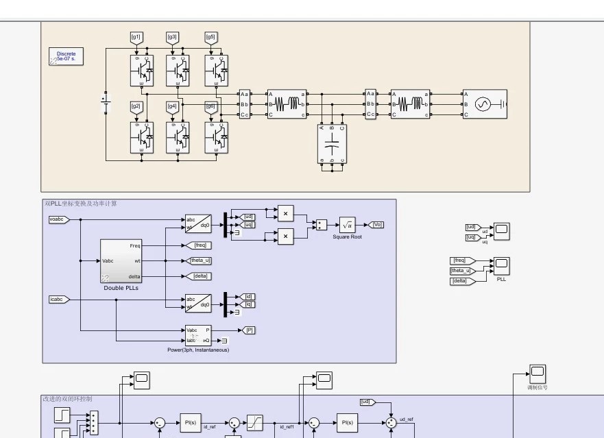
在现代逆变技术的领域中,网型逆变器的小干扰稳定性分析以及控制策略的优化是至关重要的研究方向。随着电力系统越来越多地接入分布式发电和可再生能源,网型逆变器的稳定运行对于整个电网的可靠性和电能质量起着决定性作用。今天,我们就来聊聊基于Simulink的相关仿真模型与代码实现。
阻抗重塑与双锁相环技术
阻抗重塑
阻抗重塑是一种通过控制逆变器的输出阻抗来改善系统稳定性的有效方法。简单来说,我们可以通过调整逆变器的控制参数,使得其输出阻抗在特定频率范围内呈现出期望的特性。例如,在某些情况下,我们希望逆变器在低频段呈现低阻抗,而在高频段呈现高阻抗,这样可以有效地抑制低频振荡和高频谐波。
双锁相环
双锁相环技术在网型逆变器中也扮演着关键角色。传统的单锁相环可能在复杂的电网条件下无法准确地跟踪电网相位和频率,而双锁相环通过引入两个不同的锁相环结构,可以更精确地实现这一目标。其中一个锁相环主要负责跟踪电网的基波相位,而另一个则可以处理电网中的谐波成分。
Simulink仿真模型搭建
基本架构
在Simulink中搭建网型逆变器的仿真模型,我们首先需要构建一个基本的电路拓扑。这通常包括直流电源、逆变器桥臂、滤波电路以及与电网的连接部分。例如,我们可以使用Simscape Electrical库中的元件来搭建这样的电路:
% 创建一个简单的三相逆变器Simulink模型框架
model = 'inverter_model';
new_system(model);
open_system(model);
% 添加直流电源
add_block('simscape/Sources/Voltage Source', [model '/DC Source']);
set_param([model '/DC Source'], 'Amplitude', '100');
% 添加逆变器桥臂
add_block('simscape/Power Electronics/Universal Bridge', [model '/Inverter Bridge']);
set_param([model '/Inverter Bridge'], 'Number of Bridge Arms', '3');
% 添加滤波电路(以LC滤波器为例)
add_block('simscape/Elements/Series RLC Branch', [model '/L Filter']);
set_param([model '/L Filter'], 'Inductance', '0.001');
add_block('simscape/Elements/Series RLC Branch', [model '/C Filter']);
set_param([model '/C Filter'], 'Capacitance', '1e-6');
% 添加电网连接
add_block('simscape/Sources/Three - Phase Voltage Source', [model '/Grid Connection']);
这段代码使用MATLAB脚本在Simulink中自动创建了一个简单的三相逆变器模型框架,包含直流电源、逆变器桥臂、LC滤波电路和电网连接。通过设置各个元件的参数,我们初步构建了仿真所需的物理模型。
控制策略实现
基于阻抗重塑和双锁相环技术,我们需要在模型中添加相应的控制模块。对于双锁相环,我们可以在Simulink中自定义模块来实现其算法。以下是一个简化的双锁相环代码示例(仅为原理示意,非完整可运行代码):
function [theta1, theta2] = dualPLL(v, omega_ref1, omega_ref2)
% 初始化参数
kp1 = 0.1; ki1 = 0.01;
kp2 = 0.05; ki2 = 0.005;
theta1 = 0;
theta2 = 0;
integrator1 = 0;
integrator2 = 0;
% 主锁相环
for n = 1:length(v)
error1 = v(n) - sin(theta1);
integrator1 = integrator1 + error1;
omega1 = kp1 * error1 + ki1 * integrator1;
theta1 = theta1 + omega1;
end
% 辅助锁相环
for n = 1:length(v)
error2 = v(n) - sin(theta2);
integrator2 = integrator2 + error2;
omega2 = kp2 * error2 + ki2 * integrator2;
theta2 = theta2 + omega2;
end
end
在上述代码中,我们定义了一个双锁相环函数,它接收输入电压v以及两个参考角频率omegaref1和omegaref2。通过比例积分(PI)控制器,分别计算出两个锁相环的相位输出theta1和theta2。在实际的Simulink模型中,我们可以将这个函数封装成一个S - Function模块,并与其他电路模块连接起来。
小干扰稳定性分析
通过对Simulink模型进行小干扰稳定性分析,我们可以评估逆变器在受到微小扰动时的稳定性。这通常涉及到对系统进行线性化处理,并分析其传递函数的极点分布。在Simulink中,我们可以使用线性分析工具(如Linear Analysis Toolbox)来完成这一任务。例如,我们可以对逆变器的输出电压相对于某个控制参数的小信号传递函数进行分析:
% 线性化Simulink模型
lin_model = linearize('inverter_model', 'Vdc', 'Vout');
% 获取传递函数
tf = tf(lin_model);
% 分析极点
pole(tf)
上述代码首先对名为inverter_model的Simulink模型进行线性化,以直流电压Vdc作为输入,输出电压Vout作为输出。然后获取其传递函数,并分析传递函数的极点。稳定系统的极点应该全部位于复平面的左半平面,如果有极点位于右半平面,则系统是不稳定的。
控制策略优化
基于小干扰稳定性分析的结果,我们可以对控制策略进行优化。例如,如果分析发现某个频率下系统的阻尼不足,我们可以调整双锁相环的PI参数或者阻抗重塑的控制参数,以增加系统在该频率下的阻尼。在Simulink中,我们可以通过不断地修改参数并重新运行仿真,观察系统响应来实现优化。
参考文献
- 《Analysis and Design of Grid - Connected Inverters for Distributed Generation Systems》 - M. Liserre, R. Teodorescu, and P. Rodriguez. This paper provides in - depth insights into grid - connected inverters, covering topics from basic operation principles to advanced control strategies.
- 《Adaptive Control of Power Converters in Renewable Energy Systems》 - D. Sera, Y. - H. Song, and F. Blaabjerg. It focuses on the adaptive control methods for power converters, which is highly relevant to the impedance reshaping and stability improvement of grid - type inverters.
中文版报告说明
一份与模型完全对应的中文版报告将详细阐述整个仿真的目的、原理、模型搭建过程、代码分析、小干扰稳定性分析结果以及控制策略优化思路。报告中会配有大量的Simulink模型截图、波形图以及数据表格,以直观地展示仿真结果和分析过程,帮助读者更好地理解网型逆变器小干扰稳定性分析与控制策略优化的整个流程。

跟网型逆变器小干扰稳定性分析与控制策略优化simulink仿真模型和代码 现代逆变技术 阻抗重塑 双锁相环 可附赠参考文献(英文) 和一份与模型完全对应的中文版报告

希望通过以上内容,能让大家对网型逆变器小干扰稳定性分析与控制策略优化的Simulink仿真有更深入的认识和理解,一起在现代逆变技术的研究道路上不断探索前行!




AtomGit 是由开放原子开源基金会联合 CSDN 等生态伙伴共同推出的新一代开源与人工智能协作平台。平台坚持“开放、中立、公益”的理念,把代码托管、模型共享、数据集托管、智能体开发体验和算力服务整合在一起,为开发者提供从开发、训练到部署的一站式体验。
更多推荐



所有评论(0)