滑模控制:解锁复杂系统控制的密码
滑模相关(是一个大文件夹) 1.永磁电机的滑模观测器Simulink模型 2.永磁同步电机趋近律滑膜控制NSMC 3.MATLAB四旋翼仿真滑模控制 simulink 5.传统滑模控制器设计 6.分散滑模负载频率控制的MATLAB 仿真 滑模控制 7.超螺旋滑模控制器 8.基于模糊滑模控制的开关磁阻电机控制模型 9.Matlab Simulin...使用不同控制算法(LQR、滑模控制器、积分器反步控制器)的姿态确定和控制系统仿真。 10.无感FOC滑膜观测器算法采用滑膜观测器启动采用Vfc代码原理图 11.无刷滑膜Slide Mode Obsever 12.永磁同步电机smo滑膜观测算法带文档 13.永磁同步电机滑模控制Simulink仿真模型 14.永磁同步电机滑膜变结构无速度传感器控制Simulink仿真模型 15.永磁同步直线电机PMLSM矢量控制滑模控制SVPWM仿真模型
最近在研究滑模相关的内容,发现这里面的学问可真是深不可测啊。滑模控制就像是一把万能钥匙,在各种复杂的控制系统里都能发挥神奇的作用。今天就跟大家分享一下我探索滑模控制世界的一些收获。
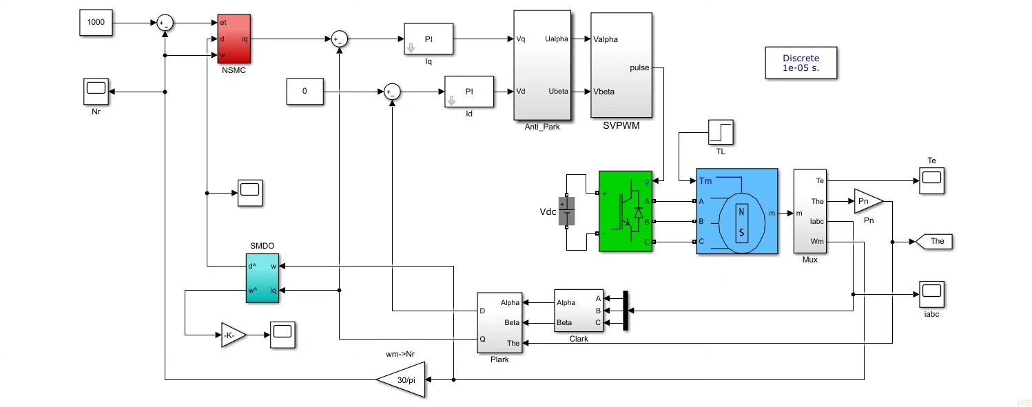
永磁电机的滑模观测器Simulink模型
永磁电机在很多领域都有广泛应用,像电动汽车、工业自动化啥的。而滑模观测器可以用来估计电机的一些关键状态变量,比如转子位置和速度。在Simulink里搭建永磁电机的滑模观测器模型,能帮助我们直观地看到系统的运行情况。
下面是一段简单的MATLAB代码示例,模拟了滑模观测器的基本原理:
% 定义系统参数
R = 1; % 电阻
L = 0.1; % 电感
Ke = 0.5; % 反电动势系数
J = 0.01; % 转动惯量
B = 0.1; % 粘性摩擦系数
% 时间参数
tspan = [0 10]; % 仿真时间
dt = 0.01; % 时间步长
% 初始条件
x0 = [0; 0]; % 状态变量初始值
% 滑模观测器参数
lambda = 10; % 滑模增益
% 滑模观测器函数
function dxdt = sliding_observer(t, x, u, lambda, R, L, Ke)
% 状态方程
dxdt = [(-R/L)*x(1) + (1/L)*u - (Ke/L)*x(2); x(1)];
% 滑模控制律
s = x(1) - x(2); % 滑模面
u_sm = lambda*sign(s);
% 观测器更新
dxdt(1) = dxdt(1) + u_sm;
end
% 仿真
[t, x] = ode45(@(t, x) sliding_observer(t, x, 1, lambda, R, L, Ke), tspan, x0);
% 绘图
plot(t, x(:, 1), 'b', t, x(:, 2), 'r');
legend('Estimated Speed', 'Actual Speed');
xlabel('Time (s)');
ylabel('Speed (rad/s)');
代码分析:首先定义了永磁电机的一些基本参数,像电阻、电感、反电动势系数这些。然后设置了仿真的时间范围和时间步长。接着定义了滑模观测器的参数,这里的lambda就是滑模增益,它控制着系统趋近滑模面的速度。在slidingobserver函数里,先根据状态方程计算系统的导数,然后计算滑模面s,再根据滑模控制律得到滑模控制输入usm,最后更新观测器的状态。最后用ode45函数进行仿真,并把估计的速度和实际速度画出来。
超螺旋滑模控制器
超螺旋滑模控制器是一种改进的滑模控制器,它能有效减少传统滑模控制器的抖振问题。抖振就像是系统在运行过程中一直“打哆嗦”,会影响系统的性能和稳定性。超螺旋滑模控制器通过引入积分项,让系统更加平滑地趋近滑模面。

滑模相关(是一个大文件夹) 1.永磁电机的滑模观测器Simulink模型 2.永磁同步电机趋近律滑膜控制NSMC 3.MATLAB四旋翼仿真滑模控制 simulink 5.传统滑模控制器设计 6.分散滑模负载频率控制的MATLAB 仿真 滑模控制 7.超螺旋滑模控制器 8.基于模糊滑模控制的开关磁阻电机控制模型 9.Matlab Simulin...使用不同控制算法(LQR、滑模控制器、积分器反步控制器)的姿态确定和控制系统仿真。 10.无感FOC滑膜观测器算法采用滑膜观测器启动采用Vfc代码原理图 11.无刷滑膜Slide Mode Obsever 12.永磁同步电机smo滑膜观测算法带文档 13.永磁同步电机滑模控制Simulink仿真模型 14.永磁同步电机滑膜变结构无速度传感器控制Simulink仿真模型 15.永磁同步直线电机PMLSM矢量控制滑模控制SVPWM仿真模型
下面是一个简单的超螺旋滑模控制器的伪代码:
# 超螺旋滑模控制器伪代码
def super_twisting_controller(x, x_ref, lambda1, lambda2):
# 计算误差
e = x - x_ref
# 滑模面
s = e
# 超螺旋滑模控制律
alpha = lambda1 * abs(s)**0.5 * sign(s)
beta = lambda2 * integral(sign(s))
u = alpha + beta
return u
代码分析:这个伪代码实现了超螺旋滑模控制器的基本逻辑。首先计算系统的误差e,然后得到滑模面s。超螺旋滑模控制律由两部分组成,alpha是根据滑模面的绝对值开方和符号函数计算得到的,beta是对符号函数的积分。最后把这两部分相加得到控制输入u。
基于模糊滑模控制的开关磁阻电机控制模型
开关磁阻电机具有结构简单、可靠性高的优点,但它的转矩脉动比较大。模糊滑模控制结合了模糊控制和滑模控制的优点,能有效减少开关磁阻电机的转矩脉动。在Matlab Simulink里可以搭建基于模糊滑模控制的开关磁阻电机控制模型。
% 模糊滑模控制的开关磁阻电机控制模型示例代码
% 初始化模糊控制器
fis = newfis('fuzzy_smc');
% 输入变量
input1 = newvar(fis, 'input', 'error', [-10 10]);
input1 = addmf(input1, 'trimf', 'NB', [-10 -10 -5]);
input1 = addmf(input1, 'trimf', 'NS', [-7 -5 -3]);
input1 = addmf(input1, 'trimf', 'Z', [-4 0 4]);
input1 = addmf(input1, 'trimf', 'PS', [3 5 7]);
input1 = addmf(input1, 'trimf', 'PB', [5 10 10]);
fis = setfis(fis, input1, 1);
% 输出变量
output1 = newvar(fis, 'output', 'control', [-20 20]);
output1 = addmf(output1, 'trimf', 'NB', [-20 -20 -10]);
output1 = addmf(output1, 'trimf', 'NS', [-15 -10 -5]);
output1 = addmf(output1, 'trimf', 'Z', [-8 0 8]);
output1 = addmf(output1, 'trimf', 'PS', [5 10 15]);
output1 = addmf(output1, 'trimf', 'PB', [10 20 20]);
fis = setfis(fis, output1, 1);
% 模糊规则
ruleList = [1 1 1 1 1;
2 2 1 1 1;
3 3 1 1 1;
4 4 1 1 1;
5 5 1 1 1];
fis = addrule(fis, ruleList);
% 模糊推理
error = 2; % 误差
control = evalfis(error, fis);
disp(['模糊控制输出: ', num2str(control)]);
代码分析:这段代码创建了一个简单的模糊控制器。首先用newfis函数创建一个模糊推理系统,然后定义输入变量error和输出变量control,并为它们添加隶属度函数。接着设置模糊规则,最后用evalfis函数进行模糊推理,根据输入的误差得到模糊控制输出。
滑模控制在不同的领域都有独特的应用,通过不断地研究和实践,我们能更好地掌握这门技术,让它在实际系统中发挥更大的作用。希望今天的分享能让大家对滑模控制有更深入的了解。

AtomGit 是由开放原子开源基金会联合 CSDN 等生态伙伴共同推出的新一代开源与人工智能协作平台。平台坚持“开放、中立、公益”的理念,把代码托管、模型共享、数据集托管、智能体开发体验和算力服务整合在一起,为开发者提供从开发、训练到部署的一站式体验。
更多推荐


所有评论(0)