双馈风电机组和同步发电机组的Simulink仿真建模与分析
双馈风电机组和同步发电机组构成的四机两区域和三机九节点simulink仿真建模,风储联合调频,可进行虚拟惯量控制,下垂控制,桨距角控制,超速减载控制,混合储能采用超级电容和蓄电池,结合参与系统调频,有视频讲解
项目背景
在可再生能源迅速发展的今天,风能作为最成熟的可再生能源之一,已经在全球范围内得到了广泛应用。然而,随着风电装机容量的不断增加,如何将风电与传统电力系统有效结合,确保系统的稳定性和可靠性,成为了一个重要课题。本文将介绍一个基于Simulink的仿真建模项目,涉及双馈风电机组和同步发电机组的协同工作,涵盖了风储联合调频、虚拟惯量控制、下垂控制等多种控制策略。
系统结构概述
系统主要包括以下几个部分:
- 双馈风电机组(DFIG):采用了两级相变调速结构,通过机侧和网侧转换器进行调控。
- 同步发电机组(SG):作为传统电力系统的代表,具有较大的惯性和稳定性。
- 混合储能系统:由超级电容和蓄电池组成,具有快速响应和长时间储能能力。
- 控制系统:实现虚拟惯量控制、下垂控制、桨距角控制和超速减载控制等功能。
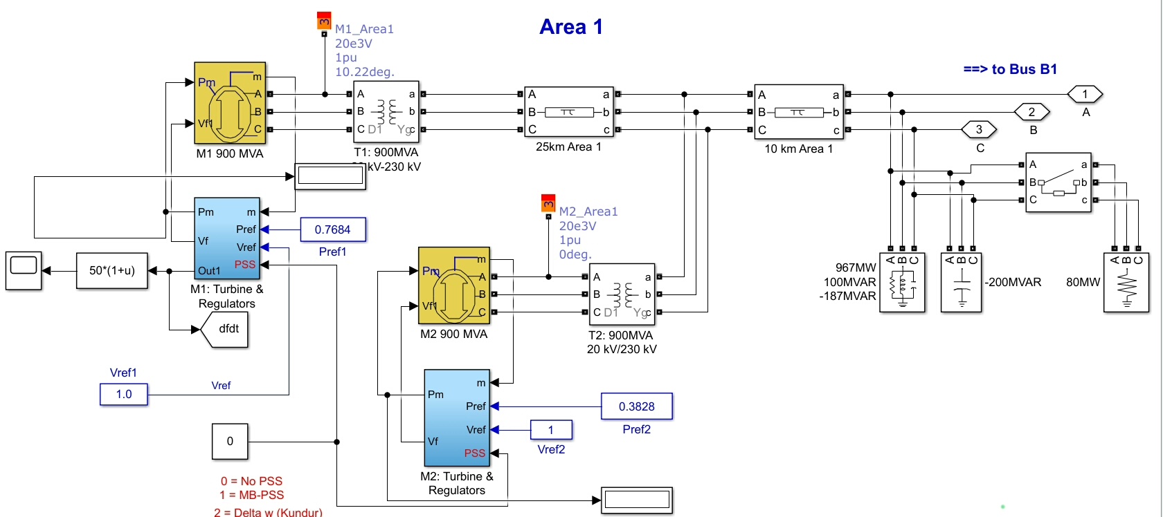
系统的仿真模型基于Matlab/Simulink平台,采用四机两区域、三机九节点的结构,能够较为全面地模拟实际电网的运行情况。
控制策略分析
1. 风储联合调频
风储联合调频是本项目的核心控制策略之一。通过将风电机组和储能系统联合起来,可以有效应对风速的随机波动,减少对电网的影响。以下是风储联合调频的主要实现步骤:
% 风电机组的MPPT控制
P_w = 0.5 * rho * A * v^3 * Cp;
Q_w = K * theta * P_w;
其中,Pw为风电机组的有功功率,Qw为无功功率,rho为空气密度,A为风轮面积,v为风速,Cp为功率系数,K为控制系数,theta为桨距角。
2. 虚拟惯量控制
虚拟惯量控制(Virtual Synchronous Machine, VSM)是一种通过控制逆变器模拟同步机的惯性和阻尼特性的技术。这种控制策略能够提高系统的稳定性,尤其是在风电占比较高的电网中。
% 虚拟惯量控制算法
dP = P_ref - P_actual;
dQ = Q_ref - Q_actual;
K_p = 0.1; K_i = 0.01;
P_control = K_p * dP + K_i * integral(dP);
Q_control = K_p * dQ + K_i * integral(dQ);
3. 下垂控制
下垂控制(Droop Control)是分布式发电系统中常用的控制策略,通过模拟传统同步机的下垂特性,实现系统的自律调节。
% 下垂控制算法
omega_ref = 1.0; % 参考频率
K_droop = 0.05;
omega_actual = 1.0 + K_droop * (P_actual - P_ref);
4. 超速减载控制
超速减载控制(Over-speed Power Reduction, OPR)用于在风速过高时,通过减少发电机的输出功率,防止系统过速运行。
% 超速减载控制逻辑
if v > v_rated
P_ref = P_ref * (1 - K_opr * (v - v_rated)/v_rated);
end
仿真结果分析
通过对系统的仿真,我们可以直观地观察各个控制策略的效果。以下是部分仿真结果的截图:
- 系统频率响应:在风速突变和负荷变化的情况下,系统频率的变化情况。
- 功率波动:风电机组和储能系统的功率变化趋势。
- 控制指标跟踪:桨距角、转速、电压等控制指标的跟踪情况。
总结
通过本次仿真建模和分析,我们验证了双馈风电机组和同步发电机组在四机两区域、三机九节点结构下的协同工作能力。风储联合调频、虚拟惯量控制、下垂控制等多种控制策略的有效性得到了充分体现。此外,混合储能系统的引入进一步提高了系统的稳定性和响应速度。
未来展望
在后续的研究中,我们计划进一步优化控制策略的参数,提高系统的响应速度和稳定性。同时,考虑引入更多的储能技术和智能控制算法,如模型预测控制(MPC)和强化学习,以进一步提升系统的性能。

双馈风电机组和同步发电机组构成的四机两区域和三机九节点simulink仿真建模,风储联合调频,可进行虚拟惯量控制,下垂控制,桨距角控制,超速减载控制,混合储能采用超级电容和蓄电池,结合参与系统调频,有视频讲解

最后,感谢观看本次分享。如果您对本项目有更多的兴趣,可以参考我们的视频讲解(链接:[视频链接]),获取更详细的内容和操作演示。
AtomGit 是由开放原子开源基金会联合 CSDN 等生态伙伴共同推出的新一代开源与人工智能协作平台。平台坚持“开放、中立、公益”的理念,把代码托管、模型共享、数据集托管、智能体开发体验和算力服务整合在一起,为开发者提供从开发、训练到部署的一站式体验。
更多推荐

所有评论(0)