永磁同步电机滑模观测器Simulink搭建模型教程及理论分析
永磁同步电机滑模观测器simulink搭建模型(3种),附参考论文 模型中有用锁相环或低通滤波器提取电角度和电角速度 此模型适合初学者学习参考,电子资料,一经,概不退换 文档内较为详细的介绍了滑模观测器的数学原理,以及滑模观测器模块的仿真搭建过程,这个过程以一个文档的形式单独记录下来 另外关键的PI调节器与滑模观测器的参数,也以一个专门的文档记录其理论设计过程,与根据波形现象调节参数的过程,可以有助于大家深入理解理论的同时,能够结合仿真模型的结果进行调参,深入的理解整个系统各个物理量之间的内在联系 另外,将滑模观测器封装为mask模块,可以在换个电机时,外部更改即可

一、引言

本文旨在为初学者提供关于永磁同步电机滑模观测器Simulink搭建模型的详细指导,并附带相关参考论文。本文将介绍三种滑模观测器模型的搭建方法,重点讲述利用锁相环或低通滤波器提取电角度和电角速度的技术。此外,还将详细阐述滑模观测器的数学原理及仿真搭建过程,并单独记录成文档。同时,关于PI调节器与滑模观测器的参数设计及调参过程也将以文档形式记录,以便于读者深入理解系统各物理量之间的内在联系。最后,还将介绍如何将滑模观测器封装为mask模块,便于在更换电机时进行外部更改。

二、滑模观测器的数学原理

本节将详细介绍滑模观测器的数学原理,包括其基本概念、工作原理、稳定性分析等方面。通过本节的学习,读者将能够理解滑模观测器在永磁同步电机控制中的重要作用。

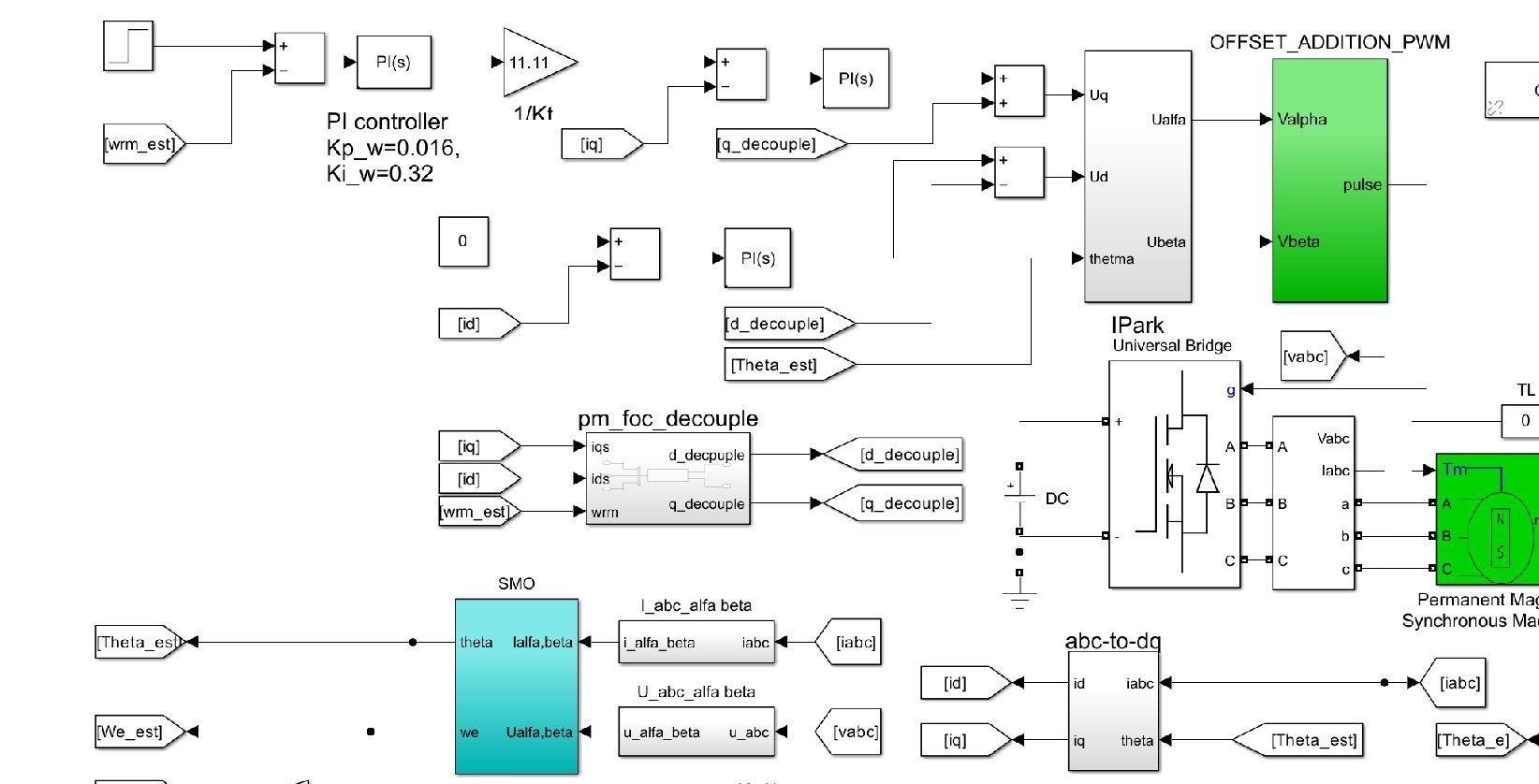
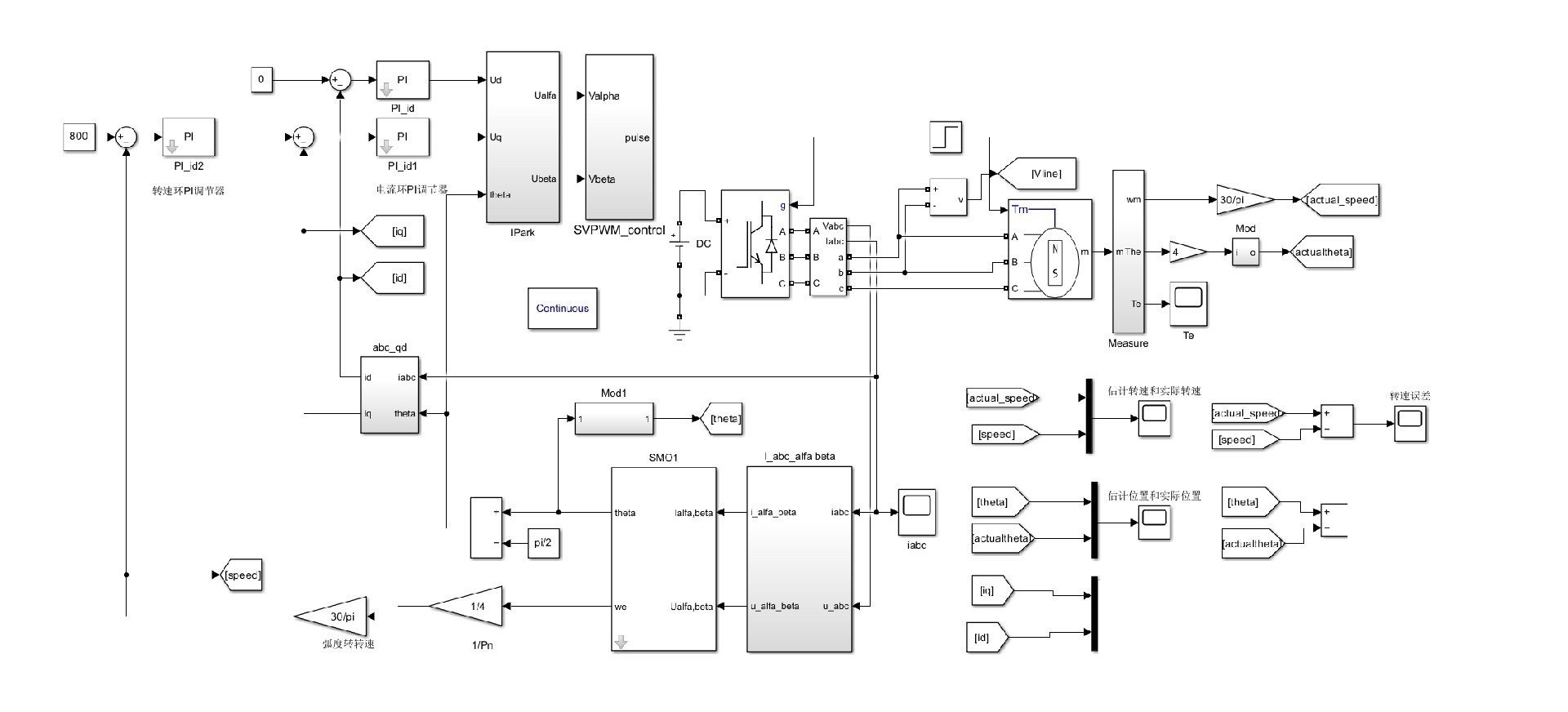
三、滑模观测器Simulink搭建模型(三种方法)
- 方法一:基础滑模观测器模型
本部分将详细介绍如何在Simulink中搭建基础滑模观测器模型,包括模型的结构、参数设置、仿真运行等方面。读者可以按照本部分的指导逐步完成模型的搭建。
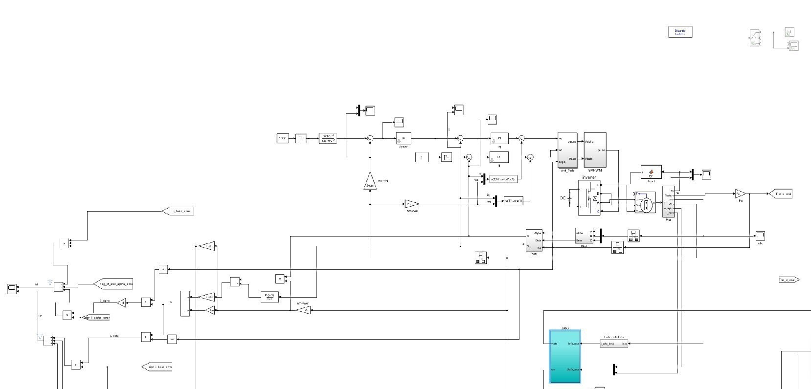
- 方法二:加入锁相环的滑模观测器模型
本部分将介绍如何在基础模型上加入锁相环,以提取电角度和电角速度。读者将学习到锁相环的工作原理及其在滑模观测器中的应用。
- 方法三:使用低通滤波器提取电角度和电角速度的滑模观测器模型
此外,本节还将介绍一种使用低通滤波器提取电角度和电角速度的滑模观测器模型。读者将了解到低通滤波器的原理及其在滑模观测器中的运用。

四、PI调节器与滑模观测器参数设计及调参过程

永磁同步电机滑模观测器simulink搭建模型(3种),附参考论文 模型中有用锁相环或低通滤波器提取电角度和电角速度 此模型适合初学者学习参考,电子资料,一经,概不退换 文档内较为详细的介绍了滑模观测器的数学原理,以及滑模观测器模块的仿真搭建过程,这个过程以一个文档的形式单独记录下来 另外关键的PI调节器与滑模观测器的参数,也以一个专门的文档记录其理论设计过程,与根据波形现象调节参数的过程,可以有助于大家深入理解理论的同时,能够结合仿真模型的结果进行调参,深入的理解整个系统各个物理量之间的内在联系 另外,将滑模观测器封装为mask模块,可以在换个电机时,外部更改即可

本节将详细介绍PI调节器与滑模观测器参数的理论设计过程,以及根据波形现象调节参数的过程。读者将能够深入理解参数设计的重要性,并学会如何结合仿真模型的结果进行调参。

五、滑模观测器模块的封装及应用
本节将介绍如何将滑模观测器封装为mask模块,以及如何在换个电机时进行外部更改。读者将了解到模块化设计的重要性,并学会如何应用滑模观测器模块。
六、参考论文及电子资料
本文附带的参考论文将为读者提供更深入的理论支持和实验数据。同时,所有电子资料一经提供,概不退换,请读者妥善保管。
七、结语
本文旨在为初学者提供一个关于永磁同步电机滑模观测器Simulink搭建模型的教程及理论分析。希望读者能够通过本文的学习,深入理解整个系统的运行机制,并能够独立进行模型的搭建和参数的调整。同时,也希望本文能够为永磁同步电机控制领域的研究者提供一定的参考和帮助。
AtomGit 是由开放原子开源基金会联合 CSDN 等生态伙伴共同推出的新一代开源与人工智能协作平台。平台坚持“开放、中立、公益”的理念,把代码托管、模型共享、数据集托管、智能体开发体验和算力服务整合在一起,为开发者提供从开发、训练到部署的一站式体验。
更多推荐


所有评论(0)