探索MATLAB中MMC - HVDC输电模型:从原理到实现
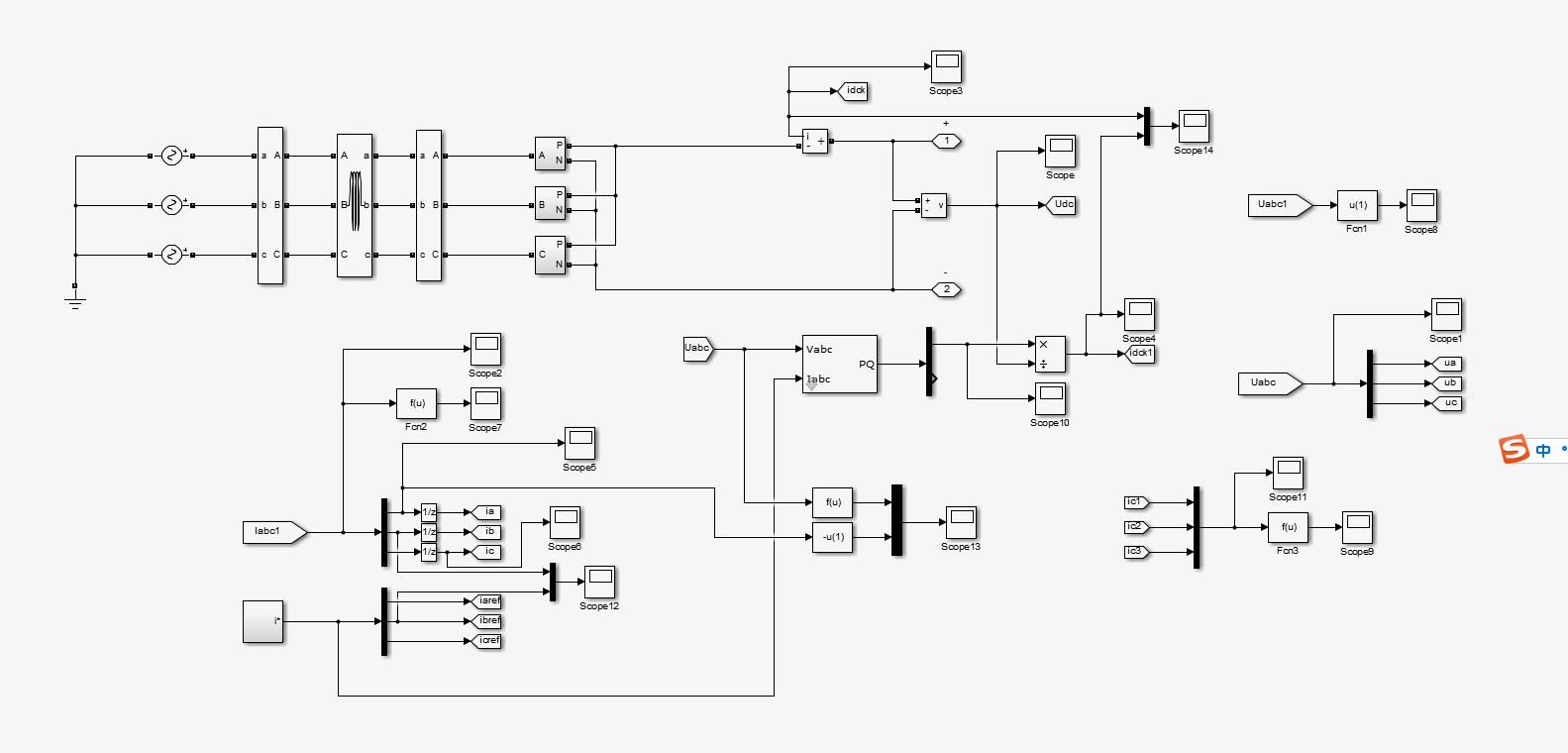
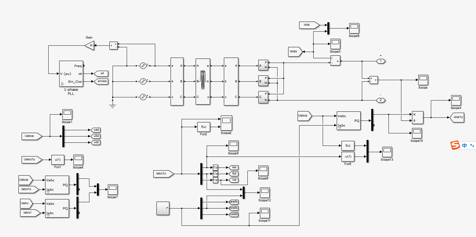
MATLAB代码:高压直流输电 关键词:MMC- HVDC,预测控制,电容均压 两端MMC- HVDC输电模型是基于MAT LAB/simulink软件搭建的。 下图的第一个和第二个模块分别是两侧的MMC模型,该模型的控制使用的是MPC控制策略,控制器是用C代码写的。 同时,控制模型中用了电容电压均压策略。 该模型的电压等级是20kV,上下子模块数量各10个,第3-5分别是三相电容电压的波形,其基本在2KV,证明了均压策略的有效性。 该模型还可以改变电压等级,我们已经测试了500KV的电压等级也可以仿真。

在电力系统领域,高压直流输电(HVDC)技术一直备受关注,特别是模块化多电平换流器高压直流输电(MMC - HVDC)。今天咱们就来聊聊基于MATLAB搭建的两端MMC - HVDC输电模型那些事儿,这里面涉及到预测控制以及电容均压这些关键技术点。
模型搭建基础
两端MMC - HVDC输电模型借助MATLAB/simulink软件构建。在这个模型里,有两个关键模块,也就是图中的第一个和第二个模块,它们分别代表两侧的MMC模型。这MMC模型可不简单,它的控制采用了MPC(模型预测控制)控制策略。说到这儿,可能有的朋友对MPC不太了解,简单讲,MPC是通过预测系统未来的行为,并根据预测结果在线优化控制输入,使得系统性能达到最优。这就好比下棋,每走一步都要提前想好后面几步的走法,从而让自己处于有利地位。

而且这个控制器是用C代码编写的,为啥用C代码呢?C代码的优势在于它的高效性和灵活性,能够更好地满足对实时性要求较高的控制场景。虽然咱这里没贴出具体C代码,但想象一下,在代码里,可能会有各种精妙的算法逻辑来实现MPC控制策略。比如可能会有类似这样的代码片段(伪代码示意):
// 假设这里定义了一些控制参数
float predictionHorizon = 5;
float controlHorizon = 3;
// 预测函数
void predictSystem(float *state, float *input, float *predictedState) {
// 根据系统模型进行预测计算
// 这里省略复杂的计算逻辑
for (int i = 0; i < predictionHorizon; i++) {
// 进行状态更新预测
predictedState[i] = state[i] + input[i] * someCoefficient;
}
}
// 优化控制输入函数
void optimizeInput(float *predictedState, float *optimalInput) {
// 使用优化算法寻找最优控制输入
// 这里省略具体优化算法实现
for (int i = 0; i < controlHorizon; i++) {
optimalInput[i] = calculateOptimalValue(predictedState);
}
}
上面这段伪代码简单模拟了MPC控制中的预测和优化输入的过程,实际的代码肯定要复杂得多,会涉及到精确的电力系统模型参数等。
电容均压策略不可或缺
除了MPC控制策略,这个控制模型还应用了电容电压均压策略。在MMC - HVDC系统中,电容电压的均衡是非常重要的,不然可能会导致系统运行不稳定,甚至损坏设备。这个均压策略就像是一个勤劳的“管家”,时刻盯着各个电容的电压,确保它们处于一个合理的范围。
模型的具体参数与验证
咱们来看看这个模型的参数,电压等级设定为20kV,上下子模块数量各10个。从图中的第3 - 5个模块可以看到三相电容电压的波形,这些波形基本稳定在2KV左右。这可不得了,它有力地证明了电容均压策略的有效性。就像给一群小朋友分蛋糕,每个小朋友拿到的蛋糕大小都差不多,说明这个分蛋糕的方法(均压策略)很靠谱。

MATLAB代码:高压直流输电 关键词:MMC- HVDC,预测控制,电容均压 两端MMC- HVDC输电模型是基于MAT LAB/simulink软件搭建的。 下图的第一个和第二个模块分别是两侧的MMC模型,该模型的控制使用的是MPC控制策略,控制器是用C代码写的。 同时,控制模型中用了电容电压均压策略。 该模型的电压等级是20kV,上下子模块数量各10个,第3-5分别是三相电容电压的波形,其基本在2KV,证明了均压策略的有效性。 该模型还可以改变电压等级,我们已经测试了500KV的电压等级也可以仿真。

而且这个模型还有个厉害之处,它可以改变电压等级。我们已经做过测试,500KV的电压等级也能在这个模型里顺利仿真。这就好比一辆车,既能在平坦的小路上跑,也能在高速公路上飞驰,适应性相当强。

总的来说,这个基于MATLAB的两端MMC - HVDC输电模型,通过MPC控制策略和电容均压策略的结合,为我们研究高压直流输电系统提供了一个非常好的平台,无论是对理论研究还是实际工程应用都有着重要的参考价值。希望这篇博文能让大家对MMC - HVDC输电模型有更清晰的认识,欢迎大家一起交流探讨。

AtomGit 是由开放原子开源基金会联合 CSDN 等生态伙伴共同推出的新一代开源与人工智能协作平台。平台坚持“开放、中立、公益”的理念,把代码托管、模型共享、数据集托管、智能体开发体验和算力服务整合在一起,为开发者提供从开发、训练到部署的一站式体验。
更多推荐



所有评论(0)