高压直流输电在线监测Matlab仿真模型 本设计对故障监测,同时设置了GUI界面
·
高压直流输电在线监测Matlab仿真模型 本设计对故障监测,同时设置了GUI界面,可以设置参数等等
一、系统概述
本高压直流输电系统在线监测控制系统以CIGRE HVDC标准测试系统为核心载体,依托MATLAB/Simulink仿真平台构建电磁暂态仿真模型,基于MATLAB/GUI开发可视化操作界面,实现对高压直流输电系统全工况运行状态的实时监测、数据处理与参数调控。系统聚焦高压直流输电技术在长距离、大容量电力输送场景中的应用需求,针对"强直弱交"背景下系统安全稳定运行面临的挑战,通过精准的仿真分析与便捷的控制操作,为高压直流输电系统的运行维护与优化设计提供技术支撑。

高压直流输电在线监测Matlab仿真模型 本设计对故障监测,同时设置了GUI界面,可以设置参数等等

系统核心设计目标包括:掌握CIGRE HVDC标准测试系统的运行原理与特性;实现对系统稳态及故障暂态下关键电气参数的实时采集与可视化展示;支持控制系统核心参数的在线配置与仿真模型的灵活调用;深入分析交流系统故障时换相失败的发生机制与恢复过程,为系统故障防控提供数据依据。
二、核心功能模块详解
(一)仿真模型管理功能
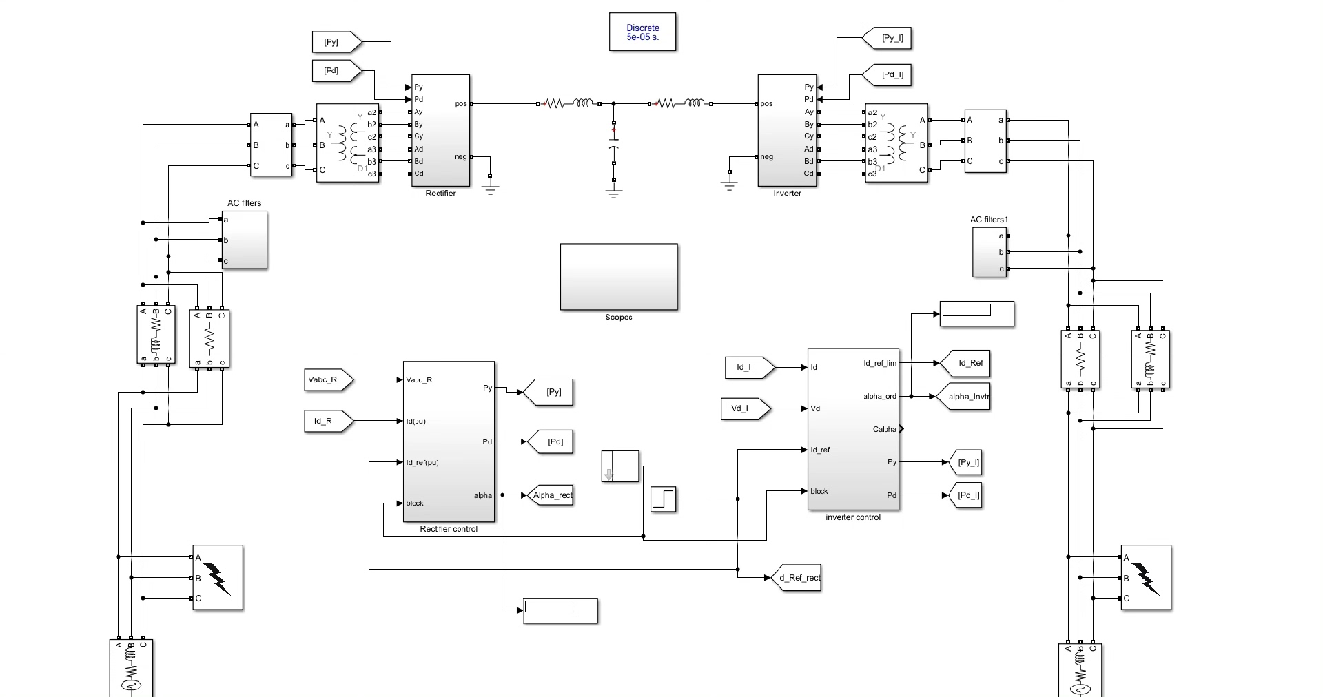
- 模型自动加载:系统内置CIGRE HVDC Benchmark System完整仿真模型,涵盖一次系统与控制系统两大核心部分。一次系统包含345kV/230kV交流系统、换流变压器、12脉冲换流阀、交直流滤波器、平波电抗器(电感1.194H)及直流线路(电阻0.41Ω/km)等关键电气元件;控制系统采用极控制系统与阀控系统分层设计,预设整流侧触发角α=20°、逆变侧关断角γ=15°的基准控制参数,用户可通过GUI界面直接调用完整仿真模型,无需手动搭建。
- 模型参数可视化:系统支持对仿真模型的核心参数进行可视化展示,包括交流系统电压等级(整流侧345kV、逆变侧230kV)、系统短路比(SCR=2.5∠84°/75°)、换流变压器容量(整流侧603.73MVA、逆变侧591.79MVA)、滤波器配置(二阶高通滤波器252.5Mvar、C型阻尼滤波器252.2Mvar等)等关键参数,方便用户直观掌握模型基础信息。
- 仿真进程控制:提供仿真启动、暂停、停止及步长调节功能,支持设置仿真时长(默认仿真时长可满足稳态分析与暂态故障模拟需求),并可通过进度条实时显示仿真运行状态,便于用户根据分析需求灵活控制仿真过程。
(二)数据采集与监测功能
- 多维度数据实时采集:系统能够实时采集高压直流输电系统运行过程中的关键电气参数,涵盖交流侧与直流侧全链路数据:
- 交流侧数据:整流侧/逆变侧交流电压、电流有效值及波形数据,频率固定为50Hz;
- 直流侧数据:直流线路电压、电流瞬时值及稳态值,平波电抗器两端电压与电流;
- 控制参数数据:整流侧触发角α、逆变侧关断角γ的实时变化值,换流阀导通状态信号;
- 故障特征数据:故障发生时刻、故障持续时间、故障期间各电气参数的突变值与恢复过程数据。
- 数据图形化展示:采用MATLAB绘图功能实现数据可视化呈现,提供多种图表展示形式:
- 波形图:实时绘制交流电压/电流、直流电压/电流、触发角α/关断角γ的动态波形,支持波形放大、缩小及局部查看,便于观察参数的暂态变化过程;
- 数值面板:以数字形式实时显示关键参数的当前值,包括有效值、峰值及平均值,数值更新频率与仿真步长同步,确保数据实时性;
- 趋势曲线:针对稳态运行阶段,绘制关键参数的时间趋势曲线,直观展示参数在长时间运行中的稳定性,如直流电压/电流的稳态保持特性。
- 故障状态监测与报警:当系统发生预设故障(整流侧三相故障、逆变侧三相/单相故障)时,系统可自动识别故障特征,通过颜色标识(如红色闪烁)在界面上提示故障发生位置,并记录故障发生时间、故障类型及故障期间的参数突变情况,为故障分析提供精准数据支撑。
(三)参数设定与控制功能
- 控制参数在线配置:支持用户通过GUI界面灵活调整控制系统核心参数,实现对系统运行状态的调控:
- 触发角/关断角调节:可在合理范围内修改整流侧触发角α(默认20°)与逆变侧关断角γ(默认15°),调节步长可精确至0.1°,满足不同控制策略下的仿真需求;
- 参考值设定:支持设置直流电流参考值,可输入阶跃信号(如仿真2s时刻的电流阶跃),模拟系统负荷变化场景;
- 故障参数配置:允许用户自定义故障类型(整流侧三相接地、逆变侧三相/单相接地)、故障发生时间(精确到0.01s)、故障持续时长(默认0.05s,可按需调整),灵活模拟不同故障场景。
- 控制策略切换:系统内置极控制系统与阀控系统的典型控制策略,支持控制模式的快速切换,如整流侧定电流控制、逆变侧定关断角控制等,便于对比不同控制策略下系统的响应特性。
- 参数边界保护:对可调节参数设置合理的取值范围(如触发角α取值范围0°-90°、关断角γ取值范围10°-30°),当用户输入超出边界的参数时,系统会弹出提示信息并拒绝执行,避免因参数设置不当导致仿真失败或模型崩溃。
(四)仿真分析与数据处理功能
- 稳态特性分析:自动计算稳态运行阶段的关键指标,包括:
- 电压/电流畸变率:分析交流侧电压/电流的谐波含量,评估滤波器的滤波效果;
- 系统效率:根据输入功率与输出功率计算输电效率,验证系统的节能特性;
- 控制精度:统计触发角α、关断角γ的稳态波动范围,评估控制系统的调节精度。
- 暂态响应分析:针对故障场景,自动分析系统的暂态响应特性:
- 故障过渡过程:记录故障发生后直流电压/电流、交流电压/电流的衰减与恢复时间,评估系统的暂态稳定性;
- 换相失败分析:重点监测逆变侧换相失败的发生条件、持续时间及恢复过程,计算换相失败期间的电流冲击值、电压跌落幅度,为换相失败抑制策略设计提供数据支持;
- 故障恢复特性:分析故障切除后系统恢复至稳态的时间,评估系统的自愈能力。
- 数据导出与存储:支持将仿真数据与分析结果导出为多种格式文件(.mat、.csv、.txt),包含原始采集数据、图形化数据及分析报告,方便用户进行离线数据分析或论文撰写,导出路径可由用户自定义设置。
三、技术指标与性能特点
(一)核心技术指标
- 系统参数匹配:严格遵循CIGRE HVDC标准测试系统规范,系统额定电压500kV,额定容量1000MW,直流线路电阻0.41Ω/km,平波电抗器与直流线路总电感1.194H,确保仿真模型的准确性与工程参考价值;
- 数据采集精度:电压测量误差≤±0.5%,电流测量误差≤±0.5%,控制参数测量精度≤±0.1°,满足工程仿真的精度要求;
- 响应速度:仿真步长可支持至微秒级,数据采集与更新延迟≤10ms,故障识别响应时间≤5ms,确保暂态过程捕捉的及时性;
- 界面响应:GUI界面操作响应时间≤0.5s,图表绘制无卡顿,支持多窗口同时显示不同类型数据,操作流畅性良好。
(二)性能特点
- 专业性强:基于CIGRE HVDC标准测试系统构建,仿真模型参数与工程实际一致,分析结果具有较高的工程参考价值,可用于高压直流输电系统暂态特性研究与控制策略优化;
- 操作便捷:采用可视化GUI界面,布局清晰合理,功能按钮直观易懂,无需复杂的MATLAB编程知识即可完成仿真设置、参数调节与数据分析,降低使用门槛;
- 扩展性好:系统采用模块化设计,可根据后续需求增加新的功能模块,如谐波分析模块、多故障类型扩展模块、控制策略优化模块等,具备良好的可扩展性;
- 数据可靠性高:依托MATLAB/Simulink强大的仿真计算能力,确保数据采集与分析结果的准确性,同时支持数据导出与二次处理,满足不同用户的分析需求。
四、适用场景与应用价值
(一)适用场景
- 高校毕业设计与科研:为电气工程及其自动化专业学生提供高压直流输电系统仿真与控制设计的实践平台,帮助学生掌握直流输电原理、仿真建模方法与在线监测系统设计流程;
- 工程技术研究:可用于高压直流输电系统换相失败机理研究、暂态稳定特性分析、控制参数优化等工程技术研究,为实际直流输电工程的设计与运行提供仿真支撑;
- 人员培训:作为高压直流输电系统运行维护人员的培训工具,模拟不同运行工况与故障场景,帮助操作人员熟悉系统响应特性与故障处理流程。
(二)应用价值
- 理论与实践结合:将高压直流输电理论与MATLAB仿真技术、GUI设计技术相结合,实现了从理论分析到工程实践的转化,为相关技术研究提供了高效的仿真工具;
- 故障防控支撑:通过对换相失败等典型故障的仿真分析,揭示故障发生机制与影响因素,为实际系统的故障预警与抑制策略设计提供数据依据,提升直流输电系统的安全稳定运行水平;
- 设计效率提升:简化高压直流输电系统在线监测控制系统的设计流程,通过模块化与可视化设计,降低系统开发难度,缩短设计周期,为工程应用提供快速设计方案。
五、使用注意事项
- 运行环境要求:需安装MATLAB 2016b及以上版本,且需配备Simulink与SimPowerSystem工具箱,确保仿真模型能够正常加载与运行;
- 参数设置规范:修改控制参数或故障参数时,应遵循工程实际范围,避免输入超出元件额定值的参数,防止仿真模型发散;
- 数据解读说明:分析暂态响应数据时,需结合高压直流输电系统原理,重点关注故障发生时刻的参数突变与恢复过程,避免孤立解读数据;
- 故障模拟限制:当前系统仅支持预设的三种故障类型,如需模拟其他故障(如直流线路接地故障),需在仿真模型中进行扩展设计。






AtomGit 是由开放原子开源基金会联合 CSDN 等生态伙伴共同推出的新一代开源与人工智能协作平台。平台坚持“开放、中立、公益”的理念,把代码托管、模型共享、数据集托管、智能体开发体验和算力服务整合在一起,为开发者提供从开发、训练到部署的一站式体验。
更多推荐


所有评论(0)