全网独家!加入风机模块的IEEE9模型!
💥💥💞💞欢迎来到本博客❤️❤️💥💥
🏆博主优势:🌞🌞🌞博客内容尽量做到思维缜密,逻辑清晰,为了方便读者。
⛳️座右铭:行百里者,半于九十。
📋📋📋本文内容如下:🎁🎁🎁
⛳️赠与读者
👨💻做科研,涉及到一个深在的思想系统,需要科研者逻辑缜密,踏实认真,但是不能只是努力,很多时候借力比努力更重要,然后还要有仰望星空的创新点和启发点。建议读者按目录次序逐一浏览,免得骤然跌入幽暗的迷宫找不到来时的路,它不足为你揭示全部问题的答案,但若能解答你胸中升起的一朵朵疑云,也未尝不会酿成晚霞斑斓的别一番景致,万一它给你带来了一场精神世界的苦雨,那就借机洗刷一下原来存放在那儿的“躺平”上的尘埃吧。
或许,雨过云收,神驰的天地更清朗.......🔎🔎🔎
💥第一部分——内容介绍
加入风机模块的 IEEE9 节点系统研究
摘要
传统 IEEE9 节点系统作为电力系统分析的经典基准模型,仅包含同步发电机组与常规负荷,难以适配高比例风电并网的新型电力系统特性研究。本文以 IEEE9 节点系统为基础,构建融入风机模块的改进测试系统,重点分析风电接入后的潮流分布特性、系统稳定性、动态响应及运行控制策略。通过多场景仿真对比,揭示风电渗透率、接入节点位置、风机控制模式对系统潮流、功角稳定、电压稳定与频率响应的影响规律,提出适配风电并网的系统优化与协调控制方案,为大规模风电接入电力系统的规划、运行与稳定控制提供理论参考与算例支撑。
关键词
IEEE9 节点系统;风力发电;风机建模;潮流计算;电力系统稳定性;并网控制
一、引言
1.1 研究背景与意义
全球能源转型进程加速,风力发电凭借清洁可再生、技术成熟等优势,成为电力系统中增长最快的新能源形式。大规模风机并网改变了传统电力系统以同步发电机为主体的电源结构,风机的电力电子接口特性、输出功率随机性与波动性、低惯量响应等特征,给系统潮流分布、电压调控、功角稳定、频率调节及故障穿越能力带来全新挑战。
IEEE9 节点系统是电力系统领域应用最广泛的标准测试系统,结构简洁、参数明确,涵盖 3 台同步发电机、9 条输电线路、3 台变压器与 3 个负荷节点,具备典型电力网络的环状与辐射状混合拓扑,是验证潮流算法、稳定性分析方法、控制策略的理想平台。传统 IEEE9 模型未包含新能源模块,无法直接用于风电并网特性研究,因此构建融入风机模块的改进 IEEE9 系统,对分析高比例风电下系统运行规律、验证新型控制策略具有重要学术价值与工程意义。
1.2 国内外研究现状
国内外学者围绕风电并网系统建模与稳定性开展大量研究,主要集中在三方面:一是风机精细化建模,涵盖双馈感应风机(DFIG)、直驱永磁同步风机(PMSG)的气动、机械、电气与控制模块建模,重点完善最大功率点跟踪(MPPT)、变桨控制、低电压穿越(LVRT)等核心控制逻辑;二是风电接入标准测试系统的改进,部分研究将风电接入 IEEE14、IEEE39 等大规模系统,针对潮流重构、小干扰稳定、暂态稳定开展分析;三是风电并网影响评估,聚焦渗透率、接入位置、控制模式对系统电压、频率、功角特性的作用机制,以及对应的无功补偿、协调控制策略。
现有研究中,针对 IEEE9 节点系统的风电集成研究相对较少,且多集中于单一风机类型、单一渗透率场景分析,缺乏多控制模式、多接入位置、多扰动场景的系统性对比,对风电与同步发电机的动态交互机理、系统稳定边界变化的研究不够深入,本文以此为切入点开展针对性研究。
1.3 研究内容与技术路线
本文主要研究内容包括:(1)IEEE9 节点系统基础特性与风机模块建模;(2)风电接入 IEEE9 系统的拓扑改进与参数匹配;(3)风电并网对系统潮流、电压、功角稳定、频率响应的影响分析;(4)不同风电渗透率、接入位置、控制模式下的系统性能对比;(5)适配风电并网的系统优化与控制策略。技术路线遵循 “基础模型构建 — 风机模块集成 — 多场景仿真分析 — 影响规律总结 — 优化策略提出” 的思路,依托电力系统仿真软件开展仿真验证。
二、IEEE9 节点系统基础理论
2.1 系统拓扑与节点构成
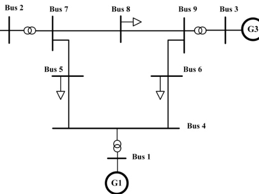
IEEE9 节点系统包含 9 个母线节点、3 台同步发电机(G1、G2、G3)、3 个负荷节点、9 条输电线路与 3 台升压 / 降压变压器。节点类型划分:节点 1 为平衡节点,承担系统功率平衡与频率参考作用;节点 2、3 为 PV 节点,控制有功输出与电压幅值恒定;节点 4-9 为 PQ 节点,负荷功率固定,电压与相角为待求量。系统基准容量 100MVA,发电机侧电压等级 13.8kV-18kV,经变压器升压至 230kV 输电等级,线路与变压器参数采用标幺值表示,拓扑结构紧凑且具备典型电网耦合特性。

2.2 元件模型与基础参数
系统核心元件模型包括:同步发电机采用经典六阶模型,考虑励磁系统、调速系统与电力系统稳定器(PSS),模拟电磁暂态与机电暂态特性;输电线路采用 π 型等效电路,计及电阻、电抗与对地电纳;变压器采用理想变压器串联阻抗模型,考虑变比与损耗特性;负荷采用恒功率模型,部分场景拓展为电压相关负荷模型。系统基础参数包含节点功率、线路阻抗、变压器变比、发电机惯性常数、阻尼系数等,参数标准化程度高,可直接用于仿真与分析。
2.3 传统系统核心特性
传统 IEEE9 系统以同步发电机为唯一电源,具备高惯量、强同步稳定性、功率调节响应快等特征。潮流分布由电源与负荷的空间位置决定,功率传输路径清晰;暂态稳定性能优良,三相故障等大扰动下同步发电机转子角振荡收敛,系统具备较强抗扰能力;电压与频率调节依赖同步发电机的励磁与调速系统,动态响应平滑且可控性强。
三、风力发电系统建模
3.1 风机类型与工作原理
主流并网风机分为双馈感应风机(DFIG)与直驱永磁同步风机(PMSG)两类。DFIG 定子直接并网,转子经背靠背变流器连接电网,变流器容量仅为额定功率的 25%-30%,成本低、控制灵活,具备独立的有功与无功调节能力;PMSG 取消齿轮箱,风机与发电机直连,全功率变流器实现发电机与电网的完全解耦,风电波动对电网冲击小,低电压穿越能力强,但变流器容量大、成本高。本文选取 DFIG 与 PMSG 两种典型风机开展研究,覆盖主流技术路线。
3.2 风机核心模块建模
3.2.1 气动模块
气动模块模拟风轮捕获风能的过程,核心是风能利用系数 Cp (λ,β),表征风能转化为机械能的效率,与叶尖速比 λ、桨距角 β 强相关。风速模型涵盖额定风速以下、额定风速以上两个区间,低风速段通过 MPPT 控制实现最大功率捕获,高风速段通过变桨控制维持输出功率恒定。
3.2.2 机械传动模块
DFIG 包含齿轮箱、低速轴、高速轴,采用双 mass 模型模拟轴系扭振特性;PMSG 为直驱结构,简化为单 mass 模型,模拟风机转子与发电机的机械运动,计及转动惯量、阻尼系数与机械损耗。
3.2.3 电气与变流模块
DFIG 定子与转子采用三阶异步电机模型,转子侧变流器(RSC)实现有功、无功解耦控制与 MPPT,网侧变流器(GSC)维持直流母线电压稳定、实现单位功率因数运行;PMSG 采用永磁同步电机模型,机侧变流器控制转速实现 MPPT,网侧变流器完成电压稳定与无功调节。
3.2.4 控制模块
控制模块包含核心控制逻辑:MPPT 控制通过调节转速或转矩追踪最大功率;变桨控制在高风速时调整桨距角,限制输出功率;低电压穿越控制在电网故障时投入 Crowbar 电路、增发无功支撑电网电压,避免风机脱网;附加频率控制模拟虚拟惯量与一次调频,提升系统频率响应能力。
3.3 风机并网接口特性
风机通过电力电子变流器并网,呈现 “低惯量、弱同步、快响应” 特性:输出功率由风速决定,具有随机性、波动性与间歇性;不具备同步发电机的自然同步能力,依赖锁相环(PLL)跟踪电网相位;故障期间动态响应与同步发电机差异显著,易引发电压、频率波动与稳定问题。
四、风机模块接入 IEEE9 系统的改进方案
4.1 接入节点选择原则
接入节点选取遵循三个原则:一是覆盖不同电压等级与网络位置,包括发电机近端、负荷近端、输电线路中间节点;二是兼顾潮流敏感节点与电压薄弱节点,分析风电对关键断面的影响;三是匹配风电容量与系统参数,避免容量不匹配导致的仿真失真。本文选取节点 3、节点 5、节点 7 作为典型接入节点,分别对应 PV 发电机节点、负荷节点、输电中间节点,对比不同接入位置的影响差异。
4.2 系统拓扑改进
以传统 IEEE9 系统为基础,制定两种接入方案:一是替代式接入,用风电场替代原节点 3 的同步发电机 G3,保留 G1、G2 为同步电源,形成 “同步 + 风电” 混合电源系统;二是新增式接入,在节点 5 或节点 7 新增风电场,保留原有 3 台同步发电机,提升系统电源多样性。风电场采用单机等值模型,集电线路简化为等效阻抗,经升压变压器接入对应母线,确保与系统电压等级匹配。
4.3 容量与参数匹配
风电容量设置 5%、10%、15%、20%、25% 五个渗透率等级(风电容量 / 系统总负荷),覆盖低、中、高比例并网场景。风机参数与 IEEE9 系统基准参数匹配,额定电压、基准容量与系统一致,控制参数经调试优化,确保风机稳态运行稳定、动态响应平滑,无功补偿装置(如 SVG)参数根据风电波动特性配置。
4.4 仿真平台构建
依托 MATLAB/Simulink 或 DIgSILENT/PowerFactory 搭建改进仿真模型,包含 IEEE9 基础系统、风机模块、控制模块、测量模块与故障模拟模块。仿真分为稳态仿真(潮流计算)与动态仿真(暂态稳定、频率响应、电压波动),设置正常运行、风速波动、三相短路故障、负荷突变等多类场景,确保分析全面性。
五、风电接入对 IEEE9 系统的影响分析
5.1 对潮流分布的影响
5.1.1 稳态潮流重构
风电接入改变系统功率注入分布,导致潮流重新分配:替代式接入下,风电替代同步发电机输出,原发电机出线潮流降低,风电接入节点相邻线路潮流上升;新增式接入下,风电作为新增电源,减少系统从主网受电,输电断面潮流整体下降。风电渗透率越高,潮流偏移越显著,高渗透率下易引发部分线路潮流越限。
5.1.2 潮流波动性
风电输出随风速波动,导致系统潮流呈现周期性波动,波动幅度与风速波动率、风电渗透率正相关。负荷近端接入风电时,局部潮流波动更剧烈;发电机近端接入时,潮流波动对全网影响更均衡。
5.2 对电压特性的影响
5.2.1 稳态电压分布
风电具备无功调节能力,DFIG 可通过 RSC 与 GSC 协同调节无功,PMSG 可通过网侧变流器输出无功。风电增发无功时,接入节点及相邻母线电压抬升;吸收无功时,电压降低。高渗透率风电并网若缺乏无功支撑,易导致电压偏差超标;合理配置无功控制,可优化系统电压分布。
5.2.2 电压波动与闪变
风速波动引发风电有功、无功波动,导致并网点及周边母线电压波动,渗透率越高、风速波动越大,电压闪变越严重。采用平滑功率控制、无功动态补偿,可有效抑制电压波动。
5.2.3 电压稳定性能
风电接入提升系统电压支撑能力时,可延缓电压失稳;若风机控制不当,故障期间无功支撑不足,易加剧电压崩溃风险。弱连接节点接入风电时,电压稳定裕度下降更显著。
5.3 对系统稳定性的影响
5.3.1 功角稳定性
风电与同步发电机动态特性差异大,高比例风电降低系统等效惯量,弱化同步转矩。低渗透率下,风电对功角稳定影响较小;渗透率超过临界值(约 15%-20%),同步发电机转子角振荡幅度增大、阻尼减弱,故障后振荡收敛速度变慢,甚至失稳。接入位置越远离同步电源,功角稳定裕度下降越明显。
5.3.2 小干扰稳定性
风电并网改变系统状态矩阵特征值,部分模式阻尼比降低,引发低频振荡。风机控制参数、变流器响应速度与同步发电机 PSS 参数不匹配时,易激发区域振荡模式,振荡频率集中在 0.2Hz-2Hz 区间。
5.3.3 暂态稳定性
电网故障期间,风机快速响应与同步发电机的机电暂态过程相互作用。DFIG 故障期间易出现转子过流、直流母线过压,若 LVRT 控制失效,风机脱网会加剧系统功率缺额,导致暂态稳定破坏;PMSG 全功率变流器隔离故障冲击,暂态响应更优,但高渗透率下仍会降低系统临界故障清除时间。
5.4 对频率响应的影响
传统系统频率调节依赖同步发电机调速系统,惯量大、响应平滑。风电为低惯量电源,常规控制不参与频率调节,导致系统频率自然惯量下降、频率变化率增大、最大频率偏差升高。风速波动引发功率突变时,系统频率波动加剧;高渗透率下,负荷突变或电源退出时,频率调节能力不足,易触发频率保护动作。
六、不同因素的对比分析
6.1 风机类型影响对比
DFIG 与 PMSG 对系统影响差异显著:DFIG 部分容量并网,故障期间与电网耦合强,易引发同步振荡,但无功调节成本低;PMSG 全功率解耦,风电波动与故障冲击对电网影响小,暂态稳定与电压支撑能力更强,但设备成本更高、损耗更大。
6.2 渗透率影响对比
低渗透率(≤10%):风电对系统潮流、电压、稳定影响微弱,可近似为常规扰动;中渗透率(10%-20%):潮流偏移、电压波动、稳定裕度下降逐步显现,需优化控制;高渗透率(≥20%):系统特性显著改变,稳定边界收缩,需配套无功补偿、惯量支撑等措施。
6.3 接入位置影响对比
发电机近端接入:对全网潮流、电压影响均衡,功角稳定影响较小,但压缩同步发电机调节空间;负荷近端接入:平抑局部负荷波动,降低输电损耗,但易引发局部电压越限;输电中间节点接入:潮流调节能力强,但电压波动与稳定问题更突出。
6.4 控制模式影响对比
常规控制:风机仅实现 MPPT,不参与系统调节,系统稳定与频率性能最差;无功控制:动态调节无功,优化电压分布,提升电压稳定;虚拟惯量 + 一次调频控制:模拟同步发电机惯量与调速特性,显著改善频率响应,增强系统阻尼。
七、系统优化与协调控制策略
7.1 风电无功优化控制
建立风电无功电压协调控制策略:正常运行时,风机按电压偏差调节无功,维持并网点电压恒定;故障期间,风机快速增发无功,支撑电网电压,满足 LVRT 要求;配置 SVG 与风机协同控制,平滑电压波动、提升电压稳定裕度。
7.2 频率协调控制
提出风电虚拟惯量与一次调频控制:风机预留备用容量,通过转速控制模拟同步发电机惯量响应,频率异常时快速调节有功输出;风电与同步发电机调速系统协调配合,高渗透率下分级分配调频任务,平抑频率波动、恢复频率稳定。
7.3 稳定提升控制策略
优化风机控制参数,增强与同步发电机的动态适配性;风机附加阻尼控制,抑制低频振荡;故障期间优化风机脱网判据,优先保障关键风机并网,配合系统保护装置,提升暂态稳定性能。
7.4 容量与接入位置优化
基于稳定裕度、网损、电压偏差多目标优化,确定风电最优渗透率与接入位置:中低渗透率优先选择负荷近端或输电中间节点,高渗透率优先选择发电机近端,配套储能系统平抑功率波动、提升系统调节能力。
八、结论与展望
8.1 研究结论
本文构建融入风机模块的改进 IEEE9 节点系统,系统分析风电并网的多维度影响,得出以下结论:(1)风电接入重构系统潮流分布,渗透率与接入位置直接决定潮流偏移幅度与波动特性;(2)风电可优化电压分布,但也易引发电压波动,合理无功控制是保障电压质量的关键;(3)高比例风电降低系统惯量与同步稳定裕度,渗透率超过 20% 时,功角与暂态稳定风险显著上升;(4)风机类型、控制模式对系统性能影响显著,PMSG 适配性优于 DFIG,附加频率与阻尼控制可有效提升系统性能;(5)通过无功协调、频率协同、稳定优化与接入方案优化,可缓解风电并网负面影响,保障系统安全稳定运行。
8.2 研究展望
未来可从三方面深化研究:一是拓展多类型新能源(风电 + 光伏 + 储能)协同接入 IEEE9 系统,研究多能互补特性;二是构建风机集群详细模型,考虑风机间尾流效应与集群控制,提升模型精度;三是结合新型控制技术(模型预测控制、强化学习),优化风电并网的自适应协调控制策略,适配更高比例新能源并网场景。
📚第二部分——运行结果



🎉第三部分——参考文献
文章中一些内容引自网络,会注明出处或引用为参考文献,难免有未尽之处,如有不妥,请随时联系删除。(文章内容仅供参考,具体效果以运行结果为准)
🌈第四部分——本文完整资源下载
资料获取,更多粉丝福利,MATLAB|Simulink|Python|数据|文档等完整资源获取

AtomGit 是由开放原子开源基金会联合 CSDN 等生态伙伴共同推出的新一代开源与人工智能协作平台。平台坚持“开放、中立、公益”的理念,把代码托管、模型共享、数据集托管、智能体开发体验和算力服务整合在一起,为开发者提供从开发、训练到部署的一站式体验。
更多推荐


所有评论(0)