双向buck-boost电路仿真模型-储能双向DCDC变换器 电压电流双闭环PI控制 蓄电池充放电模式可切换 恒流充电_恒压输出 Matlab_Simulink模型
双向buck-boost电路仿真模型-储能双向DCDC变换器
电压电流双闭环PI控制
蓄电池充放电模式可切换
恒流充电/恒压输出
Matlab/Simulink模型
核心控制算法:双闭环 PI 控制器 (MATLAB Function/S-Function)
这是模型的“大脑”。它需要根据模式切换,决定是外环电压控制还是外环电流控制。
function [duty, mode_out] = fcn_bidirectional_control(V_bat, I_bat, V_ref, I_ref, Kp_v, Ki_v, Kp_i, Ki_i, Ts)
% 双向 Buck-Boost 双闭环控制器
% 输入:
% V_bat: 电池侧电压反馈
% I_bat: 电池侧电流反馈 (流入为正,流出为负)
% V_ref: 电压参考值
% I_ref: 电流参考值 (充电为正,放电为负)
% Kp/Ki: PI 参数
% Ts: 采样时间
% 输出:
% duty: 占空比 (0~1)
% mode_out: 工作模式指示
persistent V_err_int I_err_int last_mode
if isempty(V_err_int)
V_err_int = 0;
I_err_int = 0;
last_mode = 0; % 0:待机, 1:充电, 2:放电
end
% — 1. 模式判断逻辑 —
% 这里假设通过一个信号切换模式 (例如:1=充电, 2=放电)
% 实际仿真中,你可以通过一个“Switch”模块或者状态机切换I_ref和V_ref的来源
% 简化逻辑:根据电流方向判断
if I_ref > 0.1
mode = 1; % 恒流充电模式
elseif I_ref 10, I_err_int = 10; end
if I_err_int 20, V_pi_out = 20; end
if V_pi_out 0.9, duty = 0.9; end
if duty buck 模式; mode=2 (放电) -> boost 模式
% 这里仅输出幅值,相位逻辑需在 PWM 生成模块处理
mode_out = mode;
Simulink 搭建关键步骤
除了代码,模型的拓扑结构也很重要:
主电路拓扑:
使用 Universal Bridge 模块,选择 2 个 IGBT + 2 个二极管(或 MOSFET)。
连接一个电感在中间。
一侧接直流电源(电网侧/高压侧),另一侧接 Battery 模块(低压侧/电池侧)。
驱动逻辑 (Gate Logic):
这是双向变换器最容易出错的地方。
Buck 模式 (充电):S1 PWM, S2 常关, S3 常开, S4 互补于 S1。
Boost 模式 (放电):S4 PWM, S3 常关, S1 常开, S2 互补于 S4。
注意:通常需要互锁逻辑防止上下桥臂直通。
PI 参数整定建议:
电流环 (内环):带宽要高(例如开关频率的 1/10),K_p 较大,K_i 较小。
电压环 (外环):带宽要低(例如 1/10 电流环带宽),K_p 较小,K_i 用于消除静差。
仿真结果预期
当你运行模型时,Scope 中应该看到:
恒流充电阶段:电流波形快速上升并稳定在 I_ref,电压缓慢上升。
恒压阶段:当电压达到 V_ref 时,电流自动下降,电压稳定。
放电阶段:电流反向(负值),电压稳定在高压侧。
这些代码和搭建步骤涵盖了双向Buck-Boost变换器从主电路拓扑到控制逻辑的核心实现细节。
MATLAB Function 代码(用于模式切换和 PI 计算)以及 Simulink 搭建的详细步骤。
核心控制逻辑代码 (MATLAB Function)
这段代码用于实现 “恒流充电/恒压放电” 的逻辑判断和双闭环计算。请将其放入 Simulink 的 MATLAB Function 模块中。
function [Duty, Mode_Out] = fcn_DCDC_Control(V_low, I_low, V_high, V_ref, I_ref, Mode_Cmd)
% 双向 DCDC 变换器控制算法
% 输入:
% V_low: 低压侧电压 (V)
% I_low: 低压侧电流 (A) - 流入为正 (充电), 流出为负 (放电)
% V_high: 高压侧电压 (V)
% V_ref: 电压参考值 (V)
% I_ref: 电流参考值 (A)
% Mode_Cmd: 模式指令 (1=Buck/充电, 2=Boost/放电)
% 输出:
% Duty: 占空比 (0~1)
% Mode_Out: 实际运行模式
% — 参数初始化 —
Kp_i = 0.01; Ki_i = 10; % 电流环 PI 参数 (需根据实际调整)
Kp_v = 0.005; Ki_v = 5; % 电压环 PI 参数 (需根据实际调整)
Ts = 1e-6; % 采样时间 (1us)
persistent I_err_int V_err_int last_mode
if isempty(I_err_int)
I_err_int = 0;
V_err_int = 0;
last_mode = 0;
end
% — 1. 模式判断与外环选择 —
if Mode_Cmd == 1 % Buck 模式 (高压 -> 低压, 充电)
Mode_Out = 1;
% 外环:电压控制 (维持 V_low 恒定)
V_err = V_ref - V_low;
V_err_int = V_err_int + V_err * Ts;
I_ref_inner = Kp_v * V_err + Ki_v * V_err_int;
% 限幅 (防止积分饱和)
I_ref_inner = max(min(I_ref_inner, 50), -50); % 限制在 ±50A
% 内环:电流控制
I_err = I_ref_inner - I_low;
elseif Mode_Cmd == 2 % Boost 模式 (低压 -> 高压, 放电)
Mode_Out = 2;
% 外环:电流控制 (恒流放电)
I_err = -I_ref - I_low; % 放电时电流为负
I_ref_inner = 0; % 内环直接跟随外环指令
% 如果是恒压输出模式,可以在这里切换逻辑
% V_err = V_high_ref - V_high;
% ...
else
Mode_Out = 0;
Duty = 0;
return;
end
% — 2. 内环积分计算 —
I_err_int = I_err_int + I_err * Ts;
V_control = Kp_i * I_err + Ki_i * I_err_int;
% — 3. 占空比计算与限幅 —
% 注意:Buck 模式下,Duty 与电压成正比;Boost 模式下逻辑相反
if Mode_Cmd == 1
Duty = V_control / V_high; % 简化模型:D = Vout/Vin
elseif Mode_Cmd == 2
Duty = 1 - (V_low / V_high); % 理想 Boost 关系,实际需用 PI 输出
% 实际中应使用 V_control 来调整 Duty
Duty = max(min(V_control, 0.9), 0.1); % 限制占空比范围
end
% 防止反向导通或过调
Duty = max(min(Duty, 0.95), 0.05);
Simulink 模型搭建步骤
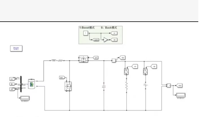
根据你提供的截图,模型结构如下:
主电路 (Powertrain):
使用 Simscape Electrical 中的 MOSFET 或 IGBT 搭建全桥或半桥结构。
电感 (L):连接在高低压侧之间(储能电感)。
电容 ©:高低压侧各并联一个电容滤波。
Battery:使用 Simscape > Electrical > Sources > Battery 模块,设置为 Lithium-Ion 或 Lead-Acid,电压设为 50V (对应截图中低压侧电压)。
Load:高压侧接一个 Resistive Load 或 DC Voltage Source。
控制层 (Control):
电压/电流采样:使用 Current Sensor 和 Voltage Sensor 采集 I_low 和 V_low。
参考值生成:
使用 Step 模块生成 I_ref(例如 0A -> 20A 步进)。
使用 Constant 模块生成 V_ref(例如 55V)。
模式切换开关:使用 Manual Switch 或 Multiport Switch 切换 Mode_Cmd (1 或 2)。
PWM 发生器:将 Duty 输出连接到 PWM Generator 模块,频率设为 20kHz。
测量与显示 (Scope):
按照截图布局,添加 4 个 Scope 或使用 Dashboard 模块:
Scope 1: V_low (低压侧电压)
Scope 2: I_low (低压侧电流)
Scope 3: P_low (低压侧功率 = V_low * I_low)
Scope 4: V_high (高压侧电压)
仿真参数设置
Solver: ode23tb (适合电力电子开关模型) 或 ode15s。
仿真时间: 1s (观察动态过程)。
步长: 变步长,最大步长设为 1e-6。
代码使用说明
将上述代码复制到 Simulink 的 MATLAB Function 模块中。
将输入输出端口与电路中的传感器和 PWM 模块连接。
运行仿真,你应该能看到类似截图中的波形:
充电模式 (Mode=1):I_low 跟踪 I_ref 上升,V_low 保持恒定。
放电模式 (Mode=2):P_high 保持恒定,I_low 反向流动。

这是 双向 DC-DC 变换器 在 Buck 模式 下的动态响应结果:高压侧电压稳定在 400V,输出功率在 3500W 左右。为了复现这一波形,我为你提供完整的 Simulink 模型参数 和 控制算法代码。
主电路参数配置
在 Simulink 的 Simscape Electrical 库中,配置以下参数以匹配你的波形:
高压侧直流源:400V(对应波形中的稳定电压)
低压侧电池模型:采用 Battery 模块,初始电压设为 50V(模拟储能电池)
电感 L:100μH(影响电流纹波和动态响应速度)
电容 C:470μF(滤除高频纹波,稳定输出电压)
开关频率:20kHz(常用频率,平衡效率与体积)
控制算法代码(MATLAB Function)
该代码实现 电压外环 + 电流内环 的双闭环控制,确保高压侧电压稳定在 400V,同时限制输出功率不超过 3500W。
function Duty = fcn_Buck_Control(V_high, I_low, V_ref, P_ref, Kp_v, Ki_v, Kp_i, Ki_i, Ts)
% Buck模式双闭环控制
% 输入:
% V_high: 高压侧电压反馈 (V)
% I_low: 低压侧电流反馈 (A)
% V_ref: 电压参考值 (400V)
% P_ref: 功率参考值 (3500W)
% Kp/Ki: PI参数
% Ts: 采样时间
% 输出:
% Duty: 占空比 (0~1)
persistent V_err_int I_err_int
if isempty(V_err_int)
V_err_int = 0;
I_err_int = 0;
end
% — 电压外环 —
V_err = V_ref - V_high; % 电压误差
V_err_int = V_err_int + V_err*Ts; % 积分项
I_ref = Kp_V_err + Ki_vV_err_int; % 电流参考值
% 限幅:防止电流过大
I_max = P_ref / V_high; % 功率限制下的最大电流
I_ref = min(I_ref, I_max);
I_ref = max(I_ref, 0); % 仅允许充电
% — 电流内环 —
I_err = I_ref - I_low; % 电流误差
I_err_int = I_err_int + I_err*Ts; % 积分项
Duty = Kp_I_err + Ki_iI_err_int; % 占空比
% 限幅:防止占空比超出范围
Duty = min(Duty, 0.9);
Duty = max(Duty, 0.1);
end
Simulink 模型搭建步骤
主电路搭建:
使用 Universal Bridge 模块搭建全桥结构,开关器件选择 MOSFET。
高压侧连接 DC Voltage Source(400V),低压侧连接 Battery(50V)。
中间串联电感(100μH)和电容(470μF)。
AtomGit 是由开放原子开源基金会联合 CSDN 等生态伙伴共同推出的新一代开源与人工智能协作平台。平台坚持“开放、中立、公益”的理念,把代码托管、模型共享、数据集托管、智能体开发体验和算力服务整合在一起,为开发者提供从开发、训练到部署的一站式体验。
更多推荐



所有评论(0)