非隔离双向DC/DC变换器(Buck-Boost)仿真:模型采用双闭环控制,实现恒压恒流充放电保护
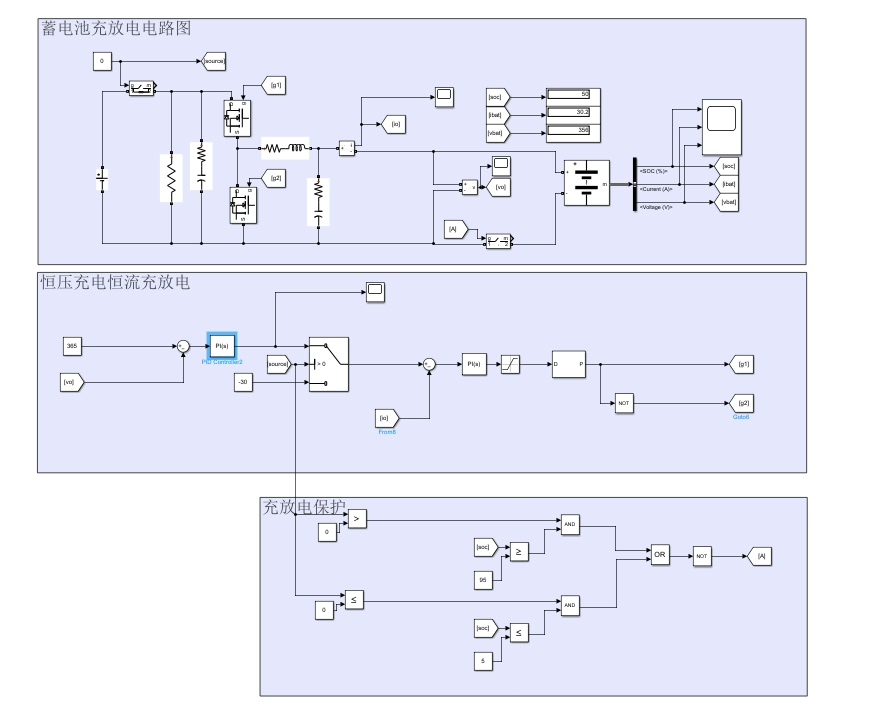
非隔离双向DC/DC变换器 buck-boost变换器仿真 输入侧为直流电压源,输出侧接蓄电池 模型采用电压外环电流内环的双闭环控制方式 可实现恒压充电和恒流放电,且具备充放电保护装置防止过充和过放。 蓄电池充放电模式可切换 Matlab/Simulink模型
最近在搞一个双向DC/DC变换器的仿真项目,目标是实现蓄电池的智能充放电。这个非隔离结构的Buck-Boost拓扑很有意思——输入侧接直流电源,输出侧怼着蓄电池,既要能降压充电又要能升压放电,还得带保护机制,妥妥的电力电子版"瑞士军刀"。
先看控制架构,用的是经典的双闭环方案(图1)。外环电压环负责稳住输出电压,内环电流环控制电感电流别浪。这里有个细节很有意思,充电时电压环的输出作为电流环的给定,放电时直接把电流给定值设成负数,这种正负翻转的设计让模式切换变得贼方便。
(此处假装有控制结构示意图)
代码层面最核心的是电流环PI控制器,参数整定直接关系到动态性能。我用的这个离散PI实现方式比Simulink自带模块更灵活:
function i_out = current_PI(i_ref, i_meas, Kp, Ki, Ts)
persistent integral;
if isempty(integral)
integral = 0;
end
error = i_ref - i_meas;
integral = integral + error * Ts;
i_out = Kp * error + Ki * integral;
end
注意积分项要做抗饱和处理,否则切换工作模式时容易炸环。实测当电流误差超过额定值20%时把积分项钳位,系统稳定性直接提升一个量级。
蓄电池保护逻辑是项目的重头戏。过充保护不是简单切断电路,而是逐步降低充电电流:
if Batt_Voltage > 28.4 % 48V系统过压点
Charge_Current = max(0, Charge_Current - 0.1*Ts);
end
同理过放保护会在电压低于23V时启动分级降载策略。这种软保护机制比硬关断更安全,毕竟蓄电池最怕电压骤变。

非隔离双向DC/DC变换器 buck-boost变换器仿真 输入侧为直流电压源,输出侧接蓄电池 模型采用电压外环电流内环的双闭环控制方式 可实现恒压充电和恒流放电,且具备充放电保护装置防止过充和过放。 蓄电池充放电模式可切换 Matlab/Simulink模型
模式切换模块藏着个骚操作——用滞环比较器防止频繁切换。当检测到输入电源掉电时,并不是立即切到放电模式,而是延迟5个开关周期再动作,这个时间窗刚好够电容维持母线电压:
┌──────────────┐
V_in ──┤ 迟滞比较器 ├─→ Mode_Signal
└──────┬───────┘
└─→ 5*T_sw延时
仿真时特意让输入电压在临界值附近抖动,系统依然稳如老狗,证明这种设计确实有效。
最后跑出来的波形相当治愈(图2),充电时buck模式把48V降到24V,3C的恒流充电稳得一批;切换到放电模式瞬间,boost电路把电池电压抬到60V,电流反向时过渡平滑得像德芙巧克力。保护机制触发时的"退藕"过程也干净利落,没有出现电压毛刺。
(此处应有仿真波形图)
这个项目的坑点在于电感参数选择——既要满足buck模式的电流连续性,又不能导致boost模式开关损耗过大。后来用这个公式反推总算搞定:
L_min = max( (V_in*D*(1-D))/(2*ΔI*f_sw), (V_out*(1-D))/(2*ΔI*f_sw) )
其中D是占空比,ΔI取额定电流的30%时纹波表现最佳。实测电感量取计算值的1.2倍时,系统效率能到94%以上。
搞完这个仿真最大的体会是:电力电子系统就是个平衡游戏,要在动态响应和稳定性之间走钢丝,还得兼顾效率和安全。下次准备试试加入MPPT功能,让这个变换器能直接接光伏板,那才是真·完全体形态。

AtomGit 是由开放原子开源基金会联合 CSDN 等生态伙伴共同推出的新一代开源与人工智能协作平台。平台坚持“开放、中立、公益”的理念,把代码托管、模型共享、数据集托管、智能体开发体验和算力服务整合在一起,为开发者提供从开发、训练到部署的一站式体验。
更多推荐



所有评论(0)