MATLAB Simulink无人机飞行模拟:从代码到天空的奇妙之旅
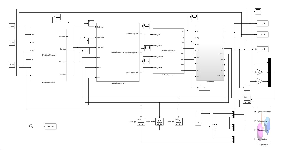
207.基于matlab Simulink的无人机模型模拟飞机飞行过程,具有GUI界面,可自行设置四旋翼飞行器结构参数,设有模拟仿真飞机动画。 程序运行步骤:1,将Copy_4_of_quadrotorsflyerGU.mdlI文件拖入matlab命令窗口;2,将GUI_Config.m文件运行即可,3、参数设置可使用默认参数,也可自行设置,点击开始即可。 程序已调通,可直接运行。
无人机飞行模拟:一场视觉与科技的盛宴
今天我们要聊一下基于MATLAB Simulink的无人机飞行模拟,这不仅仅是一个程序,更像是一段科技探索的旅程。想象一下,你坐在电脑前,只需简单的操作,就能让一架四旋翼无人机在虚拟的世界中翱翔,这听起来是不是有点酷?让我带大家一步步走进这个神奇的无人机模拟世界。
初识四旋翼飞行器:天空中的小小奇迹
在深入程序之前,先简单了解一下我们的主角——四旋翼飞行器。它是由四个旋翼组成的飞行器,通过调整每个旋翼的转速来实现飞行控制。与传统的直升机相比,四旋翼结构简单,稳定性强,非常适合在室内或小范围内进行飞行任务。

四旋翼飞行器的动力和控制依赖于四个旋翼的协同工作。通常,每个旋翼由独立的电机驱动,通过改变转速,可以调整飞行器的高度、飞行方向和速度。对于编程爱好者和研究人员来说,四旋翼飞行器是一个理想的实验平台,因为它的飞行控制算法相对简单,但又能很好地展示飞行器动力学的基本原理。
程序运行:从打开到飞行的每一步
现在,让我们开始动手实践。这个无人机模拟程序已经经过调试,可以直接运行,所以大家不用担心代码出错的问题。以下是运行步骤:
第一步:导入Simulink模型
在MATLAB命令窗口中,将Copy4of_quadrotorsflyerGU.mdl文件拖入。这个模型文件包含了四旋翼飞行器的动力学模型和控制算法。
% 确保将模型文件拖入MATLAB当前工作目录
addpath(pwd); % 添加当前路径到MATLAB搜索路径
第二步:运行GUI配置文件
运行GUI_Config.m文件,这个文件会启动图形用户界面(GUI),方便我们设置飞行器的参数和控制飞行模拟。
% 运行GUI配置文件
GUI_Config
第三步:参数设置与飞行
在GUI中,你可以选择使用默认参数,也可以根据需要调整飞行器的结构参数,例如电机速度范围、桨叶面积等。设置完成后,点击“开始”按钮,就可以启动飞行模拟。
% 示例参数设置
% 例如,调整电机最大转速
max_rpm = 6000; % 设置电机的最大转速为6000转/分钟
界面与参数:掌控飞行的每一刻
程序的图形用户界面(GUI)非常友好,所有的参数设置和控制按钮都一目了然。界面分为几个部分:
- 参数设置区:这里可以调整飞行器的物理参数,如电机转速、桨叶面积等。默认值已经调好,但如果你有足够的专业知识,也可以根据自己的需求调整。
- 控制按钮区:包括“开始”、“暂停”、“停止”等按钮,方便控制模拟的进程。
- 飞行状态显示区:实时显示飞行器的高度、速度等飞行状态参数。
- 动画窗口:动态显示飞行器的飞行过程,仿佛真的有一架无人机在你的屏幕上飞行。
仿真实验:感受飞行的每一个瞬间
当你点击“开始”按钮后,飞行模拟就会启动。在动画窗口中,你会看到飞行器从地面起飞,沿着预设的路线飞行,或者按照你的控制指令进行各种动作。飞行状态窗口则会实时更新飞行器的飞行参数,如高度、速度、姿态角等。
% 例:在飞行过程中,实时更新飞行状态
fprintf('飞行高度: %.2f 米\n', current_altitude);
fprintf('水平速度: %.2f 米/秒\n', current_velocity);
你可以通过调整参数来体验飞行器在不同条件下的表现。例如,增加电机的最大转速,飞行器会飞得更高更快;减少桨叶面积,飞行器可能会变得不够稳定。这些实验不仅增加了趣味性,还能帮助你更好地理解飞行器的动力学特性。
结语:探索科技,享受飞行的乐趣
通过这次简单的介绍,我相信你已经对基于MATLAB Simulink的无人机飞行模拟有了一个初步的了解。这个程序不仅是一个工具,更是一个窗口,让我们能够直观地了解四旋翼飞行器的工作原理,体验科技带来的乐趣。

207.基于matlab Simulink的无人机模型模拟飞机飞行过程,具有GUI界面,可自行设置四旋翼飞行器结构参数,设有模拟仿真飞机动画。 程序运行步骤:1,将Copy_4_of_quadrotorsflyerGU.mdlI文件拖入matlab命令窗口;2,将GUI_Config.m文件运行即可,3、参数设置可使用默认参数,也可自行设置,点击开始即可。 程序已调通,可直接运行。

如果你对无人机飞行控制感兴趣,不妨亲自运行一下这个程序,试着调整不同的参数,看看飞行器会有怎样的表现。也许在不久的将来,你就能开发出属于自己的无人机控制系统,让科技真正服务于我们的生活。
记住,科技的魅力在于实践与探索,希望这篇博文能激发你对无人机技术的兴趣,让你在编程与飞行的奇妙世界中,找到属于自己的乐趣。让我们一起,从代码到天空,开启一段新的科技探索之旅!
AtomGit 是由开放原子开源基金会联合 CSDN 等生态伙伴共同推出的新一代开源与人工智能协作平台。平台坚持“开放、中立、公益”的理念,把代码托管、模型共享、数据集托管、智能体开发体验和算力服务整合在一起,为开发者提供从开发、训练到部署的一站式体验。
更多推荐



所有评论(0)