三相共直流母线式光储VSG逆变器仿真探秘
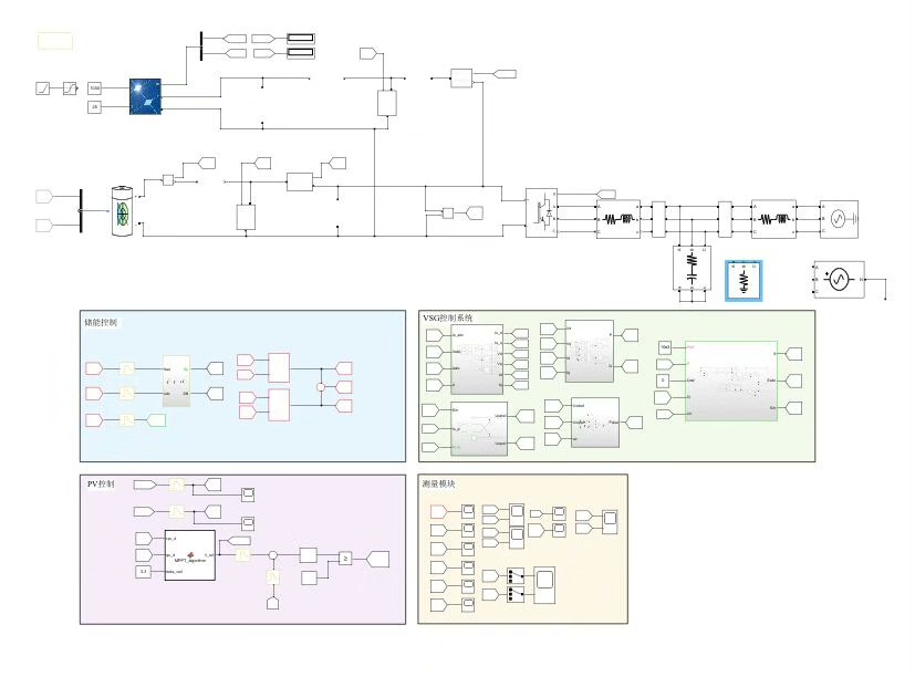
三相共直流母线式光储VSG/虚拟同步机/构网型/组网型逆变器 仿真内容: 包含前级光伏PV与Boost的扰动观察法最大功率追踪,共直流母线式储能Buck-boost变换器,采用电压电流双闭环控制。 三相VSG/虚拟同步机/构网型/组网型逆变器模型仿真,包含VSG功率外环,虚拟阻抗,电压电流双闭环。 采用离散化仿真方式,运行速度快。 注:系统并入380V交流电网,额定容量10kva,直流母线电压700V模型 包含一篇参考文献

在新能源领域,三相共直流母线式光储VSG(虚拟同步机)/构网型/组网型逆变器的研究愈发重要。今天咱就来唠唠与之相关的仿真内容。
仿真系统架构
整个系统要并入380V交流电网,额定容量为10kva ,直流母线电压设定在700V。这个系统主要由前级光伏PV与Boost、共直流母线式储能Buck - boost变换器以及三相VSG逆变器这几大部分组成。
前级光伏PV与Boost的MPPT
前级光伏PV与Boost采用扰动观察法进行最大功率追踪(MPPT)。这就好比你在迷宫里找出口,扰动观察法就是不断试探不同方向,找到功率最大的那个“出口”。

下面简单用Python代码示意下扰动观察法的思路(实际在电力系统仿真中会用更专业的语言和库,这里只为演示逻辑):
# 初始设定
voltage = 10 # 假设初始电压
power = 100 # 假设初始功率
step_size = 0.1 # 电压扰动步长
while True:
new_voltage = voltage + step_size
new_power = calculate_power(new_voltage) # 假设存在这个计算功率的函数
if new_power > power:
voltage = new_voltage
power = new_power
step_size = step_size
else:
step_size = -step_size
在上述代码中,先设定一个初始电压和功率,然后以固定步长去扰动电压,计算新的功率。如果新功率比原来大,就继续沿这个方向扰动;如果小了,就改变扰动方向。这样不断循环,让系统尽量运行在最大功率点附近。
共直流母线式储能Buck - boost变换器
共直流母线式储能Buck - boost变换器采用电压电流双闭环控制。这种控制方式就像是给变换器安装了两个“管家”,一个管电压,一个管电流,确保变换器稳定运行。

以Matlab/Simulink为例,搭建这个双闭环控制的模型。首先,电压环用于维持直流母线电压稳定,电流环则对充电和放电电流进行精确控制。
三相VSG逆变器
三相VSG逆变器模型仿真也不简单,它包含VSG功率外环,虚拟阻抗,还有电压电流双闭环。

三相共直流母线式光储VSG/虚拟同步机/构网型/组网型逆变器 仿真内容: 包含前级光伏PV与Boost的扰动观察法最大功率追踪,共直流母线式储能Buck-boost变换器,采用电压电流双闭环控制。 三相VSG/虚拟同步机/构网型/组网型逆变器模型仿真,包含VSG功率外环,虚拟阻抗,电压电流双闭环。 采用离散化仿真方式,运行速度快。 注:系统并入380V交流电网,额定容量10kva,直流母线电压700V模型 包含一篇参考文献

VSG功率外环模仿同步发电机的功率调节特性,让逆变器像一台真正的发电机一样对外输出功率。虚拟阻抗则可以改善逆变器输出电能的质量,抑制谐波等问题。

下面用一段简单的C代码片段来示意VSG功率外环计算功率的部分逻辑(同样,实际应用要复杂得多):
// 假设已有相关参数定义
float omega = 1; // 角频率
float P_ref = 100; // 功率参考值
float P = 0; // 实际功率
// 简单的VSG功率计算
P = P_ref + kp * (omega - omega_nom) + ki * integral;
// kp、ki 为比例积分系数,omega_nom为额定角频率,integral为积分项
这段C代码简单展示了如何根据参考功率、角频率偏差等因素来计算实际输出功率。
离散化仿真优势
此次仿真采用离散化仿真方式,它最大的好处就是运行速度快。就像把一条长长的路分成一段段小的,然后一段段快速跑完。离散化能把连续的系统在时间上进行分割,这样计算机处理起来负担小,速度自然就快了。
参考文献
[1] 《三相共直流母线式光储系统虚拟同步机控制策略研究》,作者[具体姓名],发表于[具体期刊],[发表年份]
通过这次对三相共直流母线式光储VSG逆变器仿真内容的探讨,希望能让大家对这类新能源系统有更深入的理解,在实际应用和研究中有所帮助。
AtomGit 是由开放原子开源基金会联合 CSDN 等生态伙伴共同推出的新一代开源与人工智能协作平台。平台坚持“开放、中立、公益”的理念,把代码托管、模型共享、数据集托管、智能体开发体验和算力服务整合在一起,为开发者提供从开发、训练到部署的一站式体验。
更多推荐



所有评论(0)