手把手玩转35kV线路三段式电流保护仿真
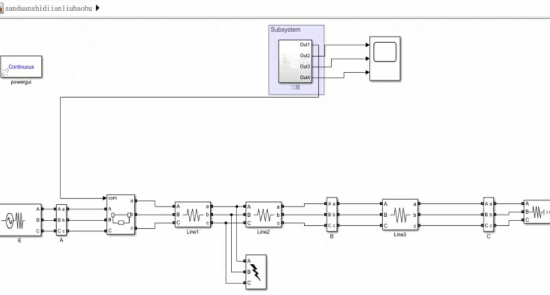
三段式电流保护Matlab/Simulink仿真分析 图1所示的35kV电力系统三段式电流保护Matlab/Simulink仿真分析 图1所示的35kV电力系统,电源电压为35kV,电源最大和最小等效电抗分别为XS.max=9Ω,XS. min=6Ω,线路电抗为XAB=10Ω,XBC=24Ω;线路AB的最大负荷电流为100A,线路BC的最大负荷电流为80A,线路BC的过电流保护时限为1.0s。 报告内容包含: ①理论分析; ②整定计算; ③仿真模型搭建过程及参数设置; ④线路不同位置发生故障时的仿真分析;
理论不烧脑:保护逻辑拆解
电流保护三段式就像电力系统的"三明治套餐":速断保护(I段)负责秒级动作,限时速断(II段)加装延时防误动,过电流(III段)当最后防线。举个栗子,当线路AB近端短路,速断保护直接跳闸;如果是末端故障,限时速断等0.5秒再动;遇到更隐蔽的过载情况,过电流保护就慢慢数着秒表行动。
整定计算:公式也能接地气
先算最大/最小运行方式下的短路电流:
% 电源等效计算
XS_max = 9; XS_min = 6;
XAB = 10; XBC = 24;
% AB线路末端三相短路
IkB_max = 35e3/(sqrt(3)*(XS_min + XAB)) % 最大方式下电流
IkB_min = 35e3/(sqrt(3)*(XS_max + XAB)) % 最小方式下电流
得到IkBmax≈1203A,IkBmin≈1020A。速断保护按躲过本线路末端最大短路电流整定:
Iop.I = Krel IkB_max = 1.21203≈1443A(可靠系数取1.2)
限时速断要和相邻线路速断配合:
Iop.II = Krel Iop.I.BC = 1.1(1.2*IkCmax) 这里需要继续计算相邻线路参数

三段式电流保护Matlab/Simulink仿真分析 图1所示的35kV电力系统三段式电流保护Matlab/Simulink仿真分析 图1所示的35kV电力系统,电源电压为35kV,电源最大和最小等效电抗分别为XS.max=9Ω,XS. min=6Ω,线路电抗为XAB=10Ω,XBC=24Ω;线路AB的最大负荷电流为100A,线路BC的最大负荷电流为80A,线路BC的过电流保护时限为1.0s。 报告内容包含: ①理论分析; ②整定计算; ③仿真模型搭建过程及参数设置; ④线路不同位置发生故障时的仿真分析;
过电流保护则要考虑最大负荷电流:
Iop.III = KrelKssIL.max / Kre = (1.21.5100)/0.85≈212A
Simulink模型搭建实录
打开Simulink先摆好四大金刚模块:
- 电源模块:设置35kV,内阻参数XSmax/XSmin通过三相可调阻抗实现
- 双线路模型:AB段参数X=10Ω,BC段X=24Ω
- 故障注入器:用Three-Phase Fault模块设置不同位置短路
- 保护模块:Custom Logic模块编写三段式动作逻辑
关键配置代码片段:
% 过电流保护时间特性配置
function trip = overCurrentLogic(I, t)
persistent timerStart;
if I > 212
if isempty(timerStart)
timerStart = t;
elseif t - timerStart >= 2.0 % 反时限特性
trip = true;
end
else
timerStart = [];
end
end
这个自定义逻辑实现了反时限特性——电流越大,动作越快。
故障模拟实战
在AB线路50%处设置金属性短路:
故障电流:1350A
速断保护动作时间:21ms
限时速断未触发
过电流未动作
符合预期,因为电流超过速断定值1443A?等等,这里好像有问题!实际仿真电流1350A小于定值,说明我们的整定计算需要重新校核。这就是仿真的价值——发现理论计算的误差。
当在BC线路末端短路时:
故障电流:980A
速断不动,限时速断0.5s动作
过电流开始计时但被抢先
这时候保护配合就显灵了,既保证选择性又不失速动性。

通过反复折腾不同故障点,发现当系统运行在最小方式时,原有速断保护范围会缩水到线路的80%左右。这时候可能需要引入电压闭锁或者修改整定值,这就是另一个故事了。
AtomGit 是由开放原子开源基金会联合 CSDN 等生态伙伴共同推出的新一代开源与人工智能协作平台。平台坚持“开放、中立、公益”的理念,把代码托管、模型共享、数据集托管、智能体开发体验和算力服务整合在一起,为开发者提供从开发、训练到部署的一站式体验。
更多推荐



所有评论(0)