探索Matlab/Simulink污水废水处理仿真基准模型BSM1
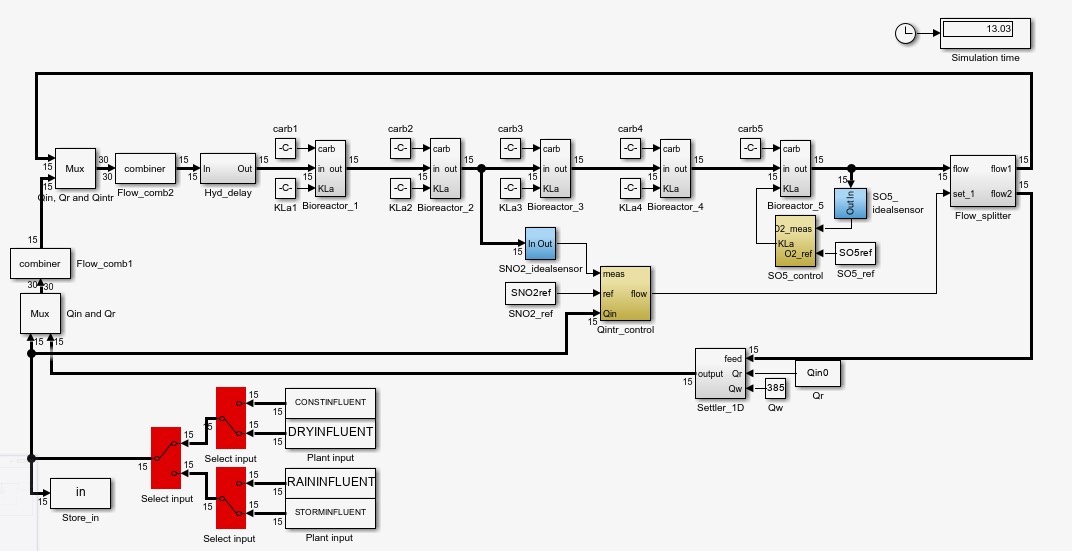
Matlab/simulink污水废水处理仿真基准模型BSM1 COST 是“欧盟科学技术合作组织”的简称,其英文全称是“European Co-operation in the field of Scientific and Technical Research”。 BSM1所用的过程模型是已被认可的活性污泥一号模型(ASM1)和双指数沉淀速度模型。 带14天晴天、阴天、雨天数据。

在污水处理的研究领域,Matlab/Simulink的污水废水处理仿真基准模型BSM1可谓是一颗璀璨之星。今天咱就来唠唠这个有趣又实用的模型。
一、BSM1背后的“大佬”组织 - COST
首先得提到COST,它是“欧盟科学技术合作组织”,英文全称“European Co-operation in the field of Scientific and Technical Research” 。这个组织在推动科学技术合作交流方面那可是功不可没,BSM1能诞生和发展,背后离不开COST的支持与推动。
二、BSM1的核心模型
BSM1采用的过程模型是活性污泥一号模型(ASM1)和双指数沉淀速度模型,这俩模型可以说是BSM1的“左膀右臂”。
(一)活性污泥一号模型(ASM1)
ASM1 被广泛认可,它主要描述了活性污泥系统中微生物代谢和底物去除的过程。简单来说,它把污水中各种成分,像溶解性易生物降解底物、慢速生物降解底物等,以及微生物菌群,通过一系列生化反应联系起来。在Matlab里,可以用一些函数和模块来模拟这些反应过程。例如,我们假设有一个简单的函数来计算底物的降解速率:
function degradation_rate = substrate_degradation(substrate_concentration, rate_constant)
degradation_rate = rate_constant * substrate_concentration;
end
这里substrateconcentration就是底物浓度,rateconstant是降解速率常数。这个函数只是简单示意,实际的ASM1模型要复杂得多,涉及到多种底物和微生物之间的相互作用,但原理类似,通过数学公式来模拟生化反应。
(二)双指数沉淀速度模型
这个模型用于描述沉淀过程中颗粒的沉降速度。沉淀在污水处理里是很关键的一步,能把固体和液体分离开来。双指数模型考虑了不同粒径颗粒的沉降特性。同样在Matlab里可以通过代码模拟这个过程:
function settling_velocity = double_exponential_settling(diameter, parameter1, parameter2)
settling_velocity = parameter1 * exp(-parameter2 * diameter);
end
这里diameter是颗粒直径,parameter1和parameter2是模型参数,通过调整这些参数可以更准确地模拟不同情况下的沉淀速度。
三、数据加持 - 14天晴、阴、雨天数据
BSM1带有14天晴天、阴天、雨天的数据,这些数据可太重要了。不同天气条件下,污水的水质和水量可能会有很大变化。比如说雨天,可能会有更多的地表径流进入污水系统,导致污水量增加,水质成分也有所改变。在Matlab/Simulink仿真中,可以利用这些数据来设置不同的输入条件,观察模型的响应。
% 假设我们有一个结构体存储不同天气的数据
weather_data.晴天 = [data1_晴天, data2_晴天,...];
weather_data.阴天 = [data1_阴天, data2_阴天,...];
weather_data.雨天 = [data1_雨天, data2_雨天,...];
% 根据不同天气选择数据进行仿真
current_weather = '雨天';
if strcmp(current_weather, '晴天')
input_data = weather_data.晴天;
elseif strcmp(current_weather, '阴天')
input_data = weather_data.阴天;
elseif strcmp(current_weather, '雨天')
input_data = weather_data.雨天;
end
通过这样的代码,我们就能轻松根据当前设定的天气情况,选择对应的污水数据输入到BSM1模型中,看看在不同条件下污水处理的效果如何。

Matlab/simulink污水废水处理仿真基准模型BSM1 COST 是“欧盟科学技术合作组织”的简称,其英文全称是“European Co-operation in the field of Scientific and Technical Research”。 BSM1所用的过程模型是已被认可的活性污泥一号模型(ASM1)和双指数沉淀速度模型。 带14天晴天、阴天、雨天数据。

总的来说,Matlab/Simulink的BSM1模型,凭借背后组织的支持、强大的核心模型以及丰富的数据,为污水废水处理的研究和仿真提供了一个非常有力的工具,值得我们深入探索。
AtomGit 是由开放原子开源基金会联合 CSDN 等生态伙伴共同推出的新一代开源与人工智能协作平台。平台坚持“开放、中立、公益”的理念,把代码托管、模型共享、数据集托管、智能体开发体验和算力服务整合在一起,为开发者提供从开发、训练到部署的一站式体验。
更多推荐


所有评论(0)