光伏超级电容与蓄电池混合储能系统能量管理仿真探索
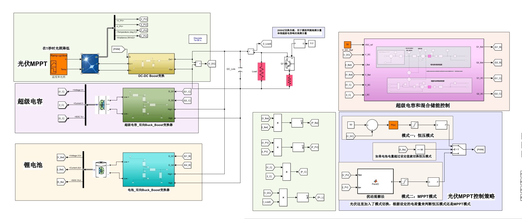
光伏超级电容与蓄电池混合储能系统能量管理仿真 仿真模型+参考文献+注释 [1]光伏Boost:MPPT采用扰动观察法实现最大功率跟踪,拓扑采用Boost变换器 [2]蓄电池响应低频:采用电压外环电流内环控制,其中电流内环的给定经过低通滤波器得到,只响应低频功率,因此电池持续输出或者吸收功率 [3]超级电容响应高频:其中电流给定是由直流电压外环产生参考电流的高频分量,因此只有在系统突变的时候有高频分量才响应。 混合储能系统均采用双向buck-boost变换器 仿真工况: ①额外加一个200HZ投切负载,用于模拟网侧高频分量体现超级电容响应高频分量 ②在一秒的时候光照降低,模拟系统扰动

在当今追求可持续能源的时代,光伏超级电容与蓄电池混合储能系统因其高效的能量管理特性备受关注。今天咱们就来深入探讨一下这个系统的能量管理仿真,顺便聊聊其中涉及的仿真模型、参考文献以及注释等内容。
一、光伏Boost模块
光伏Boost环节中,MPPT(最大功率点跟踪)采用扰动观察法来实现最大功率跟踪,拓扑则采用Boost变换器。这就好比给光伏系统装上了一个智能调节器,让光伏板能在各种复杂环境下尽可能高效地发电。

下面是一个简单的用Python模拟扰动观察法的代码示例(实际在硬件或专业仿真软件中会更复杂):
# 假设初始电压和功率
voltage = 10
power = 100
step_size = 0.1
direction = 1
while True:
new_voltage = voltage + step_size * direction
# 这里模拟新电压下的功率计算,实际需要根据光伏板特性曲线来
new_power = new_voltage * (20 - new_voltage)
if new_power > power:
power = new_power
voltage = new_voltage
direction = 1
else:
direction = -1
new_voltage = voltage + step_size * direction
new_power = new_voltage * (20 - new_voltage)
if new_power > power:
power = new_power
voltage = new_voltage
# 这里可以添加一个结束条件,比如达到稳定状态
在这段代码里,我们通过不断改变电压(step_size 控制步长),并比较改变电压后的功率和当前功率。如果新功率更大,就沿着这个方向继续改变电压;如果新功率变小,就改变方向。如此反复,最终找到最大功率点对应的电压。
二、蓄电池与超级电容的分工
(一)蓄电池响应低频
蓄电池采用电压外环电流内环控制,这里面电流内环的给定经过低通滤波器得到,这就使得它只响应低频功率,所以电池可以持续输出或者吸收功率。想象一下,蓄电池就像一个沉稳的“大水库”,负责应对那些缓慢变化的能量需求。
(二)超级电容响应高频
超级电容的电流给定是由直流电压外环产生参考电流的高频分量,所以只有在系统突变的时候,当高频分量出现它才响应。这就好比超级电容是一个灵活的“小水闸”,专门处理那些突发的能量变化。在系统里,混合储能系统均采用双向buck - boost变换器,这种变换器就像是一个智能的能量搬运工,根据蓄电池和超级电容的不同需求,灵活地搬运能量。
三、仿真工况
(一)模拟网侧高频分量
额外加一个200HZ投切负载,这就像是给系统时不时地来点“小刺激”,通过这种方式来模拟网侧高频分量,进而体现超级电容响应高频分量的能力。在专业的仿真软件(如MATLAB/Simulink)中,可以这样搭建这个部分的模型:
- 先创建一个200HZ的信号源模块,用来产生周期性的投切信号。
- 将这个信号连接到一个负载模块上,通过信号控制负载的投切。
- 观察超级电容在负载投切瞬间的电流、电压变化,以此分析其对高频分量的响应。
(二)模拟系统扰动
在一秒的时候光照降低,这就如同现实中突然来了一片乌云遮住了太阳,模拟了系统扰动。在仿真软件里,我们可以通过设置光照强度的变化时间点和变化幅度来实现这个工况。例如在MATLAB/Simulink中,可以使用一个阶跃信号模块,设置在1秒时发生阶跃变化,降低光照强度的模拟值,然后观察整个混合储能系统各部分的响应,像光伏板输出功率的变化,蓄电池和超级电容如何协同应对这种功率突变等等。

光伏超级电容与蓄电池混合储能系统能量管理仿真 仿真模型+参考文献+注释 [1]光伏Boost:MPPT采用扰动观察法实现最大功率跟踪,拓扑采用Boost变换器 [2]蓄电池响应低频:采用电压外环电流内环控制,其中电流内环的给定经过低通滤波器得到,只响应低频功率,因此电池持续输出或者吸收功率 [3]超级电容响应高频:其中电流给定是由直流电压外环产生参考电流的高频分量,因此只有在系统突变的时候有高频分量才响应。 混合储能系统均采用双向buck-boost变换器 仿真工况: ①额外加一个200HZ投切负载,用于模拟网侧高频分量体现超级电容响应高频分量 ②在一秒的时候光照降低,模拟系统扰动

通过对光伏超级电容与蓄电池混合储能系统能量管理的仿真,我们能更好地理解这个系统在不同工况下的运行特性,为实际应用提供有力的理论支持和技术指导。希望今天的分享能让大家对这个有趣又实用的领域有更深的认识!

以上内容中的代码只是简单示意,实际仿真中会结合具体仿真软件和更精确的模型进行构建。同时,参考文献可根据实际研究引用的学术资料进行添加,这里暂未详细列出,大家在实际研究时记得找相关领域权威文献做支撑哦。




AtomGit 是由开放原子开源基金会联合 CSDN 等生态伙伴共同推出的新一代开源与人工智能协作平台。平台坚持“开放、中立、公益”的理念,把代码托管、模型共享、数据集托管、智能体开发体验和算力服务整合在一起,为开发者提供从开发、训练到部署的一站式体验。
更多推荐


所有评论(0)