三相PWM整流器的闭环仿真探索
三相PWM整流器 三相PWM整流器闭环仿真,电压电流双闭环控制,输出直流电压做外环 模型中包含主电路,坐标变换,电压电流双环PI控制器,PWM发生器 matlab/simulink模型
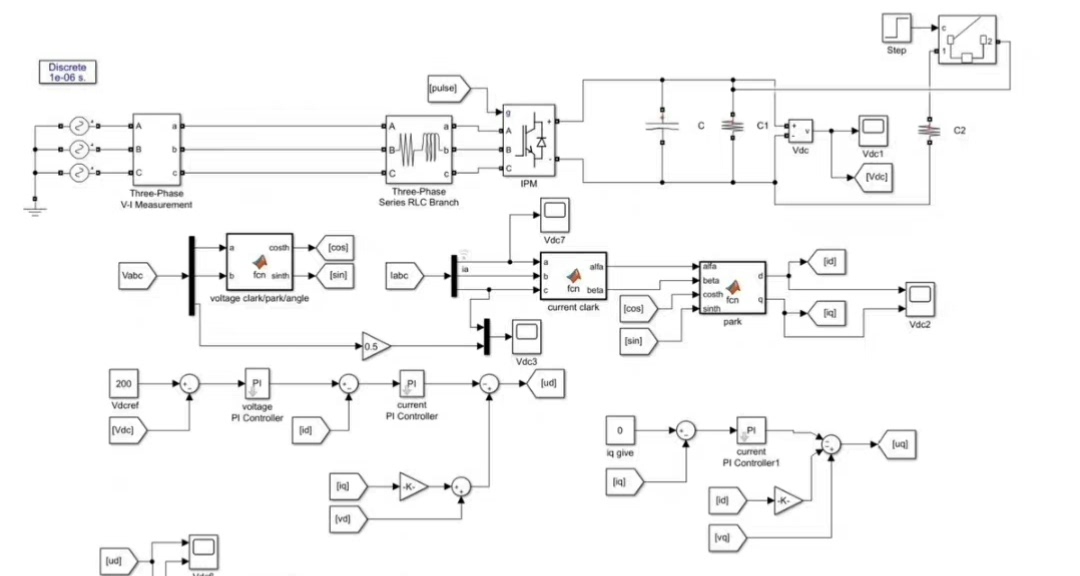
在电力电子领域,三相PWM整流器因其能够实现能量双向流动、单位功率因数运行等优点,备受关注。今天咱们就来聊聊三相PWM整流器的闭环仿真,尤其是电压电流双闭环控制,这种控制策略将输出直流电压作为外环。
模型构成
主电路
主电路是三相PWM整流器的核心部分,它一般由三相交流电源、滤波电感、三相全桥变换器以及直流侧电容和负载组成。三相交流电源提供输入电能,滤波电感用于抑制电流的突变,三相全桥变换器实现了交流到直流的转换,直流侧电容起到稳定直流电压的作用,负载则消耗电能。
坐标变换
坐标变换在三相PWM整流器中扮演着关键角色。常用的是abc - dq0变换,将三相静止坐标系下的物理量转换到同步旋转坐标系下,便于控制。在Matlab/Simulink中,实现abc - dq0变换的代码片段如下(这里以简单的公式示意代码逻辑):
% 假设abc为三相静止坐标系下的电流值
abc = [ia; ib; ic];
alpha_beta = [1 -1/2 -1/2; 0 sqrt(3)/2 -sqrt(3)/2; 1/2 1/2 1/2] * abc;
theta = omega * t; % omega为角频率,t为时间
dq0 = [cos(theta) sin(theta) 0; -sin(theta) cos(theta) 0; 0 0 1] * alpha_beta;
这段代码先将abc坐标系下的量转换到alpha - beta坐标系,再根据当前的角度theta转换到dq0坐标系。这样在dq0坐标系下,交流量就变成了直流量,方便后续PI控制器的设计。
电压电流双环PI控制器
电压电流双闭环控制策略中,外环为直流电压环,内环为交流电流环。
- 电压外环PI控制器:它的作用是根据给定的直流电压与实际输出的直流电压的差值,通过PI调节,输出交流电流的给定值。Matlab实现代码大概如下:
% 定义PI参数
Kp_v = 0.5;
Ki_v = 0.1;
e_v = V_dc_ref - V_dc; % V_dc_ref为直流电压给定值,V_dc为实际直流电压
i_d_ref = Kp_v * e_v + Ki_v * integral(e_v); % 积分环节可使用Matlab自带积分函数实现
- 电流内环PI控制器:将电压外环输出的交流电流给定值与实际交流电流值的差值进行PI调节,输出控制信号给PWM发生器。代码示例:
% 定义PI参数
Kp_i = 0.2;
Ki_i = 0.05;
e_i = i_d_ref - i_d; % i_d为实际的d轴电流
u_d = Kp_i * e_i + Ki_i * integral(e_i);
通过这两个PI控制器的配合,能够实现对三相PWM整流器输出电压和电流的精确控制。
PWM发生器
PWM发生器根据电流内环PI控制器输出的控制信号,生成相应的PWM波,来控制三相全桥变换器中功率开关管的导通与关断。在Matlab/Simulink中,有现成的PWM模块可以使用,设置好载波频率、调制比等参数,就能方便地生成PWM波。比如载波频率设置为10kHz,调制比根据实际控制需求进行调整。
Matlab/Simulink模型搭建
在Matlab/Simulink中搭建上述模型时,首先将各个模块按照逻辑关系连接起来。主电路部分连接好电源、电感、全桥等组件;坐标变换模块可以使用Simulink自带的坐标变换库;PI控制器可以通过自定义函数或者使用Simulink的PID Controller模块来实现;PWM发生器则使用对应的PWM模块。连接完成后,设置好各个模块的参数,就可以进行仿真了。

三相PWM整流器 三相PWM整流器闭环仿真,电压电流双闭环控制,输出直流电压做外环 模型中包含主电路,坐标变换,电压电流双环PI控制器,PWM发生器 matlab/simulink模型
通过这样一个三相PWM整流器的闭环仿真模型,我们可以深入研究其在不同工况下的性能表现,比如负载变化、电网电压波动等情况下,直流输出电压和交流输入电流的响应情况,从而为实际工程应用提供有力的理论支持和技术参考。希望大家也能动手搭建一下这个有趣的模型,探索电力电子世界的奇妙!

AtomGit 是由开放原子开源基金会联合 CSDN 等生态伙伴共同推出的新一代开源与人工智能协作平台。平台坚持“开放、中立、公益”的理念,把代码托管、模型共享、数据集托管、智能体开发体验和算力服务整合在一起,为开发者提供从开发、训练到部署的一站式体验。
更多推荐



所有评论(0)