搞过电机控制的都知道,调PI参数能让人头秃。今天咱们来拆解一个能自动整定电流环参数的Simulink仿真模型,手把手看它怎么把玄学变成科学
FOC电流环PI参数自整定Simulink仿真模型 PI参数自整定的原理参考知乎文章,链接如下: https://zhuanlan.zhihu.com/p/454914546 该模型特点: 1.使用电机模型传感器输出的角度和速度进行有感FOC控制,可以说是FOC控制的最小系统。 2.可以在该最小系统上升级控制算法,使用无传感器控制。 3.模型采用标幺值系统,可以在M文件中根据电机实际参数自定义调整。 4.电机模块采用离散式步长仿真,与实际结果较为接近。 5.所有模块都做到了模块化,各个模块分区清楚,结构清晰。 6.所有电机和控制参数均在m文件中体现,随用随改。 7.电流环PI参数均实现自动整定,分串联式和并联式两种。 8.施加负载Torque随转速平方次增加,模拟风机类负载特点。 9.包括 dq 轴电流设定值产生模块,控制方式自适应内嵌式电机(MTPA)和表贴式电机(Id =0)。 10.包括速度环整定的模块。
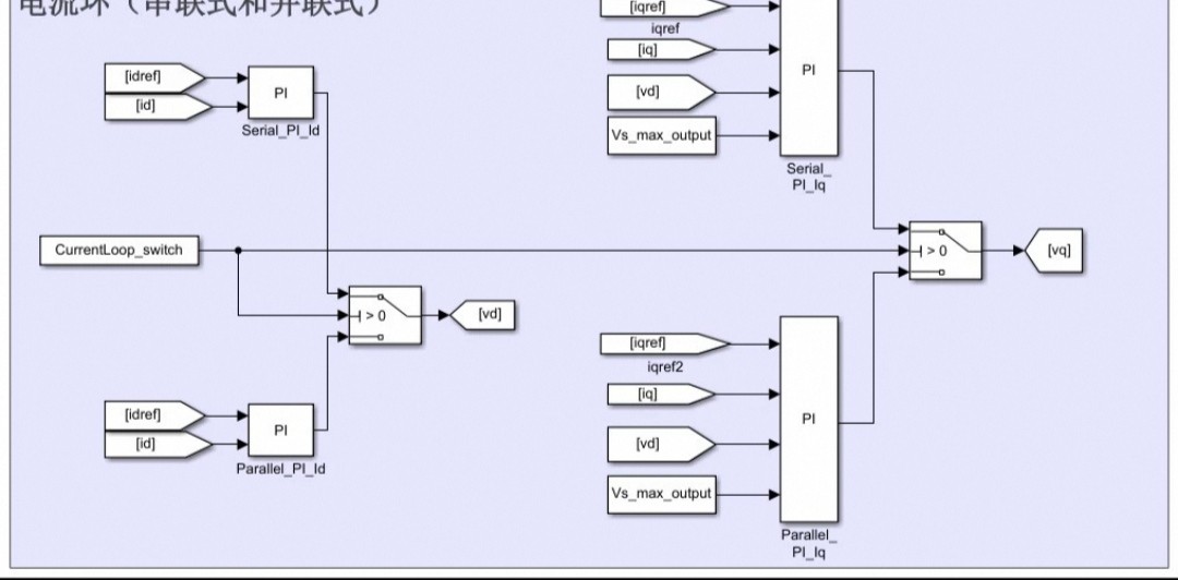
先看模型架构(特点1/5),整个系统像搭乐高似的分成四层:最底层是电机本体和逆变器,往上依次是坐标变换层、电流环层、速度环层。每个模块都用醒目的淡黄色标注功能,连线清爽得像地铁线路图。特别是那个"Current reference generation"模块(特点9),内置了两种玩法——按MTPA策略给内嵌式永磁电机发指令,或是用Id=0控制表贴式电机,切换时就像换游戏皮肤一样方便。

标幺值系统(特点3)是这里的老司机,m文件里藏着乾坤:
% 电机本体参数标幺化
Ld_pu = Ld / Z_base;
Lq_pu = Lq / Z_base;
psi_f_pu = psi_f / Flux_base;
这套操作让模型能适配不同功率的电机,好比给系统装了个万能适配器。实际使用时只要在m文件里填上电机的真实参数,系统会自动完成单位转换,比超市自助结账还智能。
重点来了——自整定模块(特点7)。模型里藏着两种PI结构:串联式像流水线作业,先积分后比例;并联式则是双车道并行。看这段自动整定代码:
% 并联PI参数计算
Kp = 2*pi*BW*Ld/Vdc;
Ki = R/Ld;
这里把带宽BW作为旋钮,调大就是让电流响应更快。但别嗨过头,实际调试时会发现带宽超过1/5开关频率就开始作妖,这时候仿真波形抖得跟心电监护仪似的。

负载模块(特点8)模拟风机特性,Torque = k*ω²的设定挺走心。对应Simulink里用Math Function模块做平方运算,后面接个Gain模块调系数k。想改成恒转矩负载?直接把平方模块bypass就行,比手机换壁纸还简单。
FOC电流环PI参数自整定Simulink仿真模型 PI参数自整定的原理参考知乎文章,链接如下: https://zhuanlan.zhihu.com/p/454914546 该模型特点: 1.使用电机模型传感器输出的角度和速度进行有感FOC控制,可以说是FOC控制的最小系统。 2.可以在该最小系统上升级控制算法,使用无传感器控制。 3.模型采用标幺值系统,可以在M文件中根据电机实际参数自定义调整。 4.电机模块采用离散式步长仿真,与实际结果较为接近。 5.所有模块都做到了模块化,各个模块分区清楚,结构清晰。 6.所有电机和控制参数均在m文件中体现,随用随改。 7.电流环PI参数均实现自动整定,分串联式和并联式两种。 8.施加负载Torque随转速平方次增加,模拟风机类负载特点。 9.包括 dq 轴电流设定值产生模块,控制方式自适应内嵌式电机(MTPA)和表贴式电机(Id =0)。 10.包括速度环整定的模块。

速度环整定(特点10)更是骚操作——它把电流环等效成一阶惯性环节,然后用模 optimum 准则计算速度环PI。来看m文件里的魔法:
% 速度环带宽设为电流环的1/10
BW_spd = BW_current / 10;
Kp_spd = J*2*pi*BW_spd;
Ki_spd = Kp_spd*BW_spd/5;
这个十分之一带宽的经验法则,就像老厨师撒把盐——说不清道理但就是好用。不过要注意,这里的J是折算到标幺值的转动惯量,新手容易在这里翻车。
离散化处理(特点4)让仿真更贴近真实数字控制器,固定步长设成50us时,波形里会出现预期中的小台阶。对比ODE45求解器的丝滑曲线,这个反而更有工程味儿——毕竟现实中的DSP可不会帮你做连续积分。

升级无感控制(特点2)的扩展性藏在模型架构里。把位置观测器模块像U盘一样插到速度反馈回路,再把机械传感器模块拔掉,瞬间变身无感系统。不过这时候带宽要调低些,毕竟观测器总有延迟,就像戴着口罩跑步不能太猛。
最后说个踩坑指南:自整定前务必检查m文件里的Vdc参数是否和实际直流母线电压一致。有次我整定后电流震荡得像蹦迪,查了半天发现是这里填了600V而实际用500V,PI参数过冲了20%。这就好比按姚明的尺寸买鞋,结果脚是郭敬明的...
AtomGit 是由开放原子开源基金会联合 CSDN 等生态伙伴共同推出的新一代开源与人工智能协作平台。平台坚持“开放、中立、公益”的理念,把代码托管、模型共享、数据集托管、智能体开发体验和算力服务整合在一起,为开发者提供从开发、训练到部署的一站式体验。
更多推荐



所有评论(0)