VSG 预同步控制在 MATLAB 中的仿真之旅
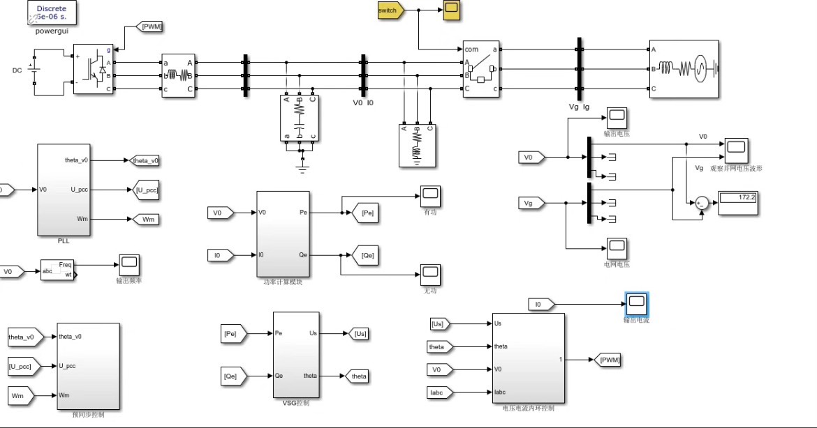
VSG预同步控制matlab仿真模型 MATLAB2019b 主要模块: 并网逆变器+VSG控制+预同步控制+电流电流双环控制 锁相环、三相准PR控制、PWM 0.65秒开始并网运行

在电力系统领域,VSG(虚拟同步发电机)预同步控制技术对于保障并网逆变器稳定、高效地接入电网起着关键作用。今天,咱们就基于 MATLAB 2019b 搭建一个关于 VSG 预同步控制的仿真模型,一探究竟。
主要模块解析
- 并网逆变器:这是整个系统的关键执行部件,负责将直流电转换为交流电,并实现与电网的连接。在 MATLAB 中,可以使用 Simscape Electrical 库中的相关模块搭建。例如,三相电压源逆变器模块就可模拟实际的并网逆变器。
% 创建三相电压源逆变器模型
inverter = simscape('ee.inverter.ThreePhaseVoltageSourceInverter');
这里简单创建了一个三相电压源逆变器对象,后续可以对其参数如直流侧电压、开关频率等进行设置。
- VSG 控制:它模拟同步发电机的运行特性,使逆变器具备惯性和阻尼特性,增强系统稳定性。其核心算法包括模拟同步发电机的转子运动方程和功率调节方程。
% VSG 转子运动方程简化代码示例
omega = omega0 + (1/(J * omega0)) * (Pm - Pe - D * (omega - omega0)) * Ts;
theta = theta + omega * Ts;
上述代码中,omega 是角频率,omega0 是额定角频率,J 是转动惯量,Pm 是机械功率,Pe 是电磁功率,D 是阻尼系数,Ts 是采样时间,theta 是相位角。通过不断更新 omega 和 theta 来模拟同步发电机的动态过程。
- 预同步控制:在并网前,确保逆变器输出电压与电网电压在幅值、频率和相位上尽可能接近,降低并网冲击。可以通过锁相环技术实现对电网电压的频率和相位跟踪。
- 电流电流双环控制:外环为功率环,根据 VSG 控制输出的功率指令计算电流指令;内环为电流环,实现对逆变器输出电流的快速跟踪。
% 电流双环控制简化代码
% 功率环
P_ref = VSG_P_control();
Q_ref = VSG_Q_control();
i_d_ref = (P_ref * V_d + Q_ref * V_q) / (V_d^2 + V_q^2);
i_q_ref = (P_ref * V_q - Q_ref * V_d) / (V_d^2 + V_q^2);
% 电流环
i_d = measure_current_d();
i_q = measure_current_q();
u_d = Kp_i * (i_d_ref - i_d) + Ki_i * integral(i_d_ref - i_d);
u_q = Kp_i * (i_q_ref - i_q) + Ki_i * integral(i_q_ref - i_q);
这段代码展示了功率环如何根据 VSG 控制生成电流指令,以及电流环如何根据测量电流和指令电流生成控制电压。
- 锁相环:它是实现预同步控制的关键,能够精确跟踪电网电压的相位和频率。MATLAB 中有现成的锁相环模块可直接使用,当然也可以自己编写算法实现。
% 简单的锁相环算法示例
function [theta, omega] = PLL(Vabc)
% 坐标变换
Vdq = abc2dq(Vabc);
Vd = Vdq(1);
Vq = Vdq(2);
% 锁相环核心计算
e = 0 - Vq;
omega = omega0 + Kp_pll * e + Ki_pll * integral(e);
theta = theta + omega * Ts;
end
该代码通过对三相电压进行坐标变换,根据 Vq 计算误差,进而更新角频率 omega 和相位角 theta。
- 三相准 PR 控制:用于实现对交流信号的无静差跟踪。在电流环中,三相准 PR 控制器可以对逆变器输出电流进行精确控制。
% 三相准 PR 控制器代码示例
function u = PR_control(i_ref, i, w0, Kp, Kr)
e = i_ref - i;
u_P = Kp * e;
u_R = Kr * integral(e * sin(w0 * t)) - Kr * integral(e * cos(w0 * t));
u = u_P + u_R;
end
这里 i_ref 是电流指令,i 是实际电流,w0 是电网角频率,Kp 是比例系数,Kr 是谐振系数。通过比例项和积分谐振项共同作用,实现对电流的精确控制。
- PWM:脉宽调制技术用于控制逆变器的开关状态,将直流电压转换为期望的交流电压。在 MATLAB 中,可以使用 PWM 发生器模块来实现。
并网运行时间设定
本次仿真设定在 0.65 秒开始并网运行。在模型搭建好后,可以通过设置相应的逻辑控制模块,在 0.65 秒这个时间节点触发并网动作。比如,使用 MATLAB 中的 switch 模块结合 clock 模块,当时间达到 0.65 秒时,将并网控制信号置为有效,使逆变器开始并网。

VSG预同步控制matlab仿真模型 MATLAB2019b 主要模块: 并网逆变器+VSG控制+预同步控制+电流电流双环控制 锁相环、三相准PR控制、PWM 0.65秒开始并网运行

通过以上对 VSG 预同步控制 MATLAB 仿真模型各个模块的介绍和代码示例,相信大家对这个模型有了更清晰的认识。在实际搭建和调试过程中,还需要根据具体需求对各个模块的参数进行精细调整,以达到最佳的仿真效果。希望这篇博文能为研究电力系统并网技术的小伙伴们提供一些帮助。
AtomGit 是由开放原子开源基金会联合 CSDN 等生态伙伴共同推出的新一代开源与人工智能协作平台。平台坚持“开放、中立、公益”的理念,把代码托管、模型共享、数据集托管、智能体开发体验和算力服务整合在一起,为开发者提供从开发、训练到部署的一站式体验。
更多推荐


所有评论(0)