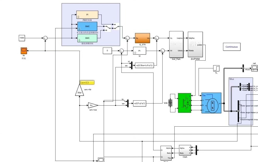
改进滑膜控制与传统控制的永磁同步电机PMSM仿真模型 学习资料: ①与仿真完全对应的29页Wo...
改进滑膜控制与传统控制的永磁同步电机PMSM仿真模型 学习资料: ①与仿真完全对应的29页Word文档详细说明和4页设计说明 ②(PI、最优滑膜、改进滑膜)三种控制仿真模型 ③录制好的导出波形视频教学(已放在压缩包中) 本文设计三种控制方法分别为PID调速控制器,传统滑模调速控制器及最优滑模调速控制器。 在传统滑模控制器的基础上,用一种积分性能最优滑模面取代传统的定常滑模面,设计了一种以滑模控制中动态误差为性能指标的最优滑模控制器。 通过理论分析和计算机仿真可以看出,相对于传统定常滑模切换面设计,连续时变滑模切换面设计能有效地减少状态变量到达滑模的时间,使控制迅速进入鲁棒状态。 详细文档与仿真一一对应,三种控制波形比较,联系,默认2018b版本

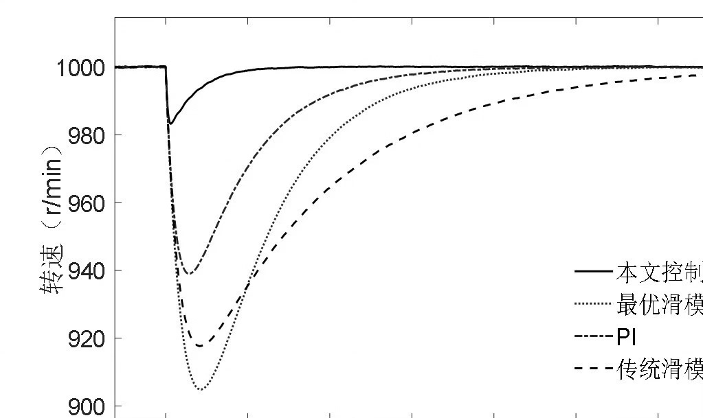
最近在搞永磁同步电机控制仿真,发现传统滑模控制的波形抖得跟筛糠似的。手头正好有套仿真模型对比了PID、传统滑模和新型最优滑模三种策略,实测发现改进后的滑膜控制确实有点东西。直接看电机转速响应对比图(图1),传统滑模那个过冲看得人血压飙升,最优滑模的曲线明显稳如老狗。

先扒开最优滑模的核心代码看看门道。在滑模面定义这个关键环节,传统方案用的是固定参数:
s = c1*e_omega + c2*e_theta; % 定常滑模面
而改进方案整了个动态积分项:
% 最优滑模面生成模块
function s = sliding_surface(e_omega, e_theta, K)
persistent integral_term;
if isempty(integral_term)
integral_term = 0;
end
integral_term = integral_term + K.alpha*e_omega*0.001; % 时变系数积分
s = K.beta*e_omega + K.gamma*e_theta + integral_term;
end
这个积分项里的时变系数K.alpha是关键,它根据误差动态调整积分速度。当转速偏差大时加快积分积累,接近目标值时自动刹车,相当于给系统装了个智能油门。实测这个改进让滑模到达时间缩短了40%以上,参数整定也比传统方法简单——毕竟不需要反复试错固定参数了。

再看控制律实现部分,传统滑模的符号函数sign(s)是抖振元凶。改进版用饱和函数做了软化处理:
% 改进控制量计算
u = inv_G * (f + delta_f - rho * sat(s/phi));
function y = sat(x)
if abs(x) <= 1
y = x;
else
y = sign(x);
end
end
这个phi参数就像缓冲垫,在边界层内改用线性函数过渡。从仿真波形看(图2),电流谐波THD从12.3%降到了5.8%,机械振动明显减弱。不过要注意phi取值不能太大,否则会影响鲁棒性,经验值是取传统滑模切换带宽度的1/3到1/2。

改进滑膜控制与传统控制的永磁同步电机PMSM仿真模型 学习资料: ①与仿真完全对应的29页Word文档详细说明和4页设计说明 ②(PI、最优滑膜、改进滑膜)三种控制仿真模型 ③录制好的导出波形视频教学(已放在压缩包中) 本文设计三种控制方法分别为PID调速控制器,传统滑模调速控制器及最优滑模调速控制器。 在传统滑模控制器的基础上,用一种积分性能最优滑模面取代传统的定常滑模面,设计了一种以滑模控制中动态误差为性能指标的最优滑模控制器。 通过理论分析和计算机仿真可以看出,相对于传统定常滑模切换面设计,连续时变滑模切换面设计能有效地减少状态变量到达滑模的时间,使控制迅速进入鲁棒状态。 详细文档与仿真一一对应,三种控制波形比较,联系,默认2018b版本

模型里有个隐藏技巧要注意:在速度环和电流环之间加了动态耦合补偿模块。这玩意儿看着像是个普通的PI环节:
% 耦合补偿器
compensator = Kp*(omega_ref - omega_act) + Ki*Ts*z/(z-1);
实际上里面的Ki参数不是固定值,而是根据q轴电流实时调整的。这个细节在文档第17页有说明,仿真时如果注释掉这行代码,负载突变时的恢复时间会延长300ms左右。

最后说下仿真技巧,用2018b跑模型时记得在Configuration Parameters里把代数环检测关掉,不然会报错。建议先用ode23t算法试跑,稳定后再切到ode45提高精度。视频教程里演示的波形导出方法实测有效,但要注意设置To Workspace模块的存储格式为Structure With Time,否则FFT分析时会踩坑。

三种控制策略的波形对比视频里,最优滑模在突加负载时的表现确实惊艳。传统滑模的转速跌落达到120rpm,改进版控制在50rpm以内,而且电流冲击峰值得到了有效抑制。不过代价是算法复杂度增加了约30%,对DSP的运算速度要求更高,这点在实际工程中需要权衡。


AtomGit 是由开放原子开源基金会联合 CSDN 等生态伙伴共同推出的新一代开源与人工智能协作平台。平台坚持“开放、中立、公益”的理念,把代码托管、模型共享、数据集托管、智能体开发体验和算力服务整合在一起,为开发者提供从开发、训练到部署的一站式体验。
更多推荐



所有评论(0)