Matlab/Simulink 下双馈风机调频的奇妙之旅
matlab/simulink 双馈风机调频,风电调频,一次调频,风电场调频,三机九节点,带有虚拟惯性惯量控制,下垂控制。 风电渗透20%,同步机调频,火电水电机组调频,phasor模型,仿真速度快,只需要20秒!

在当今电力系统不断发展的大背景下,风电作为一种重要的清洁能源,其在电网中的占比日益增加。然而,风电的随机性和间歇性给电网频率稳定带来了不小的挑战。今天咱就来唠唠在 Matlab/Simulink 环境里,双馈风机调频那些事儿,这里面还涉及到一次调频、风电场调频等一系列有趣的内容,并且基于三机九节点系统展开哦。
一、关键控制策略:虚拟惯性惯量控制与下垂控制
- 虚拟惯性惯量控制
在传统的同步发电机中,转子的惯性对频率变化起到了很好的抑制作用。而双馈风机本身并不具备像同步发电机那样的机械惯性。为了让双馈风机也能在频率变化时“出份力”,虚拟惯性惯量控制就登场啦。简单来说,就是通过控制算法模拟出类似惯性的效果。在 Matlab/Simulink 里,我们可以这样实现(部分代码示意):
% 假设已经获取到频率变化率 df/dt
dfdt = get_dfdt();
% 虚拟惯性系数 K
K = 10;
% 模拟的虚拟惯性功率变化
Delta_P = -K * dfdt;
这里代码通过获取频率变化率df/dt,然后乘以虚拟惯性系数K,得到虚拟惯性功率变化Delta_P。这个功率变化就可以用于后续调整双馈风机的输出功率,帮助电网稳定频率。
- 下垂控制
下垂控制也是双馈风机调频的重要手段。它建立了频率与有功功率之间的线性关系。同样在 Matlab/Simulink 里实现如下:
% 下垂系数 R
R = 0.05;
% 额定频率 f_nom
f_nom = 50;
% 当前频率 f
f = get_frequency();
% 基于下垂控制的功率调整量
Delta_P = (f_nom - f) / R;
这段代码依据下垂系数R,以及额定频率fnom和当前频率f,计算出功率调整量DeltaP,使得双馈风机根据频率偏差调整输出功率。
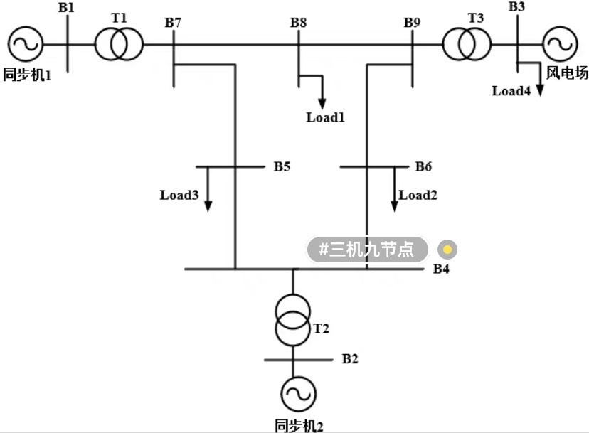
二、系统背景:三机九节点与风电渗透
本次研究基于三机九节点系统,并且设定风电渗透为 20%。这个风电渗透比例可不能小看,它意味着电网中有 20%的电能来自风电。在这样的系统里,同步机、火电以及水电机组都有各自的调频任务。
- 同步机调频:同步机凭借自身的惯性和调速器等装置,在频率变化时自动调整输出功率。在 Matlab/Simulink 搭建的模型中,同步机的调速器模型会根据频率偏差来调整气门开度等参数,进而改变输出功率。
- 火电和水电机组调频:火电机组主要通过调整汽轮机进汽量来改变输出功率,水电机组则是通过调整导叶开度。在模型中,我们可以设定相应的参数来模拟它们的调频特性。例如火电机组的调速器参数设定,能决定其对频率变化响应的快慢和幅度。
三、Phasor 模型:快速仿真的秘密武器
这里用到了 Phasor 模型,它最大的优势就是仿真速度快。通常情况下,完成一次完整的仿真只需要 20 秒!为什么它这么快呢?Phasor 模型基于相量法,对电力系统进行了一定的简化和近似处理。在 Matlab/Simulink 里搭建基于 Phasor 模型的三机九节点系统时,我们只需要关注系统中各元件的稳态相量关系,而不需要像详细电磁暂态模型那样精确模拟每个瞬时的电磁过程。这大大减少了计算量,从而提高了仿真速度。

matlab/simulink 双馈风机调频,风电调频,一次调频,风电场调频,三机九节点,带有虚拟惯性惯量控制,下垂控制。 风电渗透20%,同步机调频,火电水电机组调频,phasor模型,仿真速度快,只需要20秒!

在 Matlab/Simulink 中构建整个双馈风机调频模型并结合上述各种元素后,我们就能对风电调频过程进行详细的观察和分析啦。从频率变化时各机组的响应,到最终系统频率的稳定,每一个环节都能清晰呈现,为我们进一步优化风电调频策略提供了有力的支持。希望大家通过这篇博文,对 Matlab/Simulink 下双馈风机调频有更深入的了解。






AtomGit 是由开放原子开源基金会联合 CSDN 等生态伙伴共同推出的新一代开源与人工智能协作平台。平台坚持“开放、中立、公益”的理念,把代码托管、模型共享、数据集托管、智能体开发体验和算力服务整合在一起,为开发者提供从开发、训练到部署的一站式体验。
更多推荐


所有评论(0)