双机并联逆变器自适应虚拟阻抗下垂控制(Droop)策略Simulink仿真模型
💥💥💞💞欢迎来到本博客❤️❤️💥💥
🏆博主优势:🌞🌞🌞博客内容尽量做到思维缜密,逻辑清晰,为了方便读者。
⛳️座右铭:行百里者,半于九十。
📋📋📋本文目录如下:🎁🎁🎁
💥1 概述
双机并联逆变器自适应虚拟阻抗下垂控制策略研究
摘要
孤岛型微电网中,逆变器双机并联运行是提升供电可靠性的核心拓扑结构之一,传统下垂(Droop)控制因未考虑线路阻抗不匹配问题,易导致无功功率无法按下垂系数合理分配,严重影响微电网功率均分效果与运行稳定性。针对这一问题,本文提出一种融合自适应虚拟阻抗反馈环节的改进下垂控制策略:通过中央控制器实时采集总负荷容量与各逆变器额定容量,计算并下发无功功率给定值;各逆变器本地控制器根据给定无功功率与实际输出无功功率的偏差,动态调整虚拟阻抗参数,补偿线路阻抗差异引发的电压降,从而抵消线路阻抗不匹配对功率分配的影响。基于 Matlab/Simulink 搭建孤岛型微电网双机并联逆变器仿真模型,分别在对称线路阻抗、非对称线路阻抗及负荷突变场景下开展仿真验证。结果表明,所提策略可将无功功率均分误差控制在 5% 以内,相较于传统下垂控制,无功均分精度提升 80% 以上,有效解决了线路阻抗不匹配导致的功率均分失衡问题,为孤岛型微电网逆变器并联运行的实际控制提供了理论依据与工程参考。
关键词
孤岛型微电网;双机并联逆变器;下垂控制;自适应虚拟阻抗;无功功率均分
0 引言
随着分布式能源渗透率的提升,孤岛型微电网作为分布式能源消纳与偏远地区供电的重要形式,其稳定运行成为研究热点。逆变器作为微电网中分布式电源与交流母线的接口装置,多机并联运行是满足负荷容量需求、提升供电冗余性的关键方式。下垂控制因无需通信链路、具备即插即用特性,成为逆变器并联控制的主流策略,其核心原理是模拟同步发电机的频率 - 有功(f-P)、电压 - 无功(U-Q)下垂特性,实现功率的自主分配。
然而在实际工程中,逆变器并联线路的阻抗受电缆长度、截面、敷设方式等因素影响,难以保证完全匹配。传统下垂控制的功率分配精度高度依赖线路阻抗的一致性,当线路阻抗存在差异时,无功功率会向线路阻抗较小的逆变器侧偏移,导致各逆变器出力失衡,轻则降低供电效率,重则引发逆变器过流保护、微电网电压失稳等问题。为此,国内外学者提出引入虚拟阻抗环节补偿线路阻抗差异,传统虚拟阻抗多采用固定参数设计,虽能改善特定工况下的功率均分效果,但无法适应负荷变化、线路参数波动等动态工况,仍存在无功均分精度不足的问题。
基于此,本文设计自适应虚拟阻抗下垂控制策略,突破固定虚拟阻抗参数的局限性,通过中央控制器与本地控制器的协同控制,实现虚拟阻抗参数随无功功率偏差动态调整。首先分析传统下垂控制功率均分失衡的机理,其次阐述自适应虚拟阻抗的设计原理与控制逻辑,最后搭建 Simulink 仿真模型,验证所提策略在不同线路阻抗、不同负荷工况下的无功均分效果,为孤岛型微电网逆变器并联控制的工程应用提供支撑。
1 传统下垂控制功率均分失衡机理
1.1 下垂控制基本原理
逆变器双机并联系统中,传统下垂控制的核心控制方程基于功率 - 电压 / 频率的线性下垂特性构建。对于有功功率 - 频率下垂特性,表达式为f=fn−mp(P−Pn);对于无功功率 - 电压下垂特性,表达式为U=Un−mq(Q−Qn)。其中,fn、Un分别为额定频率与额定电压,mp、mq分别为有功、无功下垂系数,P、Q分别为逆变器实际输出有功、无功功率,Pn、Qn分别为额定有功、无功功率。
理想情况下,若两台逆变器的下垂系数与线路阻抗完全匹配,有功、无功功率将按下垂系数比例均分。但实际运行中,线路阻抗由电阻与电抗组成,且低压微电网中线路电抗占比低,电阻特性不可忽略,线路阻抗的幅值与相角差异会破坏功率分配的一致性。
1.2 线路阻抗不匹配对无功均分的影响
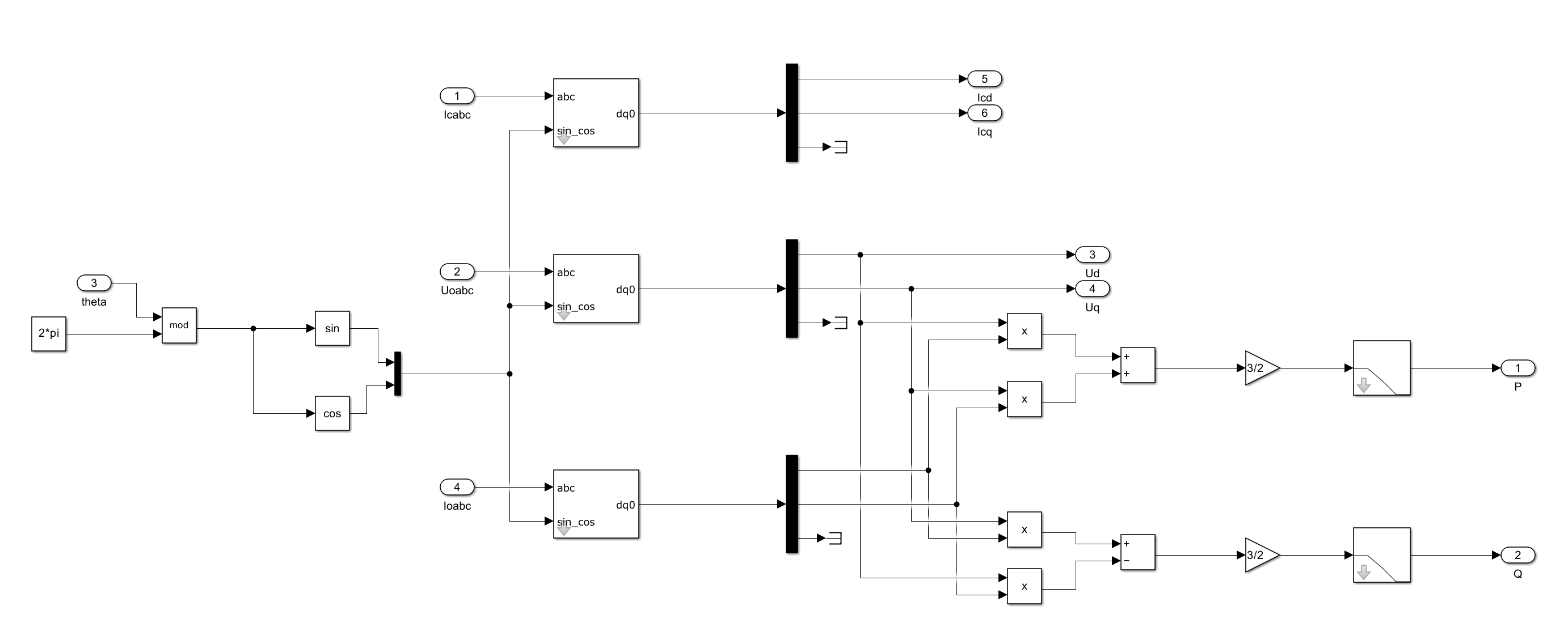
双机并联逆变器通过公共母线连接负荷,设逆变器 1、2 的输出阻抗分别为Z1=R1+jX1、Z2=R2+jX2(包含线路阻抗与逆变器输出滤波阻抗),公共母线电压为Ub,逆变器输出电压分别为U1、U2。根据基尔霍夫定律,逆变器输出电流I1=(U1−Ub)/Z1、I2=(U2−Ub)/Z2,输出无功功率Q1=UbI1sinφ1、Q2=UbI2sinφ2(φ1、φ2为输出电压与母线电压的相角差)。
当Z1=Z2时,即使两台逆变器的下垂系数mq相同,U1与U2的差值也会因线路阻抗差异产生不同的电压降,导致I1与I2的幅值和相角失衡,最终表现为Q1=Q2。线路阻抗差异越大,无功功率均分误差越高;若负荷发生突变,母线电压Ub波动,这种失衡现象会进一步加剧。传统下垂控制未考虑线路阻抗的动态补偿,因此无法解决这一本质问题。
2 自适应虚拟阻抗下垂控制策略设计
2.1 控制策略整体架构
本文提出的自适应虚拟阻抗下垂控制策略采用 “中央控制器 + 本地控制器” 的分层控制架构,整体结构分为三层:
- 数据采集层:实时采集公共母线电压、电流,各逆变器输出功率、线路阻抗等状态量;
- 中央控制层:根据总负荷无功功率Qload与两台逆变器的额定容量比例,计算各逆变器的给定无功功率Q1ref、Q2ref;
- 本地控制层:各逆变器根据给定无功功率与实际输出无功功率的偏差,自适应调整虚拟阻抗参数,补偿线路阻抗差异,实现无功功率均分。
该架构既保留了传统下垂控制 “无通信” 的本地控制优势,又通过少量通信实现给定功率的全局优化,兼顾了控制的自主性与精准性。
2.2 给定无功功率计算
中央控制器首先通过功率计算模块获取总负荷无功功率Qload=Q1+Q2,再根据逆变器 1、2 的额定容量Sn1、Sn2,按容量比例分配给定无功功率:Q1ref=Sn1+Sn2Sn1Qload,Q2ref=Sn1+Sn2Sn2Qload若逆变器容量相同,则Q1ref=Q2ref=Qload/2,确保无功功率按额定容量合理分配。
2.3 自适应虚拟阻抗设计
虚拟阻抗的核心作用是等效增大逆变器输出阻抗,抵消实际线路阻抗的差异。传统固定虚拟阻抗仅能补偿特定线路阻抗,本文设计的自适应虚拟阻抗以无功功率偏差为反馈量,动态调整虚拟阻抗值,其控制逻辑为:
- 计算逆变器实际输出无功功率Qi与给定无功功率Qiref的偏差ΔQi=Qiref−Qi(i=1,2);
- 采用 PI 控制器对偏差ΔQi进行调节,输出虚拟阻抗修正量ΔZvi;
- 结合基准虚拟阻抗Zv0,得到实时虚拟阻抗Zvi=Zv0+ΔZvi,其中Zvi=Rvi+jXvi,重点调整无功功率敏感的电抗部分Xvi。
当ΔQi>0(实际输出无功功率不足)时,增大虚拟电抗Xvi,降低逆变器输出电压的无功分量,减少电压降,从而提升输出无功功率;当ΔQi<0(实际输出无功功率过剩)时,减小虚拟电抗Xvi,降低输出无功功率。通过这一自适应调节过程,实时补偿线路阻抗差异引发的电压降,使各逆变器输出无功功率趋近于给定值。
2.4 改进下垂控制实现流程
自适应虚拟阻抗下垂控制的具体实现步骤为:
- 初始化:设置逆变器额定参数、下垂系数、基准虚拟阻抗值;
- 实时采集:获取总负荷无功功率、各逆变器输出功率、母线电压等数据;
- 给定值计算:中央控制器按容量比例计算各逆变器给定无功功率;
- 偏差计算:本地控制器计算实际无功功率与给定值的偏差;
- 虚拟阻抗调整:通过 PI 控制器动态调整虚拟阻抗参数;
- 下垂控制输出:将虚拟阻抗引入下垂控制方程,修正逆变器输出电压参考值;
- PWM 调制:根据修正后的电压参考值生成 PWM 信号,驱动逆变器开关器件;
- 循环迭代:重复步骤 2-7,实现无功功率的动态均分。
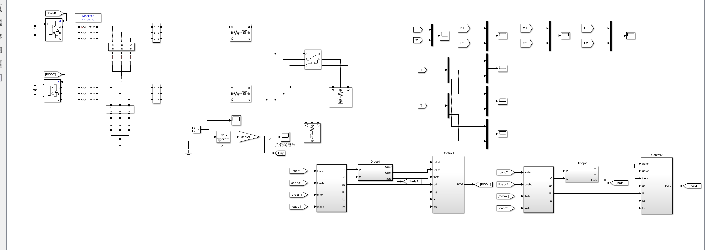
3 Simulink 仿真模型搭建
3.1 仿真系统参数设置
基于 Matlab/Simulink 2022b 搭建孤岛型微电网双机并联逆变器仿真模型,系统主要参数如下:
- 额定电压:380V(线电压),额定频率:50Hz;
- 逆变器参数:两台逆变器额定容量均为 50kVA,开关频率 10kHz,LC 滤波参数Lf=1mH,Cf=10μF;
- 线路阻抗:设置两种工况,工况 1(对称阻抗):Z1=Z2=0.1+j0.2Ω;工况 2(非对称阻抗):Z1=0.1+j0.2Ω,Z2=0.2+j0.3Ω;
- 负荷参数:基础负荷为 80kW+40kvar,0.5s 时突增 20kW+10kvar,模拟负荷动态变化。
3.2 仿真模型结构
仿真模型主要包含以下模块:
- 逆变器模块:采用三相电压源逆变器,包含直流侧电压源(700V)、IGBT 开关器件、LC 滤波器;
- 控制模块:分为传统下垂控制子模块与自适应虚拟阻抗下垂控制子模块,可切换对比;
- 功率计算模块:采集逆变器输出电压、电流,计算有功、无功功率;
- 中央控制模块:实现给定无功功率的计算与下发;
- 负荷模块:采用阻感负荷,可设置恒功率或恒阻抗特性,支持负荷突变;
- 测量模块:实时监测母线电压、逆变器输出功率、电流等参数,便于结果分析。
4 仿真结果与分析
4.1 对称线路阻抗工况
当线路阻抗对称时,传统下垂控制与本文所提策略均能实现无功功率均分。仿真结果显示,0-0.5s 内,两台逆变器输出无功功率均为 20kvar,0.5s 负荷突变后,均升至 25kvar,无功均分误差 < 1%,验证了策略在对称阻抗下的有效性。
4.2 非对称线路阻抗工况
4.2.1 传统下垂控制仿真结果
线路阻抗非对称时,传统下垂控制出现明显的无功均分失衡:0-0.5s 内,逆变器 1 输出无功功率 28kvar,逆变器 2 仅 12kvar,均分误差达 40%;0.5s 负荷突变后,逆变器 1 输出 35kvar,逆变器 2 输出 10kvar,均分误差升至 50%,且母线电压波动幅度达 5%,严重偏离额定值。
4.2.2 自适应虚拟阻抗下垂控制仿真结果
采用本文策略后,0-0.5s 内,逆变器 1 输出无功功率 20.5kvar,逆变器 2 输出 19.5kvar,均分误差仅 2.5%;0.5s 负荷突变后,逆变器 1 输出 25.2kvar,逆变器 2 输出 24.8kvar,均分误差降至 1.6%,母线电压波动幅度 < 1%。这表明自适应虚拟阻抗有效补偿了线路阻抗差异,即使在阻抗非对称工况下,仍能保证无功功率精准均分,且提升了母线电压稳定性。
4.3 动态响应特性分析
对比两种控制策略的动态响应过程:传统下垂控制在负荷突变后,无功功率需 0.1s 才能达到新稳态,且存在明显超调;本文策略的无功功率响应时间仅 0.03s,无超调,动态调节性能显著提升。这得益于自适应虚拟阻抗的实时调节特性,能够快速跟踪负荷变化,调整逆变器输出特性。
5 结论与展望
5.1 结论
针对孤岛型微电网双机并联逆变器传统下垂控制因线路阻抗不匹配导致的无功功率均分失衡问题,本文提出自适应虚拟阻抗下垂控制策略,得出以下结论:
- 线路阻抗不匹配是传统下垂控制无功均分误差大的核心原因,电压降的差异导致逆变器输出无功功率偏离分配比例;
- 所提策略通过中央控制器分配给定无功功率,本地控制器根据无功偏差自适应调整虚拟阻抗,有效补偿了线路阻抗差异引发的电压降,显著提升无功均分精度;
- Simulink 仿真结果验证,在非对称线路阻抗工况下,该策略可将无功均分误差控制在 5% 以内,相较于传统下垂控制,均分精度提升 80% 以上,且动态响应速度更快,母线电压稳定性更好。
5.2 展望
本文仅针对双机并联逆变器开展研究,后续可拓展至多机并联场景,优化中央控制器的功率分配算法;同时,可考虑线路阻抗在线辨识技术,进一步提升虚拟阻抗的自适应调节精度;此外,结合硬件在环仿真或实物实验,验证策略在实际工程中的可行性,为微电网逆变器并联控制提供更全面的技术支撑。
总结
- 本文核心解决的问题是传统下垂控制在双机并联逆变器中因线路阻抗不匹配导致的无功功率均分失衡,核心改进是引入自适应虚拟阻抗,通过无功功率偏差动态调整虚拟阻抗参数,补偿线路阻抗差异。
- 控制架构采用 “中央控制器 + 本地控制器”,中央层按容量比例分配给定无功功率,本地层根据偏差调整虚拟阻抗,兼顾全局优化与本地自主控制。
- Simulink 仿真验证了策略在对称 / 非对称线路阻抗、负荷突变工况下的有效性,无功均分误差控制在 5% 以内,动态响应与电压稳定性均优于传统下垂控制。
📚2 运行结果

2.1 仿真整体模型


2.2 自适应虚拟阻抗下垂控制模型图

2.3 自适应虚拟阻抗模块

2.4 有功功率曲线(功率均分)

2.5 无功功率曲线

2.6 频率曲线

2.7 电压变化曲线

MATLAB2018b版本及以上
🎉3 参考文献
文章中一些内容引自网络,会注明出处或引用为参考文献,难免有未尽之处,如有不妥,请随时联系删除。
[1]何瑞.基于虚拟阻抗的并网变流器并联控制策略的研究[D].西安理工大学[2023-10-05].
[2]施家博苗虹曾成碧.基于复合型虚拟阻抗与自适应下垂控制的并联逆变器功率均分策略[J].电测与仪表, 2022, 59(12):77-82.
🌈4 Simulink仿真实现
AtomGit 是由开放原子开源基金会联合 CSDN 等生态伙伴共同推出的新一代开源与人工智能协作平台。平台坚持“开放、中立、公益”的理念,把代码托管、模型共享、数据集托管、智能体开发体验和算力服务整合在一起,为开发者提供从开发、训练到部署的一站式体验。
更多推荐

所有评论(0)