探索Matlab/Simulink中的多能源调频世界:从双馈风机到风火水协同
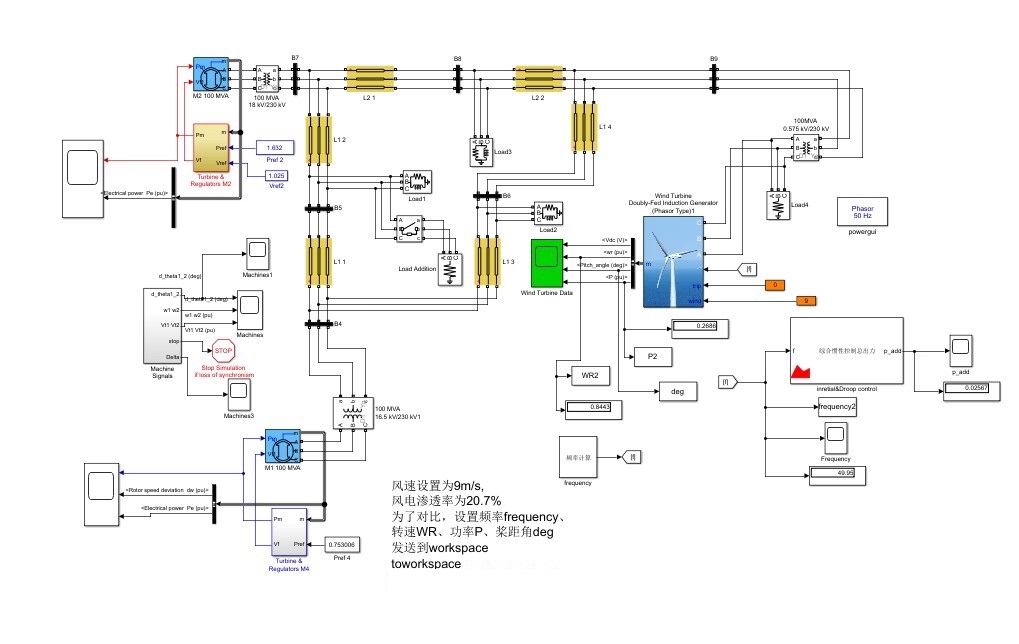
matlab/simulink 双馈风机调频,风电调频,风火水调频,虚拟惯性控制,下垂控制 参与系统一次调频的Matlab/Simulink模型 系统为三机九节点模型,所有参数已调好且可调,可直接运行,风电渗透率20% 也可研究风火联合,火电调频等。有同步机调速器。 风电调频,IEEE9节点,双馈风机调频,一次调频,火电调频,同步机调频。 同步机部分带有调速器等部分。并网电压电流。 风电附带下垂控制,虚拟惯性控制,风电渗透率20%,有参考文献。也可研究风电并网,并网电压,电流波形

在电力系统领域,频率稳定是保障电力可靠供应的关键因素。随着风电等可再生能源大规模接入电网,其随机性和波动性给系统频率控制带来了新挑战。今天咱们就围绕Matlab/Simulink中的多能源调频模型来展开聊聊。
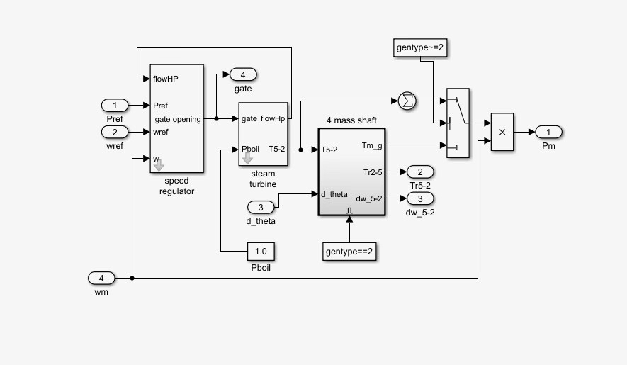
一、Matlab/Simulink三机九节点模型构建
我们构建的是一个三机九节点模型,这个模型参数已精心调好且具备可调性,能直接运行,风电渗透率设定为20% 。以Simulink搭建此模型时,我们会涉及各种模块的组合。例如,对于同步机部分,我们要用到调速器模块,像在Simulink库中找到“Synchronous Machine SI Units”模块来模拟同步发电机,调速器模块则可以用“Governor - Steam” 模块来调节原动机的功率输出。
% 以下是简单的获取调速器参数示例代码
% 假设调速器参数结构体为 governor_params
governor_params.Kp = 0.5; % 比例系数
governor_params.T1 = 0.1; % 时间常数1
governor_params.T2 = 0.05; % 时间常数2
这里,Kp、T1、T2等参数会影响调速器对频率变化的响应速度和调节效果。
二、双馈风机调频与控制策略
双馈风机在风电调频中扮演重要角色。在Simulink中,我们可以通过搭建双馈风机模型来研究其调频特性。同时,为了提升风电在调频中的作用,引入了下垂控制和虚拟惯性控制。
下垂控制
下垂控制的原理是让风机的有功功率输出与系统频率偏差建立线性关系。代码实现上,可以通过以下简单逻辑:
% 假设系统频率为 freq,额定频率为 freq_nom
% 下垂系数为 R
delta_freq = freq - freq_nom;
P_wind = - (1/R) * delta_freq;
这里P_wind就是根据频率偏差计算出的风机应输出的有功功率变化量,负号表示频率升高时,风机减少有功输出。
虚拟惯性控制
虚拟惯性控制则是模拟同步发电机的惯性响应。我们通过控制风机的转子转速变化来储存或释放能量,以快速响应频率变化。代码示例如下:
% 假设风机机械功率为 Pm,电磁功率为 Pe
% 虚拟惯性系数为 H
omega = get_rotor_speed(); % 获取风机转子转速函数
delta_omega = omega - omega_nom; % 转速偏差
P_adjust = 2 * H * (delta_omega / dt); % dt 为时间步长
P_em = Pe + P_adjust; % 调整后的电磁功率
通过虚拟惯性控制,风机能在频率突变瞬间快速响应,帮助系统稳定频率。
三、风火水调频联合研究
此模型不仅可以研究风电调频,还能探索风火联合、火电调频等多种场景。在风火联合调频中,风电与火电需要协调配合。火电通过调速器响应频率变化,而风电通过下垂控制和虚拟惯性控制辅助调频。

例如,当系统频率下降时,火电调速器增加原动机功率,同时风电通过虚拟惯性控制快速释放能量,下垂控制调整有功输出,共同提升系统频率。

matlab/simulink 双馈风机调频,风电调频,风火水调频,虚拟惯性控制,下垂控制 参与系统一次调频的Matlab/Simulink模型 系统为三机九节点模型,所有参数已调好且可调,可直接运行,风电渗透率20% 也可研究风火联合,火电调频等。有同步机调速器。 风电调频,IEEE9节点,双馈风机调频,一次调频,火电调频,同步机调频。 同步机部分带有调速器等部分。并网电压电流。 风电附带下垂控制,虚拟惯性控制,风电渗透率20%,有参考文献。也可研究风电并网,并网电压,电流波形

在研究风电并网时,我们关注并网电压和电流波形。通过Simulink示波器模块,我们能直观看到电压电流波形。若波形出现畸变等问题,可以通过调整风机的控制策略或者增加滤波装置来改善。

总的来说,利用Matlab/Simulink搭建的这个三机九节点模型,为我们深入研究风电调频、风火水调频等提供了一个强大的平台,通过不断调整参数和控制策略,我们能更好地应对可再生能源接入带来的频率稳定挑战。



AtomGit 是由开放原子开源基金会联合 CSDN 等生态伙伴共同推出的新一代开源与人工智能协作平台。平台坚持“开放、中立、公益”的理念,把代码托管、模型共享、数据集托管、智能体开发体验和算力服务整合在一起,为开发者提供从开发、训练到部署的一站式体验。
更多推荐


所有评论(0)