手把手教你基于Matlab/Simulink搭建增程式混合动力汽车建模仿真模型
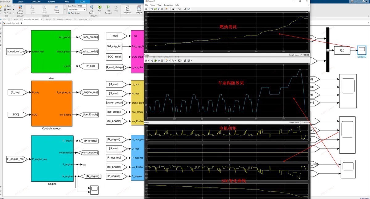
基于Matlab/simulink的增程式混合动力汽车建模仿真模型(增程纯电,与日产的e-power整车配置策略类似),包含增程器模型、电机模型、电池模型,驾驶员模型,整车VCU控制模型等 基于模型的整车策略开发思路、整车模型搭建流程 模型明确清晰,相当于手把手教学,新能源混动控制建模方面相关需求人才,教你玩转基于simulink的混动汽车建模开发流程 ——此模型提供工况数据、仿真数据,发动机,电机等整车数据(到手可直接运行仿真) ——仿真结果显示有发动机扭矩,电机扭矩,SOC变化曲线,车速跟随情况,电池电流、能量变化,累计燃油消耗量,行驶距离等都能看(整车能量管理策略详细直观) 纯电模式到增程模式切换,电量维持规则阈值参数设定

嘿,各位对新能源混动控制建模感兴趣的小伙伴们!今天咱就来聊聊基于Matlab/Simulink的增程式混合动力汽车建模仿真模型,这可是个超酷的玩意儿,和日产的e - power整车配置策略类似哦。
一、模型组成部分
- 增程器模型
增程器在整个系统中起着关键作用,它主要负责在电池电量不足时发电,为车辆提供额外的电能。在Simulink中搭建增程器模型,我们可以通过一些模块来模拟其工作特性。比如,使用Transfer Fcn模块来模拟增程器的动态响应。假设增程器的传递函数为:
num = [1];
den = [0.1 1];
sys = tf(num,den);
这里num是分子多项式系数,den是分母多项式系数,通过这个简单的传递函数模拟增程器在输入变化时的输出响应。它会根据系统需求调整发电功率,保证车辆的持续运行。
- 电机模型
电机作为车辆的动力输出关键部件,其模型搭建也很重要。我们可以利用Simscape Electrical库中的电机模块来实现。例如直流电机模型,通过设置电机的参数,如电阻、电感、反电动势常数等,来准确模拟电机的运行。
% 设置电机参数
R = 0.1; % 电阻
L = 0.01; % 电感
K_e = 0.1; % 反电动势常数
这些参数决定了电机在不同电压输入下的转速和扭矩输出,从而影响车辆的动力性能。
- 电池模型
电池模型用于模拟电池的充放电过程以及SOC(State of Charge,荷电状态)的变化。在Simulink中,可以使用Simscape Battery模块来搭建。我们需要设置电池的容量、内阻等参数。
C_bat = 100; % 电池容量(Ah)
R_bat = 0.05; % 电池内阻(Ω)
电池的SOC变化直接关系到车辆的运行模式切换,当SOC降低到一定程度,增程器就会启动。
- 驾驶员模型
驾驶员模型模拟驾驶员的操作,例如加速踏板和制动踏板的输入。可以通过一些简单的逻辑模块来实现,比如使用Gain模块来模拟加速踏板输入与电机扭矩需求之间的关系。
% 加速踏板增益
accel_gain = 0.5;
这个增益决定了驾驶员踩下加速踏板时,电机所需输出扭矩的变化比例。
- 整车VCU控制模型
整车VCU(Vehicle Control Unit,车辆控制单元)控制模型是整个系统的大脑,它协调各个部件的工作。比如,根据电池SOC、驾驶员输入以及车辆运行状态,决定增程器是否启动、电机的扭矩分配等。可以使用Stateflow来搭建复杂的控制逻辑。
% 简单示例:根据SOC决定增程器启动
if SOC < 0.3
genset_status = 1; % 启动增程器
else
genset_status = 0; % 关闭增程器
end
二、基于模型的整车策略开发思路
整车策略开发首先要明确车辆的运行模式,比如纯电模式、增程模式等。在纯电模式下,车辆仅依靠电池供电,电机驱动车辆行驶。当电池SOC下降到设定的阈值时,就切换到增程模式,增程器启动发电,与电池一起为电机供电。

基于Matlab/simulink的增程式混合动力汽车建模仿真模型(增程纯电,与日产的e-power整车配置策略类似),包含增程器模型、电机模型、电池模型,驾驶员模型,整车VCU控制模型等 基于模型的整车策略开发思路、整车模型搭建流程 模型明确清晰,相当于手把手教学,新能源混动控制建模方面相关需求人才,教你玩转基于simulink的混动汽车建模开发流程 ——此模型提供工况数据、仿真数据,发动机,电机等整车数据(到手可直接运行仿真) ——仿真结果显示有发动机扭矩,电机扭矩,SOC变化曲线,车速跟随情况,电池电流、能量变化,累计燃油消耗量,行驶距离等都能看(整车能量管理策略详细直观) 纯电模式到增程模式切换,电量维持规则阈值参数设定

在开发过程中,要不断优化能量管理策略,使发动机、电机和电池之间的能量分配达到最优,以提高车辆的燃油经济性和性能。例如,通过调整增程器启动的SOC阈值、电机扭矩分配比例等参数,观察仿真结果中发动机扭矩、电机扭矩、SOC变化曲线等,来找到最佳的策略。
三、整车模型搭建流程
- 首先,在Simulink中创建一个新的模型文件。
- 从各个库中拖入所需的模块,如增程器相关模块、电机模块、电池模块、驾驶员模型模块以及VCU控制模型模块。
- 连接各个模块,根据车辆系统的工作原理,确保信号和能量的正确传递。比如,将驾驶员模型的输出连接到VCU控制模型,VCU控制模型的输出再分别连接到增程器模型、电机模型和电池模型。
- 设置各个模块的参数,根据实际车辆的参数进行调整,就像前面提到的电机、电池等参数设置。
- 添加工况数据输入模块,用于模拟不同的行驶工况,如NEDC工况、WLTC工况等。同时设置仿真参数,如仿真时间、步长等。
四、模型优势
- 数据丰富
此模型提供工况数据、仿真数据,发动机、电机等整车数据,到手可直接运行仿真。这对于想要快速上手研究的人来说非常方便,不用再费力去收集和整理数据。
- 结果直观
仿真结果显示有发动机扭矩,电机扭矩,SOC变化曲线,车速跟随情况,电池电流、能量变化,累计燃油消耗量,行驶距离等。通过这些直观的结果,我们可以清晰地了解整车能量管理策略的效果,方便对策略进行调整和优化。
五、模式切换与参数设定
- 纯电模式到增程模式切换
如前面提到的,通过整车VCU控制模型来实现模式切换。主要依据电池的SOC值,当SOC降低到一定程度,就触发增程器启动,切换到增程模式。
- 电量维持规则阈值参数设定
这个阈值参数非常关键,它直接影响车辆的运行模式和燃油经济性。一般来说,我们可以通过多次仿真试验,观察不同阈值下车辆的性能指标,如燃油消耗量、行驶里程等,来确定最优的阈值。比如在初始阶段,可以先设定一个较大的阈值(如0.3),观察车辆在这种情况下的运行情况,再逐步调整阈值,找到最佳平衡点。

总之,这个基于Matlab/Simulink的增程式混合动力汽车建模仿真模型,无论是对于新能源混动控制建模的新手,还是想要深入研究的专业人士,都是一个非常好的工具和学习案例。大家不妨动手试试,玩转基于Simulink的混动汽车建模开发流程!

AtomGit 是由开放原子开源基金会联合 CSDN 等生态伙伴共同推出的新一代开源与人工智能协作平台。平台坚持“开放、中立、公益”的理念,把代码托管、模型共享、数据集托管、智能体开发体验和算力服务整合在一起,为开发者提供从开发、训练到部署的一站式体验。
更多推荐



所有评论(0)