手把手教你搭建基于Matlab/Simulink的插电式混合动力汽车模型
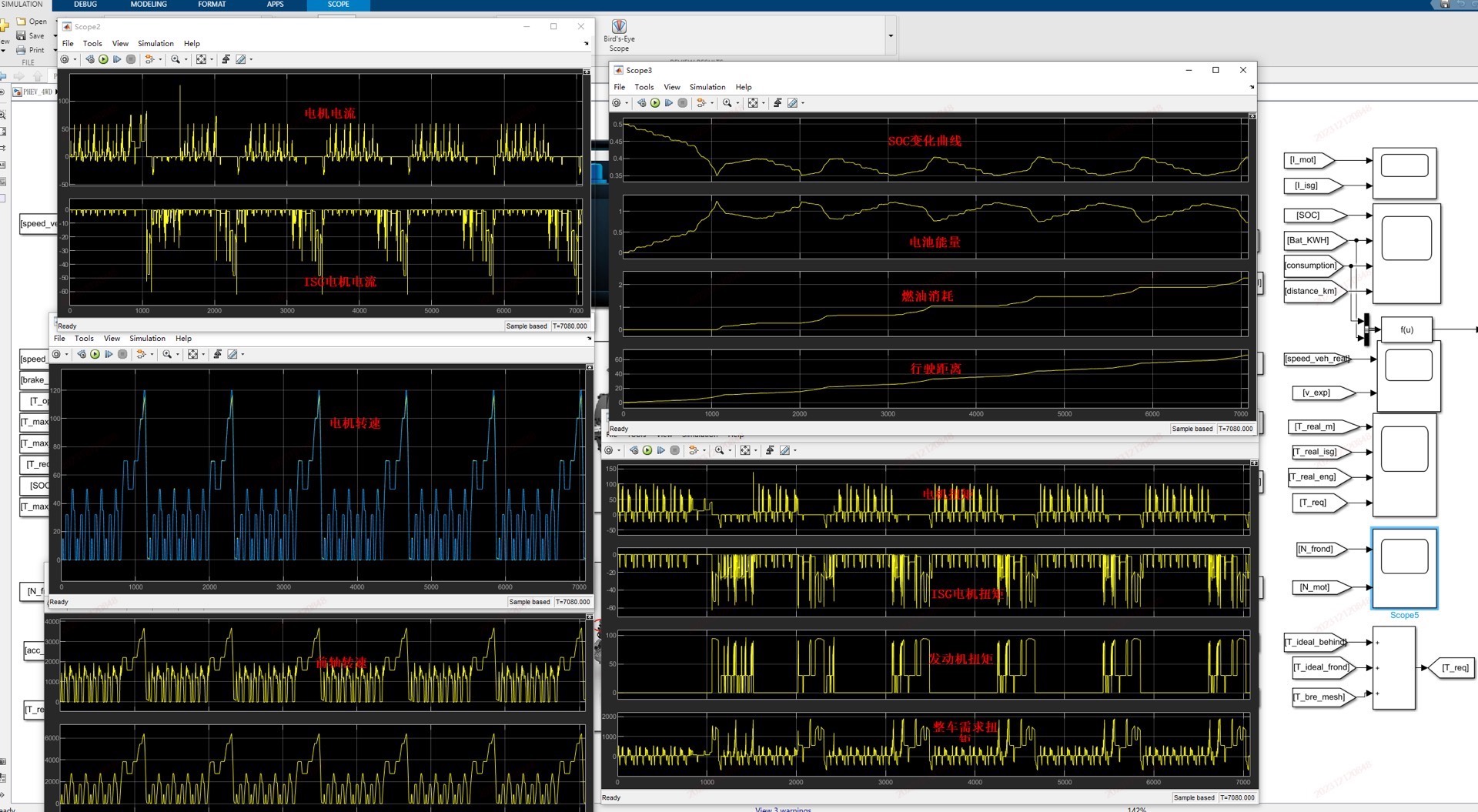
基于Matlab/simulink的插电式混合动力汽车建模仿真模型4驱PHEV(比亚迪唐DM混动系统P2P4发动机——三擎四驱),包括整车HCU控制单元、发动机模型、驱动电机模型、ISG电机模型、AMT5档自动变速箱模型、驾驶员模型、电池能量管理控制模型等,建模详细清晰 基于模型的整车策略开发思路、整车模型搭建流程(从最初输入输出确定——最后整个模型建立全过程) 相当于手把手教学,新能源混动控制建模方面相关需求人才强烈推荐,教你玩转基于simulink的混动汽车建模开发流程 ——此模型为本人研究生阶段开发的,纯手工搭建(与比亚迪唐超级混动系统DM二代构型一摸一样),全网独一份,数据齐全,可直接仿真出结果(不能仿真不收费),整车构型传动结构下图已展示,整车能量管理策略很直观,方便学习 ——仿真结果:发动机工作扭矩,电机工作扭矩,电池SOC变化,电池能量变化,电池电流变化,车速跟随变化,燃油消耗变化,累计行驶距离结果,整车工作模式变化等等结果全部都有

嘿,各位对新能源混动控制建模感兴趣的小伙伴们!今天来给大家分享一个超厉害的项目——基于Matlab/Simulink的4驱PHEV(插电式混合动力汽车)建模仿真模型,它可是跟比亚迪唐DM混动系统P2P4发动机——三擎四驱构型一模一样哦,这可是我研究生阶段纯手工打造的,全网独此一份,数据超齐全,直接仿真就能出结果,要是不能仿真不收你钱!
模型构成组件
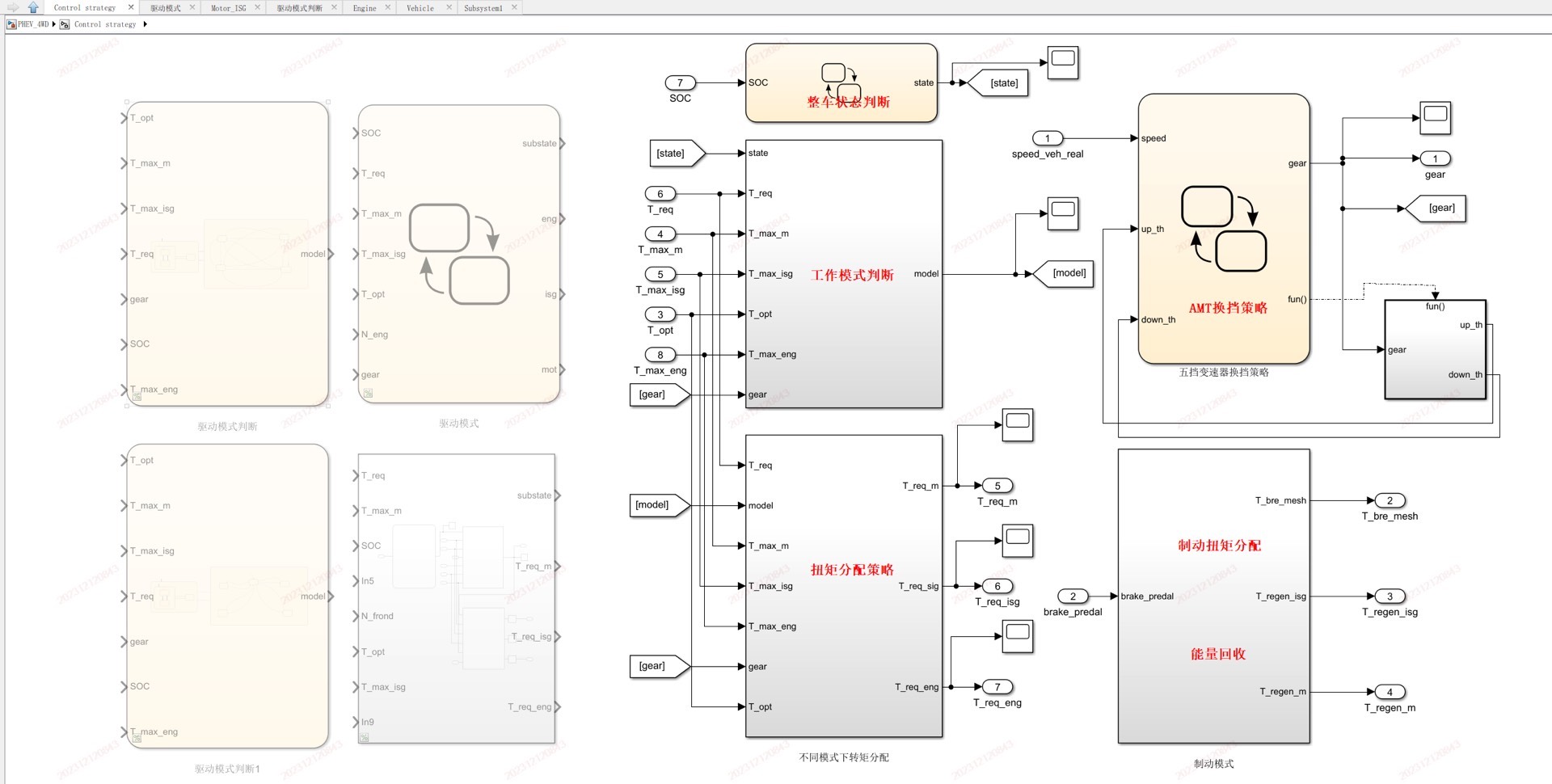
- 整车HCU控制单元:这就好比汽车的大脑,协调各个部件的工作。它接收来自不同传感器的数据,比如车速、电池状态等,然后根据预设的策略来控制发动机、电机等的运行。在Simulink中,可以通过搭建一系列逻辑判断模块来实现它的功能。例如,通过一个Switch模块来根据电池SOC(State of Charge,荷电状态)值决定车辆是纯电行驶还是混动行驶:
% 简单示例代码,用于在Matlab脚本中模拟基于SOC的模式切换逻辑
SOC = 0.3; % 假设当前电池SOC值
if SOC > 0.2
mode = 'hybrid'; % 混动模式
else
mode = 'electric'; % 纯电模式
end
这里通过简单的if - else语句来模拟根据SOC值决定车辆行驶模式的逻辑,在Simulink里就是类似的通过条件判断模块来实现。
- 发动机模型:模拟发动机的输出扭矩、转速等特性。发动机的工作过程比较复杂,涉及到燃烧、机械传动等,在Simulink中可以用传递函数模块来近似模拟其特性。比如,发动机扭矩输出可能与节气门开度、发动机转速等有关,可以构建一个简单的函数关系:
% 简单发动机扭矩计算示例
throttle = 0.5; % 节气门开度,0 - 1之间
engine_speed = 2000; % 发动机转速
torque = throttle * 0.1 * engine_speed; % 简单的扭矩计算关系,实际要复杂得多
在Simulink里,将节气门开度和发动机转速作为输入,通过自定义的函数模块输出发动机扭矩。
- 驱动电机模型:负责车辆的电动驱动部分,要模拟其扭矩输出、效率等特性。以永磁同步电机为例,在Simulink中有专门的电机库可以调用,设置相关参数如额定功率、额定转速等,就能较为准确地模拟其工作状态。
- ISG电机模型:ISG电机除了能辅助发动机启动,还能在车辆制动时回收能量。在Simulink中,可以通过设置不同的工作模式来实现这些功能,例如发电模式和电动模式的切换。
- AMT5档自动变速箱模型:实现不同档位的切换,以匹配不同的行驶工况。在Simulink里,可以通过状态机模块来模拟变速箱的换挡逻辑,根据车速、发动机转速等信号决定是否换挡以及换入哪个档位。
- 驾驶员模型:模拟驾驶员的操作,比如加速踏板和制动踏板的动作。可以通过一个简单的输入模块来模拟驾驶员对踏板的操作,将踏板开度作为输出信号传递给其他模块。
- 电池能量管理控制模型:监测和管理电池的SOC、电流、电压等参数,确保电池安全高效运行。在Simulink中,可以通过搭建一些监测模块和控制算法模块来实现,比如当SOC过低时,限制电机的输出功率。
整车策略开发思路与模型搭建流程
- 输入输出确定:首先要明确整个模型的输入和输出。输入可能包括驾驶员的操作信号(加速踏板、制动踏板开度)、环境参数(如坡度)等;输出则是各种车辆运行状态参数,像发动机扭矩、车速等。在Simulink里,就是确定各个模块的输入输出端口。
- 模块搭建:根据前面提到的各个组件,在Simulink里一个一个搭建相应的模块。比如搭建发动机模型模块时,要根据其工作原理和特性设置内部的参数和函数关系。每个模块就像是一个小零件,逐步搭建起来组成一个完整的系统。
- 连接与调试:将搭建好的各个模块按照车辆实际的物理连接关系进行连接,比如发动机的扭矩输出连接到变速箱的输入,变速箱的输出连接到驱动轮等。连接好后,进行调试,检查是否有错误,比如信号类型不匹配、参数设置不合理等问题。通过不断调试,确保模型能够正常运行。
仿真结果
这个模型的仿真结果超丰富!能得到发动机工作扭矩,电机工作扭矩,电池SOC变化,电池能量变化,电池电流变化,车速跟随变化,燃油消耗变化,累计行驶距离结果,整车工作模式变化等等结果。通过这些结果,我们可以深入分析车辆在不同工况下的性能,为进一步优化模型和整车控制策略提供依据。

基于Matlab/simulink的插电式混合动力汽车建模仿真模型4驱PHEV(比亚迪唐DM混动系统P2P4发动机——三擎四驱),包括整车HCU控制单元、发动机模型、驱动电机模型、ISG电机模型、AMT5档自动变速箱模型、驾驶员模型、电池能量管理控制模型等,建模详细清晰 基于模型的整车策略开发思路、整车模型搭建流程(从最初输入输出确定——最后整个模型建立全过程) 相当于手把手教学,新能源混动控制建模方面相关需求人才强烈推荐,教你玩转基于simulink的混动汽车建模开发流程 ——此模型为本人研究生阶段开发的,纯手工搭建(与比亚迪唐超级混动系统DM二代构型一摸一样),全网独一份,数据齐全,可直接仿真出结果(不能仿真不收费),整车构型传动结构下图已展示,整车能量管理策略很直观,方便学习 ——仿真结果:发动机工作扭矩,电机工作扭矩,电池SOC变化,电池能量变化,电池电流变化,车速跟随变化,燃油消耗变化,累计行驶距离结果,整车工作模式变化等等结果全部都有

总之,这个基于Matlab/Simulink的混动汽车建模开发流程,对于新能源混动控制建模方面相关需求人才来说,绝对是个宝藏,能让你轻松玩转混动汽车建模!希望大家都能从这个模型中收获满满,在新能源汽车领域大展身手!





AtomGit 是由开放原子开源基金会联合 CSDN 等生态伙伴共同推出的新一代开源与人工智能协作平台。平台坚持“开放、中立、公益”的理念,把代码托管、模型共享、数据集托管、智能体开发体验和算力服务整合在一起,为开发者提供从开发、训练到部署的一站式体验。
更多推荐

所有评论(0)