光储并网直流微电网仿真模型设计与实现
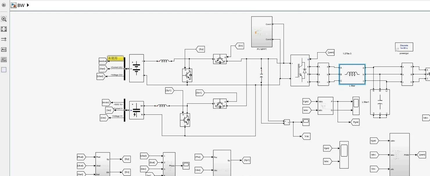
光储并网直流微电网仿真模型(matlab/simulink,2018),包含: 1.MPPT模块,实现光伏输入最大功率跟踪; 2.储能电池模块; 3.超级电容模块; 控制策略简介: 糸统使用二阶低通滤波法对光伏输出功率进行抑制,通过设置不同截止频率,高频功率给超级电容响应,中频给蓄电池响应,低频功率馈入电网,并网THDi小于5%,母线电压稳定,并网质量良好;有对应文献;

本文将介绍一个基于Matlab/Simulink的光储并网直流微电网仿真模型,并详细分析模型中的各功能模块以及它们的实现方法。仿真模型主要包含了MPPT模块、储能电池模块以及超级电容模块,并结合二阶低通滤波控制策略,确保系统的功率分配和并网质量。
一、模型整体架构
该模型由以下几个主要部分组成:
- 光伏系统模块:实现对光伏输出功率的建模,同时通过MPPT模块实现对光伏输出功率的最大功率跟踪。
- 储能电池模块:用于存储系统的多余能量,并在系统需要时提供能量支持。
- 超级电容模块:用于快速响应系统中的功率波动。
- 并网逆变器模块:实现系统的并网运行功能。
二、模型细节设计
1. MPPT模块
MPPT模块采用了增量电导法实现。增量电导法的核心思想是通过动态调整Boost斩波电路的占空比,使光伏阵列的工作点始终工作在最大功率点附近。

光储并网直流微电网仿真模型(matlab/simulink,2018),包含: 1.MPPT模块,实现光伏输入最大功率跟踪; 2.储能电池模块; 3.超级电容模块; 控制策略简介: 糸统使用二阶低通滤波法对光伏输出功率进行抑制,通过设置不同截止频率,高频功率给超级电容响应,中频给蓄电池响应,低频功率馈入电网,并网THDi小于5%,母线电压稳定,并网质量良好;有对应文献;

具体实现步骤如下:
- 对光伏模块的输出电压进行采样,并计算其当前功率。
- 根据采样得到的电压和功率的变化率,动态调整占空比,从而使光伏模块工作在最大功率点。
以下是MPPT模块的相关代码示例:
function [ duty_ratio ] = MPPT_Control( v_out, p_out )
global previous_voltage previous_power
dV = v_out - previous_voltage; % 计算电压变化量
dP = p_out - previous_power; % 计算功率变化量
if dP > 0
duty_ratio = duty_ratio + 0.01; % 功率增加,占空比增加
else
duty_ratio = duty_ratio - 0.01; % 功率减少,占空比减小
end
previous_voltage = v_out; % 更新电压值
previous_power = p_out; % 更新功率值
% 限制占空比范围
duty_ratio = max(0.1, min(0.9, duty_ratio));
end
2. 储能电池模块
储能电池模块采用了恒压充电/放电的方式,并结合系统需求动态调整充放电电流。以下是储能电池模块的主要代码:
function [ battery_current ] = Battery_Control( SOC, grid_power )
% SOC: 储能电池荷电状态,范围0~1
% grid_power: 并网功率,正值为向电网输出,负值为从电网吸收
% 设置充放电流限值
max_charge_current = 100; % A
max_discharge_current = 100; % A
% 基于_soc_的状态调整充放电电流
if SOC < 0.2
% 电池电量低,进行充电
charge_current = min( max_charge_current, ...
grid_power / 3600 ) / 1000; % 转换单位
elseif SOC > 0.8
% 电池电量高,进行放电
discharge_current = min( max_discharge_current, ...
-grid_power / 3600 ) / 1000; % 转换单位
else
% 电池电量处于中等水平
charge_current = 0;
discharge_current = 0;
end
battery_current = charge_current - discharge_current;
end
3. 超级电容模块
超级电容模块用于快速响应系统中的功率波动,确保系统的动态稳定性。以下是超级电容模块的主代码:
function [ capacitance_current ] = Capacitance_Control( power_fluctuation )
% power_fluctuation: 系统中的功率波动量
capacitance_current = power_fluctuation / (1000 * delta_t); % 转换单位到安培
end
三、控制策略及实现
系统采用了二阶低通滤波控制策略对光伏输出功率进行抑制,其核心思想是通过设置不同的截止频率,将高频功率分配给超级电容,中频功率分配给蓄电池,而低频功率则馈入电网。这样不仅能够有效抑制系统的功率波动,还能确保并网质量。
1. 控制策略分析
系统的二阶低通滤波器设计如下:
- 高频分量:由超级电容负责吸收,截止频率设为10Hz。
- 中频分量:由蓄电池负责调节,截止频率设为1Hz。
- 低频分量:直接馈入电网,截止频率设为0.1Hz。
通过这种分频策略,能够有效实现系统的功率分配与动态平衡。
2. 低通滤波器的设计与实现
以下是二阶低通滤波器的Matlab实现代码:
function [ filtered_signal ] = Low_Pass_Filter( input_signal, cutoff_frequency )
% 设计二阶低通滤波器
T = 0.001; % 采样时间
num = [ 0 0 cutoff_frequency^2 ]; % 分子多项式
den = [ 1 2*cutoff_frequency*T/cutoff_frequency^2*T^2 ];
% 使用滤波器对信号进行处理
[ z, p, k ] = tf2zpk( num, den );
[ b, a ] = zp2tf( z, p, k );
filtered_signal = filter( b, a, input_signal );
end
四、模型仿真结果分析
通过仿真运行,可以观察到系统在不同工况下的运行特性:
- 当光伏输出功率发生突变时,超级电容能够快速响应,平抑功率波动。
- 在持续的功率变化过程中,储能电池逐渐介入,调节系统的能量平衡。
- 系统的并网电流总谐波畸变率(THDi)小于5%,母线电压稳定在额定值附近,表明控制策略的有效性和系统的并网质量。
五、结论
本模型通过Matlab/Simulink实现了一个完整的光储并网直流微电网系统仿真,涵盖了MPPT跟踪、储能管理以及并网控制等功能。通过二阶低通滤波策略,实现了高频、中频和低频功率的合理分配,有效提升了系统的动态性能和并网质量。仿真结果表明,系统的并网电流总谐波畸变率(THDi)小于5%,母线电压稳定,满足实际工程需求。

通过不断优化控制策略和系统参数,可以进一步提升系统的运行效率和稳定性,为光储互补的微电网系统提供可靠的技术支持。

AtomGit 是由开放原子开源基金会联合 CSDN 等生态伙伴共同推出的新一代开源与人工智能协作平台。平台坚持“开放、中立、公益”的理念,把代码托管、模型共享、数据集托管、智能体开发体验和算力服务整合在一起,为开发者提供从开发、训练到部署的一站式体验。
更多推荐

所有评论(0)