基于滑模控制的永磁同步电机矢量控制的Matlab仿真模型(SMC - PMSM)
基于滑模控制的永磁同步电机矢量控制的matlab仿真模型(smc-pmsm)
在电机控制领域,永磁同步电机(PMSM)因其高效、高功率密度等优点被广泛应用。而滑模控制(SMC)以其对系统参数变化和外部干扰的强鲁棒性,成为PMSM控制策略的热门选择。今天就来聊聊基于滑模控制的永磁同步电机矢量控制的Matlab仿真模型(SMC - PMSM)。
永磁同步电机矢量控制基础
矢量控制的核心思想是通过坐标变换,将定子电流分解为励磁电流分量和转矩电流分量,从而实现对电机磁通和转矩的解耦控制,就如同给电机的两个关键参数分别安装了独立的“控制阀门”。
以常用的三相静止坐标系(abc)到两相静止坐标系(αβ)再到两相旋转坐标系(dq)的变换为例,其变换矩阵如下:
\[ C_{abc \to \alpha\beta} = \frac{2}{3} \begin{bmatrix} 1 & -\frac{1}{2} & -\frac{1}{2} \\ 0 & \frac{\sqrt{3}}{2} & -\frac{\sqrt{3}}{2} \end{bmatrix} \]

\[ C_{\alpha\beta \to dq} = \begin{bmatrix} \cos\theta & \sin\theta \\ -\sin\theta & \cos\theta \end{bmatrix} \]
这里的 \(\theta\) 是转子位置角。通过这一系列变换,就可以方便地在dq坐标系下对电机进行控制。
滑模控制原理
滑模控制有一个很形象的比喻,就像在一个既定的“轨道”(滑模面)上,系统状态沿着这个轨道滑动直至达到目标。滑模面的设计至关重要,它决定了系统的动态性能。
假设我们定义滑模面 \(s\) 为:
基于滑模控制的永磁同步电机矢量控制的matlab仿真模型(smc-pmsm)

\[ s = \dot{e} + \lambda e \]
其中 \(e\) 是系统的误差,\(\lambda\) 是一个正的常数,用于调整滑模面的收敛速度。当系统状态到达滑模面后,就会沿着滑模面趋近于平衡点。
为了让系统状态能“乖乖”地到达滑模面,我们需要设计滑模控制器。常见的滑模控制器形式为:
\[ u = u{eq} + u{s} \]

这里 \(u{eq}\) 是等效控制,用于维持系统在滑模面上运动,\(u{s}\) 是切换控制,将系统状态拉到滑模面上。
Matlab仿真模型搭建
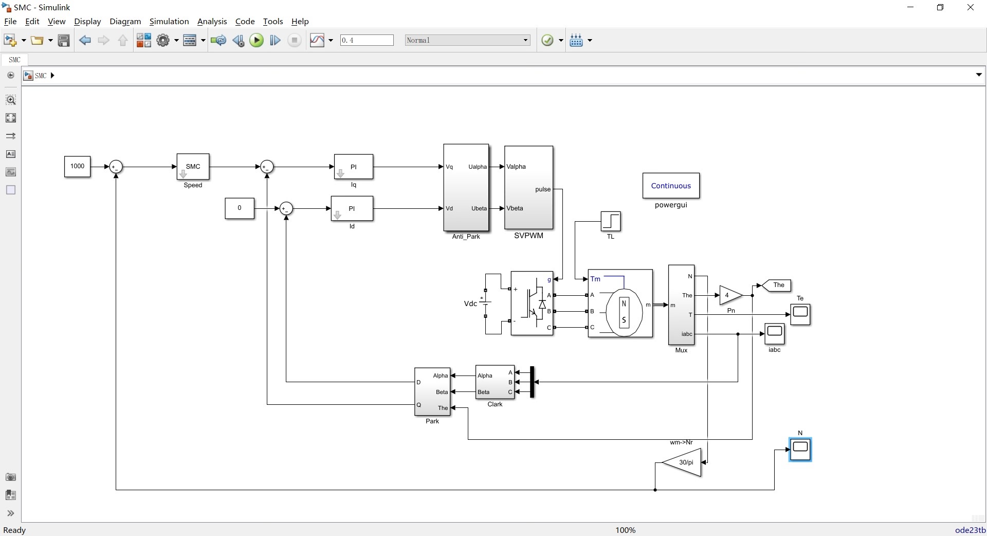
在Matlab的Simulink环境中搭建SMC - PMSM仿真模型。
电机模型模块
首先构建永磁同步电机模型。Matlab提供了现成的PMSM模块,我们可以设置电机的参数,如额定功率、额定转速、定子电阻、电感等。
滑模控制器模块
接下来是滑模控制器模块。在这个模块中,我们按照前面提到的滑模控制原理进行编程。以Matlab代码为例:
% 定义参数
lambda = 10; % 滑模面参数
k = 1; % 切换控制增益
% 计算滑模面
s = dot_error + lambda * error;
% 等效控制
u_eq = -Kp * error - Ki * integral_error;
% 切换控制
u_s = -k * sign(s);
% 总控制量
u = u_eq + u_s;
在这段代码中,dot_error 是误差的导数,error 是系统当前的误差,Kp 和 Ki 是比例和积分系数,用于等效控制部分。sign(s) 函数用于判断滑模面的符号,从而确定切换控制的方向。
矢量变换模块
再搭建矢量变换模块,实现前面提到的坐标变换。例如从abc坐标系到αβ坐标系的变换代码如下:
% abc坐标系到αβ坐标系变换
alpha = (2/3) * (ia - 0.5 * ib - 0.5 * ic);
beta = (2/3) * (sqrt(3)/2 * ib - sqrt(3)/2 * ic);
这里 ia、ib、ic 是三相定子电流。
仿真结果分析
运行仿真后,我们可以观察到电机的转速、转矩等关键参数的变化。比如,当电机受到外部扰动时,基于滑模控制的系统能够快速调整,保持转速的稳定,充分展示了滑模控制的强鲁棒性。
通过这样一个基于滑模控制的永磁同步电机矢量控制的Matlab仿真模型(SMC - PMSM),我们能够深入理解和验证这种控制策略的有效性,为实际工程应用提供有力的理论支持和技术储备。无论是新能源汽车的电机驱动,还是工业机器人的高精度运动控制,SMC - PMSM都有着广阔的应用前景。
AtomGit 是由开放原子开源基金会联合 CSDN 等生态伙伴共同推出的新一代开源与人工智能协作平台。平台坚持“开放、中立、公益”的理念,把代码托管、模型共享、数据集托管、智能体开发体验和算力服务整合在一起,为开发者提供从开发、训练到部署的一站式体验。
更多推荐


所有评论(0)