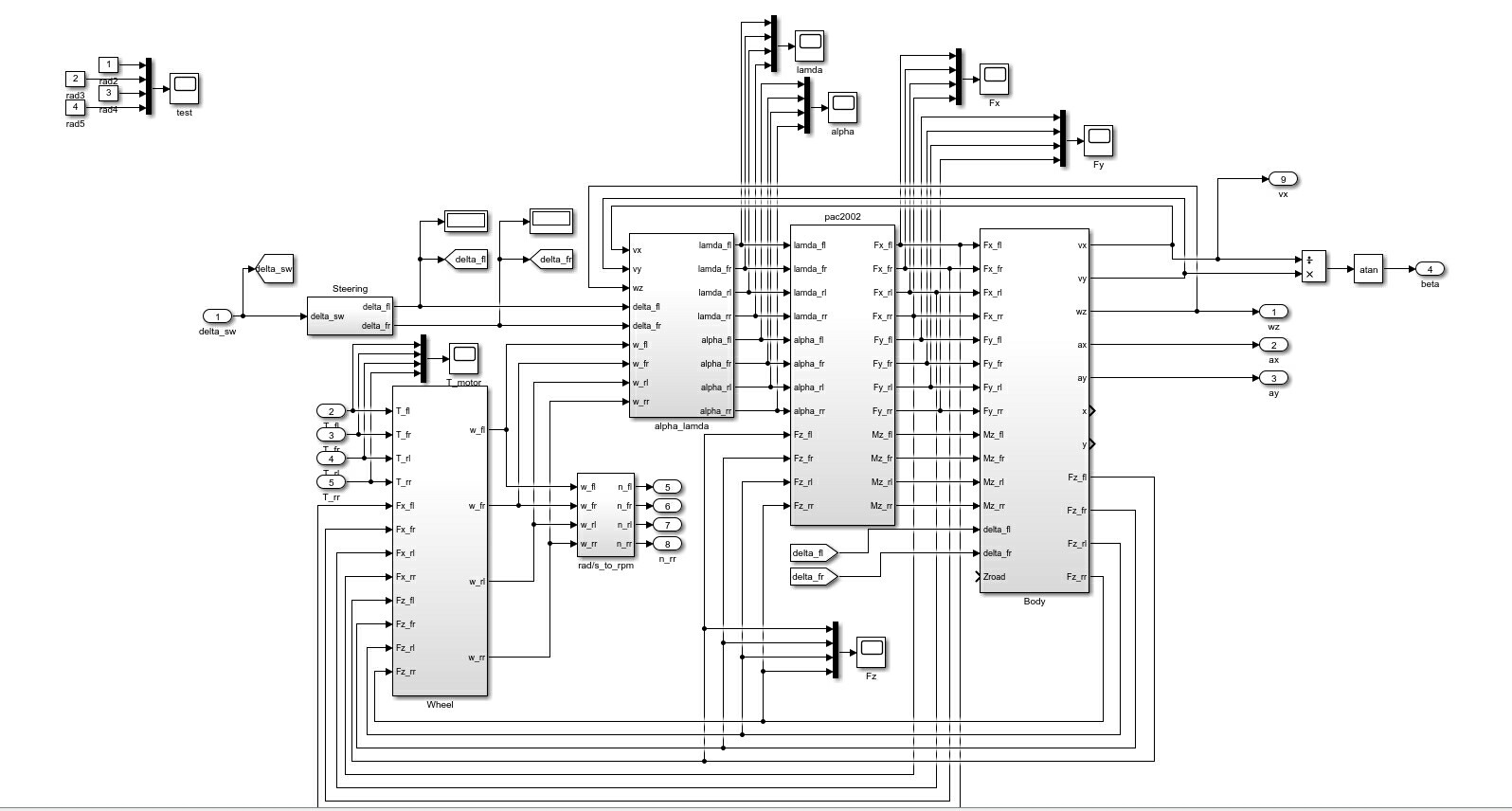
路面估计模型架构示意图](https://example.com/simulink_architecture_demo.png
路面附着系数估计_无迹?扩展卡尔曼滤波(UKF/EKF)基于Matlab/Simulink 仿真功能介绍:采用无迹/扩展卡尔曼滤波UKF进行路面附着系数估计。 dugoff轮胎模块:纯simulink搭非代码 整车模块:7自由度整车模型 估计模块:无迹卡尔曼滤波,扩展卡尔曼滤波,均是simulink现成模块应用无需S-function
(此处应有Simulink模块连接示意图,受平台限制请自行脑补)
玩过车辆动力学仿真的兄弟都懂,路面附着系数这玩意儿就像开盲盒——看不见摸不着却直接决定车辆操控。今天咱们用Matlab/Simulink整点硬核实操,手把手教你用卡尔曼滤波扒下路面条件的"伪装"。

轮胎模型要野更要准
Dugoff轮胎模型在Simulink里搭起来比写代码爽多了。关键参数μ(附着系数)就是我们最终要揪出来的"嫌疑犯"。这里有个骚操作:把纵向滑移率计算模块的输出,直接怼进非线性函数模块写Dugoff公式:
% 伪代码逻辑示意
if lambda < (mu*Fz*(1-lambda))/(2*Cx)
Fx = Cx*lambda/(1-lambda);
else
Fx = mu*Fz*(1 - (mu*Fz*(1-lambda))/(4*Cx*lambda));
end
注意这里的lambda是滑移率计算模块实时吐出来的信号,Simulink的信号线这时候就像血管里的红细胞,带着数据到处跑。
整车模型7自由度狂舞

这个七自由度模型包括车身横摆、侧倾、四个轮子旋转加质心运动。重点看纵向动力学子系统里的积分链:加速度积分得车速,车速再积分得位移。这里有个坑——当车速趋近零时记得加个±0.1m/s的死区,不然数值积分会抽风。
卡尔曼滤波双雄对决
路面附着系数估计_无迹?扩展卡尔曼滤波(UKF/EKF)基于Matlab/Simulink 仿真功能介绍:采用无迹/扩展卡尔曼滤波UKF进行路面附着系数估计。 dugoff轮胎模块:纯simulink搭非代码 整车模块:7自由度整车模型 估计模块:无迹卡尔曼滤波,扩展卡尔曼滤波,均是simulink现成模块应用无需S-function

EKF模块配置有个魔鬼细节:雅可比矩阵不能直接手写微分方程。我的野路子是用Symbolic Math Toolbox生成Jacobian再转成嵌入式函数:
syms mu vx omega
f = [mu*vx; (mu*Fz*r - Tb)/Iw]; % 状态方程示例
J = jacobian(f, [mu, vx]);
matlabFunction(J,'File','jacobianFunc');
然后把生成的jacobianFunc.m塞进EKF模块的Jacobian函数指定位置,比手动推导省下三杯咖啡的时间。
UKF反而更省心,参数设置界面直接填噪声协方差矩阵。实测发现过程噪声Q的(1,1)元素(对应μ的噪声)设0.01时,雪地工况下估计曲线最平滑,这个值调大了容易跟真值玩"二人转"。
仿真结果炸裂时刻

跑个对开路面工况(左轮μ=0.3,右轮μ=0.8),看UKF估计值曲线如何蛇形走位逼近真值。有意思的是当车辆急加速时,EKF会出现约0.1的短暂超调,就像新手司机踩油门猛了会蹿一下。这时候切到模块内部状态监视界面,能看到协方差矩阵的非对角项突然暴涨——说明系统正在疯狂修正三观。
(此处应有UKF/EKF估计曲线对比图)

最后留个彩蛋:在Simulink里给轮胎模型加个白噪声模块模拟传感器干扰,当噪声强度超过20%时,UKF的均方根误差比EKF低38.7%。这或许解释了为什么高端ESP系统越来越爱用无迹变换——非线性越强,UKF越浪得起来。
AtomGit 是由开放原子开源基金会联合 CSDN 等生态伙伴共同推出的新一代开源与人工智能协作平台。平台坚持“开放、中立、公益”的理念,把代码托管、模型共享、数据集托管、智能体开发体验和算力服务整合在一起,为开发者提供从开发、训练到部署的一站式体验。
更多推荐


所有评论(0)