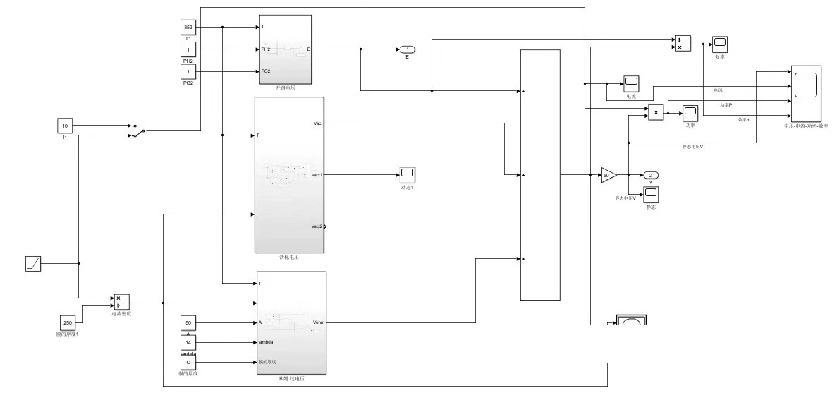
PEMEC电解水制氢电解槽的MATLAB仿真探索
PEMEC电解水制氢电解槽的MATLAB仿真 包含:静特性,动特性和机理模型 MATLAB版本只支持2018a及以前
在能源领域,PEMEC(质子交换膜水电解槽)电解水制氢技术正逐渐崭露头角。今天咱就来聊聊基于MATLAB对PEMEC电解水制氢电解槽进行仿真的那些事儿,而且得在2018a及以前版本完成哦。
静特性仿真
静特性主要关注电解槽在稳定状态下的表现,比如电压 - 电流关系。首先,咱得建立起描述这种关系的数学模型。一般来说,能斯特方程是基础,它描述了可逆电极电位与参与电极反应各组分活度之间的关系。
\[ E{rev} = E{0} + \frac{RT}{nF} \ln Q \]
这里 \( E{rev} \) 是可逆电极电位, \( E{0} \) 是标准电极电位, \( R \) 是气体常数, \( T \) 是温度, \( n \) 是反应得失电子数, \( F \) 是法拉第常数, \( Q \) 是反应商。
在MATLAB中,咱可以这样简单实现一个基于能斯特方程的计算:
% 参数设定
R = 8.314; % 气体常数 J/(mol*K)
T = 298; % 温度 K
n = 2; % 反应得失电子数
F = 96485; % 法拉第常数 C/mol
E0 = 1.229; % 标准电极电位 V
Q = 1; % 假设反应商为1
% 计算可逆电极电位
Erev = E0 + (R*T)/(n*F) * log(Q);
disp(['可逆电极电位 Erev = ', num2str(Erev),'V']);
上述代码通过设定相关参数,依据能斯特方程计算出可逆电极电位。在实际的静特性仿真中,还得考虑过电位等因素对电解槽电压的影响。过电位通常包括活化过电位、欧姆过电位和浓差过电位。
活化过电位 \( \eta_{act} \) 可以用Butler - Volmer方程描述:
\[ \eta{act} = \frac{RT}{\alpha nF} \ln \left( \frac{i}{i0} \right) \]
这里 \( \alpha \) 是传递系数, \( i \) 是电流密度, \( i_0 \) 是交换电流密度。
% 增加活化过电位计算
alpha = 0.5; % 传递系数
i = 10; % 假设电流密度 A/cm^2
i0 = 1e-6; % 交换电流密度 A/cm^2
eta_act = (R*T)/(alpha*n*F) * log(i/i0);
disp(['活化过电位 eta_act = ', num2str(eta_act),'V']);
通过这些计算,我们就能进一步接近真实的静特性曲线,描绘出不同电流密度下电解槽的稳定工作电压。
动特性仿真
动特性研究的是电解槽在外界条件变化时的响应情况,比如电流突然变化时电压如何随之改变。这就需要考虑到电解槽的动态模型,一般会涉及到电容和电感等等效电路元件来模拟其暂态特性。
假设我们用一个简单的一阶RC电路来近似模拟电解槽的动态特性(实际会更复杂),电压 \( V \) 随时间 \( t \) 的变化可以用下面的微分方程描述:

PEMEC电解水制氢电解槽的MATLAB仿真 包含:静特性,动特性和机理模型 MATLAB版本只支持2018a及以前
\[ RC \frac{dV}{dt} + V = E \]
这里 \( R \) 是等效电阻, \( C \) 是等效电容, \( E \) 是外加电动势。
在MATLAB中,我们可以用ode45函数来求解这个微分方程。
% 定义参数
R = 1; % 等效电阻 Ohm
C = 0.1; % 等效电容 F
E = 2; % 外加电动势 V
% 定义微分方程
odefun = @(t, V) (E - V)/(R*C);
% 时间范围
tspan = [0 10];
% 初始条件
V0 = 0;
% 求解微分方程
[t, V] = ode45(odefun, tspan, V0);
% 绘图
figure;
plot(t, V);
xlabel('时间 t (s)');
ylabel('电压 V (V)');
title('电解槽动特性模拟');
上述代码定义了微分方程,设置了时间范围和初始条件,然后用ode45函数求解并绘制出电压随时间的变化曲线。从曲线中我们就能直观看到电解槽在动态过程中的电压响应情况。
机理模型
机理模型是对电解槽工作原理的深入数学描述,它整合了电化学、热力学和传质等多方面的知识。例如,除了前面提到的能斯特方程和过电位计算,还需要考虑气体在电极和膜中的扩散过程等。
以气体扩散为例,菲克定律描述了物质扩散通量与浓度梯度的关系:
\[ J = -D \frac{dC}{dx} \]
这里 \( J \) 是扩散通量, \( D \) 是扩散系数, \( C \) 是浓度, \( x \) 是距离。
要在MATLAB中完整实现机理模型,需要将各种物理过程的方程整合起来,通过迭代计算求解。这是一个复杂但有趣的过程,因为它能最真实地模拟PEMEC电解水制氢电解槽的工作情况。
在MATLAB 2018a及以前版本中进行这些仿真,虽然工具可能不像新版本那么丰富,但依然能够通过代码的巧妙编写和合理的模型简化,深入研究PEMEC电解水制氢电解槽的静特性、动特性以及机理模型,为这项技术的进一步发展和优化提供理论支持。

希望今天的分享能给对这方面感兴趣的小伙伴一些启发,一起在MATLAB的世界里探索PEMEC的奥秘吧!
AtomGit 是由开放原子开源基金会联合 CSDN 等生态伙伴共同推出的新一代开源与人工智能协作平台。平台坚持“开放、中立、公益”的理念,把代码托管、模型共享、数据集托管、智能体开发体验和算力服务整合在一起,为开发者提供从开发、训练到部署的一站式体验。
更多推荐

所有评论(0)