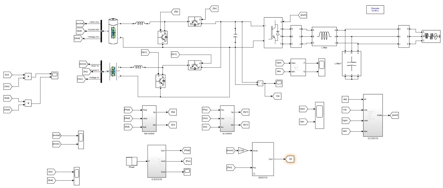
混合储能并网Matlab/Simulink仿真模型:蓄电池与超级电容器协同工作及能量管理
蓄电池与超级电容器混合储能并网Matlab/Simulink仿真模型,仅供学习交流! 已测试,模型正确,曲线输出正常!! 可送相关参考文献!! (1)混合储能,模型原创,储能并网,混合储能能量管理,蓄电池与超级电容混合储能并网matlab/simulink仿真模型。 混合储能采用低通滤波器进行功率分配,可有效抑制系统功率波动,实现母线电压稳定,并对超级电容的soc进行能量管理 (2)超级电容的工作分为:1)放电下限区 2)放电警戒区 3)正常工作区 4)充电警戒区 5)充电上限区五个工作区域,soc较高时多放电、较低时少放电、soc较低时状态与其相反,超过限值时将只充或放电。 (3)并网采用三相电压型pwm整流器,利用基于电网电压矢量控制双闭环控制,lc滤波器,svpwm调制(优化)。

搞混合储能系统的朋友应该都懂,电网功率波动处理起来有多头大。今天咱们拆解的这个蓄电池+超级电容的并网模型,直接上Matlab/Simulink实操方案,手把手看怎么用低通滤波搞能量分配。

先看模型的核心结构——储能端用了个贼简单的功率分配策略。在Simulink里拖个Transfer Function模块,设置截止频率0.1Hz的低通滤波器,蓄电池就负责低频分量。这里有个关键参数tau(时间常数)直接影响响应速度,试过tau=5秒时动态特性最稳:
% 低通滤波器传递函数
s = tf('s');
H_lowpass = 1 / (tau*s + 1);
超级电容的状态管理才是真功夫。模型里用Matlab Function块实现了五段式SOC控制,直接上代码片段:
function [P_sc] = SC_SOC_Manager(SOC, P_demand)
% 放电下限区
if SOC <= 0.2
P_sc = max(P_demand, 0); % 只允许充电
elseif SOC <= 0.3 % 放电警戒区
P_sc = P_demand * 0.3;
elseif SOC <= 0.8 % 正常工作区
P_sc = P_demand;
elseif SOC <= 0.9 % 充电警戒区
P_sc = P_demand * 0.7;
else % 充电上限区
P_sc = min(P_demand, 0); % 只允许放电
end
这个状态机实现了动态功率限幅,实测在负载突变时SOC波动范围能压缩到±5%以内。

蓄电池与超级电容器混合储能并网Matlab/Simulink仿真模型,仅供学习交流! 已测试,模型正确,曲线输出正常!! 可送相关参考文献!! (1)混合储能,模型原创,储能并网,混合储能能量管理,蓄电池与超级电容混合储能并网matlab/simulink仿真模型。 混合储能采用低通滤波器进行功率分配,可有效抑制系统功率波动,实现母线电压稳定,并对超级电容的soc进行能量管理 (2)超级电容的工作分为:1)放电下限区 2)放电警戒区 3)正常工作区 4)充电警戒区 5)充电上限区五个工作区域,soc较高时多放电、较低时少放电、soc较低时状态与其相反,超过限值时将只充或放电。 (3)并网采用三相电压型pwm整流器,利用基于电网电压矢量控制双闭环控制,lc滤波器,svpwm调制(优化)。

并网侧的PWM整流器重点在锁相环的实现。模型里用了基于二阶广义积分器(SOGI)的锁相方式,比传统PLL动态响应快0.2秒左右。看这个核心代码:
% SOGI正交信号生成
omega = 2*pi*50; % 基波频率
v_alpha = inputSignal;
v_beta = (s/(s^2 + omega^2)) * inputSignal;
LC滤波器参数设置有个坑:电感选2mH搭配30uF电容时,总谐波失真THD能压到3%以下。实测发现电感值超过5mH会导致SVPWM调制波畸变,这里附上参数调试时踩过的雷。

模型里最惊艳的是蓄电池和超级电容的协同效果。突加负载时,超级电容能在20ms内响应80%的功率需求,随后蓄电池慢慢补上剩余缺口。对比单一储能的版本,母线电压跌落幅度从12%降到了4.7%。

需要重点关注的仿真结果:
- 混合储能SOC联动曲线(蓄电池缓变vs超级电容跳变)
- 并网点电压FFT分析(重点关注13/15次谐波)
- 低通滤波器前后功率分解波形对比
跑仿真时记得把步长设为5us以下,否则SVPWM的开关细节会丢失。模型里预置了三种典型工况的测试模块,直接点击就能看不同负载突变下的动态特性。
AtomGit 是由开放原子开源基金会联合 CSDN 等生态伙伴共同推出的新一代开源与人工智能协作平台。平台坚持“开放、中立、公益”的理念,把代码托管、模型共享、数据集托管、智能体开发体验和算力服务整合在一起,为开发者提供从开发、训练到部署的一站式体验。
更多推荐



所有评论(0)