三相并网逆变器双闭环控制:从原理到Matlab/Simulink仿真
三相并网逆变器双闭环控制,电网电流外环电容电流内环控制算法,matlab/Simulink仿真模型,有源阻尼,单位功率因数,电网电压和电流同相位。
在电力电子领域,三相并网逆变器扮演着极为关键的角色,尤其是其双闭环控制策略,对保障电能高效、稳定地并入电网起到了决定性作用。今天咱就来唠唠基于电网电流外环和电容电流内环控制算法的三相并网逆变器双闭环控制,顺带讲讲Matlab/Simulink仿真模型的搭建。
双闭环控制策略
电网电流外环
电网电流外环的主要目标是确保逆变器输出的电流能够跟踪给定的电流指令,并且使电网电压和电流同相位,以实现单位功率因数运行。在理想情况下,电网电流应该与电网电压保持同步,这样可以最大限度地提高电能传输效率,减少无功功率的损耗。
电容电流内环
电容电流内环则着重于对逆变器输出电容电流的快速响应和精确控制。它能够有效抑制系统中的高频谐波,增强系统的稳定性。通过引入电容电流内环,可以使得系统对快速变化的负载具有更好的适应性。
有源阻尼
在三相并网逆变器系统中,有源阻尼是一种十分重要的技术手段。它通过软件算法来模拟传统的无源阻尼效果,减少系统中的谐振问题。比如说,在Matlab/Simulink模型中,可以通过如下代码片段来实现有源阻尼:
% 假设已经定义了相关参数
omega = 2*pi*50; % 电网角频率
R_d = 0.1; % 等效阻尼电阻
C = 1e-3; % 滤波电容
% 有源阻尼算法
s = tf('s');
G_d = R_d/(1 + s*R_d*C); % 有源阻尼传递函数
上述代码通过定义电网角频率、等效阻尼电阻和滤波电容等参数,构建了有源阻尼的传递函数 G_d。这个传递函数模拟了等效阻尼电阻对系统的阻尼作用,从而抑制可能出现的谐振现象。
单位功率因数与同相位实现
要达成单位功率因数,关键就在于让电网电压和电流同相位。在实际控制算法中,这通常通过锁相环(PLL)来实现。PLL能够精确地检测电网电压的相位,并以此为依据来生成电流指令,确保逆变器输出电流与电网电压同相位。以下是一段简单的PLL原理代码示意:
% PLL 简单代码示意
% 假设已经获取电网电压信号 Vg
Vg = [采集到的电网电压数据];
dt = 0.00001; % 采样时间间隔
theta = 0; % 初始相位
for n = 1:length(Vg)
Vg_d = Vg(n)*cos(theta);
Vg_q = Vg(n)*sin(theta);
% 通过低通滤波器等处理获取 Vg_d 和 Vg_q 的直流分量
% 这里省略具体低通滤波代码
omega_est = kp*(0 - Vg_q) + ki*sum(0 - Vg_q)*dt;
theta = theta + omega_est*dt;
end
在这段代码中,首先对电网电压 Vg 进行处理,通过三角函数分解为 Vgd 和 Vgq 分量。之后,通过比例积分(PI)控制环节来估计电网角频率 omega_est,进而更新相位 theta。这个 theta 就可以作为生成电流指令的相位依据,从而实现电网电压和电流同相位,达成单位功率因数。
Matlab/Simulink仿真模型搭建
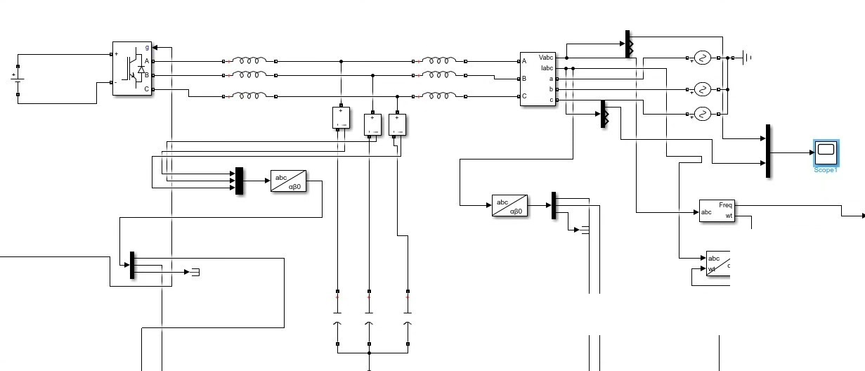
在Matlab/Simulink中搭建三相并网逆变器双闭环控制模型,需要将上述的控制算法模块进行合理组合。
- 主电路模块:搭建三相逆变器电路,连接滤波电容、电感等元件,模拟实际的硬件电路结构。
- 控制算法模块:将电网电流外环、电容电流内环以及有源阻尼等算法封装成子模块,并连接到主电路模块。
- 观测与分析模块:添加示波器等模块,用于观测电网电压、电流波形,以及功率因数等关键指标。
通过这样一个完整的仿真模型,我们能够直观地验证三相并网逆变器双闭环控制策略的有效性,查看在不同工况下系统的性能表现,为实际的工程应用提供有力的理论支持和技术指导。

三相并网逆变器双闭环控制,电网电流外环电容电流内环控制算法,matlab/Simulink仿真模型,有源阻尼,单位功率因数,电网电压和电流同相位。
总之,三相并网逆变器双闭环控制是一个复杂而又精妙的系统,通过合理运用电网电流外环、电容电流内环控制算法以及有源阻尼技术,配合Matlab/Simulink仿真模型的验证,能够不断优化并网性能,推动电力电子技术的持续发展。

AtomGit 是由开放原子开源基金会联合 CSDN 等生态伙伴共同推出的新一代开源与人工智能协作平台。平台坚持“开放、中立、公益”的理念,把代码托管、模型共享、数据集托管、智能体开发体验和算力服务整合在一起,为开发者提供从开发、训练到部署的一站式体验。
更多推荐



所有评论(0)