基于下垂控制的三相全桥PWM逆变器并网仿真模型搭建与解析
基于下垂控制的三相全桥PWM逆变器并网仿真模型 基于Matlab/Simulink仿真平台 主电路采用三相全桥PWM逆变器 1.仿真均能正常运行,能够准确跟踪对应参考值 2.直流母线电压设置为700V 3.逆变电路采用下垂+传统PI双闭环控制 供三相全桥PWM逆变的入门新学者学习参考。
引言
在电力电子领域,三相全桥PWM逆变器并网技术至关重要。对于刚接触三相全桥PWM逆变的小伙伴们,通过搭建基于下垂控制的仿真模型,能很好地理解其工作原理和控制策略。本文基于Matlab/Simulink仿真平台,为大家详细讲解如何构建这样一个模型。
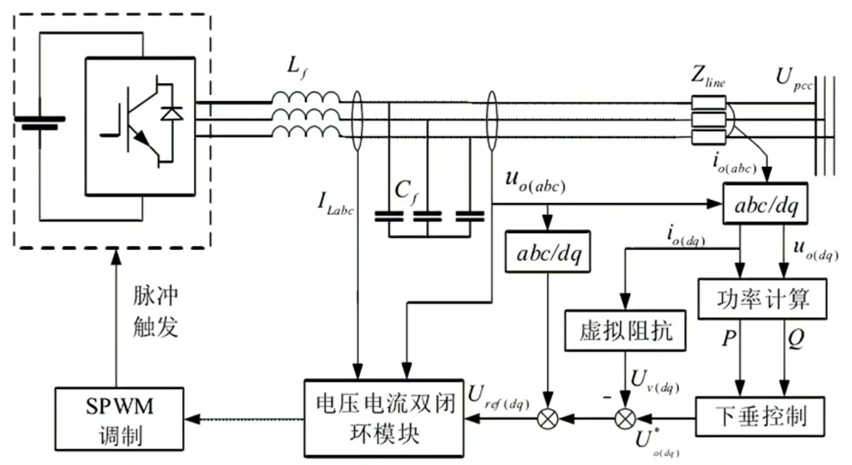
主电路 - 三相全桥PWM逆变器
三相全桥PWM逆变器是整个系统的核心部分。在Simulink中搭建它并不复杂,我们可以从Simulink的电力系统模块库中找到对应的三相桥式逆变电路模块。
% 这部分虽然没有实际代码直接构建三相全桥,但是理解其在Simulink中的搭建概念很重要
% 就如同在编程中,理解模块之间的连接关系是构建大系统的基础
这个模块主要作用是将直流电能转换为交流电能,其工作原理基于PWM调制技术,通过控制逆变器中功率开关器件的通断,输出具有特定频率和幅值的交流电。
仿真关键设置
1. 直流母线电压设置
我们将直流母线电压设置为700V,这是整个系统运行的一个关键参数。在Simulink模型中,对直流电源模块进行参数设置,将其电压值设为700V。
% 在Simulink中设置直流电源电压为700V,类似于在代码中对变量赋值
% 例如在Python中可以写成:
dc_voltage = 700
这样设置后,逆变器就有了稳定的直流输入源,为后续逆变过程提供能量。
2. 逆变电路控制策略 - 下垂 + 传统PI双闭环控制
采用下垂 + 传统PI双闭环控制策略,能使逆变器更好地跟踪参考值。下垂控制主要用于模拟同步发电机的外特性,实现并联逆变器间的功率分配。而PI双闭环控制则是内环控制电流,外环控制电压,保证系统的稳定性和输出电能质量。
% 以简单的Matlab代码示意PI控制器的基本结构
Kp = 0.5; % 比例系数
Ki = 0.1; % 积分系数
error = ref_value - measured_value; % 计算误差
integral = integral + error * dt; % 积分项计算
control_signal = Kp * error + Ki * integral; % PI控制输出
在上述代码中,refvalue是参考值,measuredvalue是测量值,dt是采样时间间隔。通过调整Kp和Ki的值,可以优化PI控制器的性能。下垂控制部分则需要根据功率与频率、电压幅值的关系进行算法设计,在Simulink中可以通过搭建相应的模块来实现。
仿真结果
经过合理搭建模型和设置参数后,仿真均能正常运行,并且能够准确跟踪对应参考值。通过观察仿真波形,如输出电压、电流波形等,可以直观地看到逆变器的工作状态以及控制策略的有效性。
% 假设我们已经得到了仿真结果数据,这里简单示意如何绘制电压波形
time = 0:0.001:1; % 时间向量
voltage = sin(2*pi*50*time); % 模拟输出电压数据
figure;
plot(time, voltage);
xlabel('Time (s)');
ylabel('Voltage (V)');
title('Output Voltage Waveform');
上述代码绘制了一个简单的正弦电压波形,实际仿真结果波形会更加复杂和贴合实际情况,帮助我们深入分析逆变器的性能。
总结
通过基于Matlab/Simulink搭建基于下垂控制的三相全桥PWM逆变器并网仿真模型,我们不仅对三相全桥PWM逆变器的工作原理有了更深入的理解,还熟悉了下垂控制和PI双闭环控制策略在其中的应用。希望这篇博文能帮助三相全桥PWM逆变的入门新学者快速上手,开启电力电子仿真学习之旅。

基于下垂控制的三相全桥PWM逆变器并网仿真模型 基于Matlab/Simulink仿真平台 主电路采用三相全桥PWM逆变器 1.仿真均能正常运行,能够准确跟踪对应参考值 2.直流母线电压设置为700V 3.逆变电路采用下垂+传统PI双闭环控制 供三相全桥PWM逆变的入门新学者学习参考。



AtomGit 是由开放原子开源基金会联合 CSDN 等生态伙伴共同推出的新一代开源与人工智能协作平台。平台坚持“开放、中立、公益”的理念,把代码托管、模型共享、数据集托管、智能体开发体验和算力服务整合在一起,为开发者提供从开发、训练到部署的一站式体验。
更多推荐

所有评论(0)