探索 BMS 仿真:电池平衡控制策略与 Simulink 的奇妙结合
BMS仿真电池平衡控制策略仿真similink 动力电池管理系统仿真 BMS + Battery Simulink 控制策略模型, 动力电池物理模型,需求说明文档。 BMS算法模型包含状态切换模型、SOC估计模型(提供算法说明文档)、电池平衡模型、功率限制模型等,动力电池物理模型包含两种结构的电池模型。 需要直接联系,售出不退,不提供。 通过上述模型可以实现动力电池系统的闭环仿真测试,亦可根据自身需求进行算法的更新并进行测试验证。
在动力电池管理系统(BMS)的领域中,仿真技术为我们深入理解和优化系统性能提供了强大的工具。今天咱们就来唠唠 BMS 仿真里的电池平衡控制策略以及与之紧密相关的 Simulink。
一、BMS + Battery Simulink 控制策略模型概述
BMS 的核心功能之一就是对电池进行精细化管理,而控制策略模型则是实现这一目标的关键。它就像是 BMS 的“大脑”,指挥着各个模块有序工作。

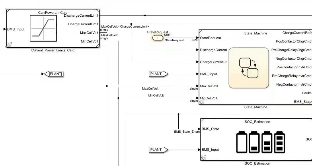
咱们这里的 BMS 算法模型涵盖了多个重要部分:
- 状态切换模型:这就好比是一个智能开关,它能根据电池当前的状态(比如充电、放电、静置等),灵活地切换 BMS 的工作模式,确保电池在各种工况下都能高效运行。
- SOC 估计模型:SOC(State of Charge)即荷电状态,通俗来讲就是电池还剩多少电。这部分模型提供了详细的算法说明文档,通过对电池电压、电流、温度等多种参数的综合分析,精准地估算出电池的 SOC 值。这里以常见的安时积分法为例简单说下,代码大概像这样:
% 假设初始 SOC 为 1
SOC = 1;
% 采样电流值(假设单位为 A)
I = 0.5;
% 采样时间间隔(假设单位为 h)
dt = 0.01;
% 电池容量(假设单位为 Ah)
C = 10;
SOC = SOC - (I * dt) / C;
在这段代码里,我们根据电流在一定时间内的积分,并结合电池容量,动态更新 SOC 的值。不过实际应用中会复杂得多,还得考虑各种误差补偿等。
- 电池平衡模型:这可是保证电池组性能一致性的关键模块。在电池组中,各个电池单体由于制造工艺等因素,性能会存在差异。电池平衡模型就负责在充电或放电过程中,对各单体电池的电量进行均衡,避免有的电池过充或过放。比如采用被动平衡策略,当检测到某个单体电池电压高于平均电压时,通过电阻消耗多余电量,代码示意如下:
% 假设单体电池电压数组
voltages = [3.8, 3.9, 3.7];
% 计算平均电压
avg_voltage = mean(voltages);
for i = 1:length(voltages)
if voltages(i) > avg_voltage
% 这里简单示意消耗电量,实际会通过硬件电路实现
voltages(i) = voltages(i) - 0.01;
end
end
- 功率限制模型:这个模型主要是为了保护电池,防止其在过高功率下工作而受损。它会根据电池的当前状态(如 SOC、温度等),合理限制电池的充放电功率。
二、动力电池物理模型
动力电池物理模型包含两种结构的电池模型。这两种模型从物理层面模拟电池的特性,为控制策略模型提供真实的电池响应反馈,就像是给 BMS 搭建了一个模拟的“电池舞台”,让各种控制策略可以在这里“彩排演练”。不同结构的电池模型适用于不同的场景和研究需求,帮助我们全面了解电池在各种情况下的行为。
三、需求说明文档的重要性
需求说明文档就像是整个仿真项目的“导航图”。它清晰地定义了我们要实现的目标、各个模型的具体功能要求、输入输出条件等。在搭建 BMS + Battery Simulink 控制策略模型和动力电池物理模型的过程中,需求说明文档时刻提醒着我们是否偏离了方向,是不是满足了实际应用场景的需求。
四、闭环仿真测试及算法更新
通过上述精心构建的模型,我们能够实现动力电池系统的闭环仿真测试。这就好比给 BMS 系统搭建了一个虚拟的“测试赛道”,可以模拟各种真实的工况,观察 BMS 在不同情况下的运行表现。而且,我们还能根据自身需求对算法进行更新。比如随着电池技术的发展,新的 SOC 估计算法出现了,我们就可以在现有的模型基础上进行修改,并再次进行测试验证,看看新算法是否能让 BMS 的性能更上一层楼。
BMS仿真电池平衡控制策略仿真similink 动力电池管理系统仿真 BMS + Battery Simulink 控制策略模型, 动力电池物理模型,需求说明文档。 BMS算法模型包含状态切换模型、SOC估计模型(提供算法说明文档)、电池平衡模型、功率限制模型等,动力电池物理模型包含两种结构的电池模型。 需要直接联系,售出不退,不提供。 通过上述模型可以实现动力电池系统的闭环仿真测试,亦可根据自身需求进行算法的更新并进行测试验证。

不过要注意,这里提到“需要直接联系,售出不退,不提供”,可能涉及到一些模型或相关资料的获取方式及售后规则,大家如果有进一步需求,就得按这个规则来啦。
总之,BMS 仿真中电池平衡控制策略与 Simulink 的结合,为我们研究和优化动力电池管理系统提供了一个高效且强大的平台,让我们能在虚拟世界中不断探索,为现实中的电池管理带来更好的解决方案。

AtomGit 是由开放原子开源基金会联合 CSDN 等生态伙伴共同推出的新一代开源与人工智能协作平台。平台坚持“开放、中立、公益”的理念,把代码托管、模型共享、数据集托管、智能体开发体验和算力服务整合在一起,为开发者提供从开发、训练到部署的一站式体验。
更多推荐


所有评论(0)