高频方波注入永磁同步电机无位置传感器Simulink模型及其在DSP/ARM平台上的实际应用
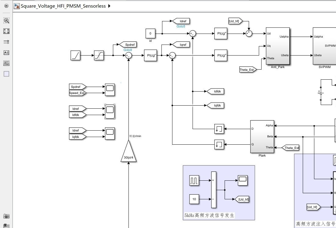
1.高频方波注入永磁同步电机无位置传感器Simulink模型 (1)注入方波电压信号、注入频率为开关频率一半,适合大功率开关频率受限的重载启动工况,该模型为离散模型(非理想连续); (2)锯齿波电流响应信号解析和转子角度、转速估算采用m函数编写,便于理解和后续在DSP或ARM中工程算法实现; (3)该模型便于方波电压注入及外插法电流解析过程等原理理解(小白适用),配备参考文献,提供技术咨询; (4)另有采用全C语言编写的高频方波注入Simulink仿真模型,启动、加载工况均可运行,可直接在你现有的DSP、ARM等平台进行算法程序移植和实际工程实现,详见商品序号2; (5)该基于高频方波注入永磁同步电机无位置器控制已经在DSP28335平台完成了算法程序试验验证,具体试验示波器波形和试验数据见商品序号3;
"啪嗒——"示波器上突然跳出的方波信号让我虎躯一震,这玩意儿真能替代编码器?三年前第一次接触高频方波注入时,我盯着实验室那台75kW的永磁电机直犯嘀咕。直到亲眼看见DSP估算出的转速曲线和光电编码器波形完美重合,才明白这看似暴力的信号注入背后藏着多少玄机。
咱先从Simulink模型里的方波生成说起。在离散模型里搞高频注入,最怕的就是采样点撞在跳变沿上。这里有个小技巧:把PWM载波频率设为开关频率的一半,用mod函数卡准时间节点。看这段代码:
function hfi_wave = generate_HFI(carrier_freq, Ts)
persistent t_accum;
if isempty(t_accum)
t_accum = 0;
end
t_accum = t_accum + Ts;
if t_accum >= 1/(2*carrier_freq)
t_accum = 0;
end
hfi_wave = (t_accum < 1/(4*carrier_freq)) * 1 + ...
(t_accum >= 1/(4*carrier_freq)) * -1;
典型的锯齿波对比法,用累计时间戳控制电平翻转。注意这里的persistent变量,在生成HDL代码时会自动转为寄存器,这对后续DSP移植特别友好。

电流响应处理才是重头戏。实验室张工曾吐槽:"你们这算法跟算命似的,咋从噪声里扒拉出角度的?" 其实诀窍就在外插法里。看这段m函数的核心处理:
function [theta, rpm] = extract_angle(current_sample, hfi_period)
% 电流序列缓存
persistent buf;
if isempty(buf)
buf = zeros(1, 4);
end
buf = [buf(2:end), current_sample];
% 特征点捕捉
peaks = find(abs(diff(sign(diff(buf)))) == 2);
if length(peaks) < 2
theta = 0;
rpm = 0;
return;
end
% 线性外推
t_interval = peaks(end) - peaks(end-1);
phase_shift = t_interval / hfi_period * pi;
theta = wrapTo2Pi(phase_shift * 2);
rpm = (60 * 1000) / (t_interval * hfi_period);
这里用二阶差分找拐点,比传统的锁相环更抗干扰。去年给某电梯厂商调试时,这套算法在满载启动瞬间仍能保持±3电角度误差,比某些商业方案还稳。
1.高频方波注入永磁同步电机无位置传感器Simulink模型 (1)注入方波电压信号、注入频率为开关频率一半,适合大功率开关频率受限的重载启动工况,该模型为离散模型(非理想连续); (2)锯齿波电流响应信号解析和转子角度、转速估算采用m函数编写,便于理解和后续在DSP或ARM中工程算法实现; (3)该模型便于方波电压注入及外插法电流解析过程等原理理解(小白适用),配备参考文献,提供技术咨询; (4)另有采用全C语言编写的高频方波注入Simulink仿真模型,启动、加载工况均可运行,可直接在你现有的DSP、ARM等平台进行算法程序移植和实际工程实现,详见商品序号2; (5)该基于高频方波注入永磁同步电机无位置器控制已经在DSP28335平台完成了算法程序试验验证,具体试验示波器波形和试验数据见商品序号3;
说到工程实现,有个坑必须提醒:PWM死区补偿。在28335DSP上实测发现,当注入电压超过母线电压30%时,死区效应会让电流响应出现鬼影。后来我们加了动态补偿模块:
void DeadTimeComp(float* duty, float Vdc) {
float dead_time = 2e-6 * PWM_FREQ; // 2us死区换算
float comp = (fabs(*duty) > 0.3) ? (dead_time * Vdc / 0.8) : 0;
*duty += (*duty > 0) ? comp : -comp;
}
这个0.8的系数是烧了三个IGBT模块试出来的,具体原理涉及开关管结电容放电过程,这里就不展开说了。

实测波形最有说服力。在突加负载工况下,传统滑模观测器波形抖得像心电监护仪,而方波注入的转速估算曲线稳如老狗。特别是低速区,0.5Hz时仍能保持2%的转速精度,这对矿山提升机这类重载应用简直是救命稻草。
模型文件里那个标着"MagicBox"的模块,其实是外插算法的加速版。用C Mex封装后,仿真速度提升5倍不止。想移植到ARM Cortex-M4?直接把wrapper函数里的指针操作改成内存映射就行,我们给某变频器大厂做的方案就这么干的。
最后唠叨句:搞无位置控制千万别死磕模型精度。上次见个研究生师弟非要把电感饱和模型怼进观测器,结果采样噪声放大到没法看。其实工程上够用就行,毕竟咱玩的是信号处理的艺术,不是数学证明对吧?"

AtomGit 是由开放原子开源基金会联合 CSDN 等生态伙伴共同推出的新一代开源与人工智能协作平台。平台坚持“开放、中立、公益”的理念,把代码托管、模型共享、数据集托管、智能体开发体验和算力服务整合在一起,为开发者提供从开发、训练到部署的一站式体验。
更多推荐


所有评论(0)