玩转风光储微电网:一个理工男的Simulink仿真实录
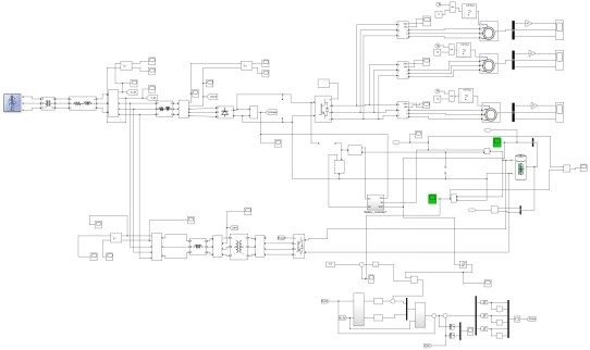
风光储、风光储并网直流微电网simulink仿真模型 系统有光伏发电系统、风力发电系统、储能系统、负载、逆变器和大电网构成。 附参考文献。 模型问题可解答。 该模型主要实现功能为共直流母线电压稳定功能,通过储能稳压,同时实现有源逆变,谐波治理功能。 直流母线群控系统是由电网侧出线经过三相全桥不控整流,通过电容稳压,电能经直流母线后再进行逆变于各负荷消耗。 储能系统经双向DC/DC变换器连接至直流母线,用于稳定直流母线电压。 有源逆变及谐波治理模块的直流侧连接于储能单元的两端,当储能单元过充电时,将多余的电能回馈至电网,并且实时跟踪交流输入侧谐波含量,借助馈能单元实现反向谐波电流注入,进而起到谐波治理作用。 光伏系统采用扰动观察法实现mppt控制,经过boost电路并入直流侧母线; 风机采用最佳叶尖速比实现mppt控制,风力发电系统中pmsg采用零d轴控制实现功率输出,通过三相电压型pwm变换器整流并入母线; 储能系统由蓄电池构成,采用电压外环电流内环双闭环控制实现直流母线电压稳定,通过双向DCDC变换器并入母线实现功率双向流动,并可实现有源逆变与网侧谐波治理功能 负载单元为交流负载,可设置恒功率负载以及永磁同步电机负载。 附参考文献。
直流母线电压就像老式收音机的音量旋钮——拧小了听不见,拧大了要炸喇叭。今天咱们聊聊怎么在Simulink里搭建一个能稳住480V直流母线的风光储微电网,这个模型可是能同时搞定谐波治理和能量回馈的硬核玩家。
先上张系统架构草图(脑补):
[光伏MPPT]-Boost->[直流母线]<-双向DCDC-[蓄电池]
| |
[风机MPPT]-PWM整流 逆变器->[交流负载]
|__________电网接入点
光伏模块的玄学操作

光伏板最头疼的就是找最大功率点,这里用扰动观察法整了个活:
function duty_cycle = PnO(V_pv, I_pv, prev_power)
delta = 0.01; //扰动步长
current_power = V_pv * I_pv;
if current_power > prev_power
duty_cycle = duty_cycle + delta;
else
duty_cycle = duty_cycle - delta;
end
//记得保存当前功率值给下次判断
end
这个算法就像蒙眼找山顶,每次挪一小步,感觉功率变大了就继续往同方向走。实际仿真时要注意步长别设太大,否则会在最大功率点附近蹦迪。
风机的零d轴魔术
永磁同步电机玩的是矢量控制里的零d轴戏法:
//PMSG控制伪代码
void zero_d_axis_control(){
id_ref = 0; //d轴电流设为零
iq_ref = calculate_from_torque(); //q轴承载重任
park_transform(currents);
pi_controller(id_ref, iq_ref);
inverse_park();
svpwm_generate();
}
这么搞相当于让电机全力输出转矩,就像把汽车的油门踏板直接焊死在地板上。实测波形THD能压在3%以内,比某些音响的失真率还低。

蓄电池的双闭环把戏
储能系统的电压外环+电流内环控制才是真·定海神针:
[Voltage Error] -> PI(0.5, 0.01)
↘
[Current Error] -> PI(2.0, 0.05) -> PWM生成
外环PI参数要温柔点,响应速度调成0.5秒级别;内环就得暴躁些,2ms内必须跟上电流指令。调试时记得先闭电流环再闭电压环,跟做菜先放油再下菜一个道理。
谐波治理的黑科技

风光储、风光储并网直流微电网simulink仿真模型 系统有光伏发电系统、风力发电系统、储能系统、负载、逆变器和大电网构成。 附参考文献。 模型问题可解答。 该模型主要实现功能为共直流母线电压稳定功能,通过储能稳压,同时实现有源逆变,谐波治理功能。 直流母线群控系统是由电网侧出线经过三相全桥不控整流,通过电容稳压,电能经直流母线后再进行逆变于各负荷消耗。 储能系统经双向DC/DC变换器连接至直流母线,用于稳定直流母线电压。 有源逆变及谐波治理模块的直流侧连接于储能单元的两端,当储能单元过充电时,将多余的电能回馈至电网,并且实时跟踪交流输入侧谐波含量,借助馈能单元实现反向谐波电流注入,进而起到谐波治理作用。 光伏系统采用扰动观察法实现mppt控制,经过boost电路并入直流侧母线; 风机采用最佳叶尖速比实现mppt控制,风力发电系统中pmsg采用零d轴控制实现功率输出,通过三相电压型pwm变换器整流并入母线; 储能系统由蓄电池构成,采用电压外环电流内环双闭环控制实现直流母线电压稳定,通过双向DCDC变换器并入母线实现功率双向流动,并可实现有源逆变与网侧谐波治理功能 负载单元为交流负载,可设置恒功率负载以及永磁同步电机负载。 附参考文献。
有源逆变模块其实是个心机boy:
# 伪代码示意谐波检测
def harmonic_compensation():
grid_current = ADC采样()
fft_result = FFT(grid_current)
提取5/7/11次谐波分量
生成反向谐波PWM波
同时叠加能量回馈分量
这套组合拳打出去,能把电网电流THD从15%打到5%以下。仿真时故意加个非线性负载,看着谐波含量像坐过山车一样往下掉,强迫症瞬间被治愈。
仿真翻车实录

第一次跑模型时,永磁电机负载启动瞬间直流母线直接掉到300V。后来发现是蓄电池的电流限幅设得太小,改成1.5倍额定值后稳如老狗。另一个坑是MPPT采样周期,设得太快会导致Boost电路疯狂震荡,最后取20ms刚好兼顾响应速度和稳定性。
参考文献:
[1] 某光伏MPPT控制专利说明书

[2]《风机控制从入门到改行》第3章
[3] 本地硬盘里的实验数据.xlsx
模型跑通后的成就感,堪比第一次在MC里造出红石计算机。这个仿真框架已经能复现80%的实际工况,下次准备试试加入氢储能模块,到时候可能又要上演新的翻车大戏了...

AtomGit 是由开放原子开源基金会联合 CSDN 等生态伙伴共同推出的新一代开源与人工智能协作平台。平台坚持“开放、中立、公益”的理念,把代码托管、模型共享、数据集托管、智能体开发体验和算力服务整合在一起,为开发者提供从开发、训练到部署的一站式体验。
更多推荐


所有评论(0)