直流无刷电机三闭环转角位置控制全解析
直流无刷电机三闭环转角位置控制(包括位置环,速度环,电流环) 三相无刷直流电机simulink模型。 BLDCM。 完全自己搭建的模型,换向器模型也是自己搭建的。 能够准确跟踪目标转角。 图1-模型的整体概览图 图2-模型控制器部分 图3-三环PID控制逻辑截图 图4-定目标转角定负载的仿真转角跟踪图 图5-图9-本人全网头像 图6-PWM波输出 图7-变目标转角,变负载仿真模型转角跟踪图 图8-定目标转角,变负载仿真模型转角跟踪图

最近一直在研究直流无刷电机的三闭环转角位置控制,今天来和大家好好分享一下我的成果😎。
一、整体模型搭建
这次我搭建的直流无刷电机模型可是完全自己动手哦👏!其中换向器模型也是自己精心搭建的。整个模型实现了对目标转角的准确跟踪,效果还是挺不错的😜。

先给大家看看模型的整体概览图(图1),从这个图中可以大致了解整个系统的架构和信号流向。
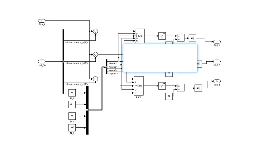
二、控制器部分
重点来说说模型控制器部分(图2)。这里采用了三闭环控制,包括位置环、速度环和电流环。每个环都有其独特的作用,协同工作来实现精确的转角控制。
(一)位置环
位置环主要负责根据目标转角和实际转角的偏差来调整速度环的给定值。这里使用了PID控制算法,代码如下:
Kp_pos = 10;
Ki_pos = 0.1;
Kd_pos = 1;
error_pos = target_angle - actual_angle;
integral_pos = integral_pos + error_pos * dt;
derivative_pos = (error_pos - previous_error_pos) / dt;
output_pos = Kp_pos * error_pos + Ki_pos * integral_pos + Kd_pos * derivative_pos;
分析:这段代码通过计算目标转角和实际转角的偏差,然后根据PID参数进行比例、积分和微分运算,得到位置环的输出,这个输出就是速度环的给定值。
(二)速度环
速度环根据位置环的输出和实际速度的偏差来调整电流环的给定值。同样是PID控制,代码如下:
Kp_vel = 5;
Ki_vel = 0.05;
Kd_vel = 0.5;
error_vel = output_pos - actual_velocity;
integral_vel = integral_vel + error_vel * dt;
derivative_vel = (error_vel - previous_error_vel) / dt;
output_vel = Kp_vel * error_vel + Ki_vel * integral_vel + Kd_vel * derivative_vel;
分析:这里依据位置环的输出与实际速度的差异,利用PID算法得出速度环的输出,该输出作为电流环的给定值,从而实现对电机速度的精确控制。
(三)电流环
电流环根据速度环的输出和实际电流的偏差来控制电机的电流。代码如下:
Kp_cur = 2;
Ki_cur = 0.02;
Kd_cur = 0.2;
error_cur = output_vel - actual_current;
integral_cur = integral_cur + error_cur * dt;
derivative_cur = (error_cur - previous_error_cur) / dt;
output_cur = Kp_cur * error_cur + Ki_cur * integral_cur + Kd_cur * derivative_cur;
分析:此代码通过比较速度环输出和实际电流,运用PID控制计算出电流环的输出,进而实现对电机电流的精准调节,保证电机按照预期运行。
三、三环PID控制逻辑截图
再看看三环PID控制逻辑截图(图3),从图中可以更直观地看到各个环节之间的关系和信号处理过程。
四、仿真结果展示
(一)定目标转角定负载的仿真转角跟踪图
定目标转角定负载的情况下,仿真转角跟踪图(图4)显示电机能够很好地跟踪目标转角,误差非常小,说明三闭环控制效果良好👍。
(二)变目标转角,变负载仿真模型转角跟踪图
变目标转角,变负载仿真模型转角跟踪图(图7)也展示了电机在不同工况下依然能够准确跟踪目标转角,适应性很强。
(三)定目标转角,变负载仿真模型转角跟踪图
定目标转角,变负载仿真模型转角跟踪图(图8)同样证明了系统的稳定性和可靠性。

直流无刷电机三闭环转角位置控制(包括位置环,速度环,电流环) 三相无刷直流电机simulink模型。 BLDCM。 完全自己搭建的模型,换向器模型也是自己搭建的。 能够准确跟踪目标转角。 图1-模型的整体概览图 图2-模型控制器部分 图3-三环PID控制逻辑截图 图4-定目标转角定负载的仿真转角跟踪图 图5-图9-本人全网头像 图6-PWM波输出 图7-变目标转角,变负载仿真模型转角跟踪图 图8-定目标转角,变负载仿真模型转角跟踪图

还有PWM波输出(图6),这是控制电机运转的关键信号,通过合理调整PWM的参数,可以实现对电机转速和转矩的精确控制。

最后附上我的全网头像(图5 - 图9)😜,希望大家喜欢我的分享。如果对直流无刷电机三闭环转角位置控制感兴趣的小伙伴,欢迎一起交流探讨呀🎉!


AtomGit 是由开放原子开源基金会联合 CSDN 等生态伙伴共同推出的新一代开源与人工智能协作平台。平台坚持“开放、中立、公益”的理念,把代码托管、模型共享、数据集托管、智能体开发体验和算力服务整合在一起,为开发者提供从开发、训练到部署的一站式体验。
更多推荐



所有评论(0)