探索锂电池主动均衡仿真:从开关电容到多种电路的奇妙之旅
matlab/simulink仿真设计 锂电池主动均衡仿真(基于电压) 开关电容系列 6.链式双层开关电容均衡电路(先加好友 需要改价) 本店还有buck-boost电路均衡 双向反激电路 双层准谐振仿真模型
在锂电池应用领域,主动均衡技术对于提升电池组性能、延长使用寿命至关重要。今天咱就来唠唠基于Matlab/Simulink的锂电池主动均衡仿真设计,特别是开关电容系列相关的有趣内容。
一、锂电池主动均衡仿真(基于电压)的基础认知
锂电池组在使用过程中,由于电池个体差异,会出现电压不均衡的情况。基于电压的主动均衡就是通过监测各个电池的电压,将电压高的电池能量转移到电压低的电池,从而实现整体均衡。在Matlab/Simulink里搭建这样的仿真模型,就好比搭建一个虚拟的电池实验室,能让我们在实际制造电路之前,就对均衡效果进行模拟和优化。
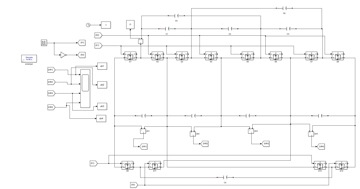
二、开关电容系列之链式双层开关电容均衡电路
链式双层开关电容均衡电路是开关电容系列里一个比较有意思的设计。不过这里提示“先加好友 需要改价”,咱先不管这个商业小插曲,专注电路本身。它通过巧妙的开关控制,实现电容在不同电池之间的电荷转移。下面简单用伪代码示意一下核心思路:
% 假设这里有电池数量n,电容个数与电池数量相关
n = 10;
% 初始化电池电压向量
battery_voltage = zeros(1,n);
% 初始化电容电压向量
capacitor_voltage = zeros(1,n - 1);
% 主循环,模拟时间步
for time_step = 1:total_time_steps
% 检测电池电压,找到最高和最低电压的电池索引
[max_voltage, max_index] = max(battery_voltage);
[min_voltage, min_index] = min(battery_voltage);
% 如果电压差大于阈值,进行均衡操作
if (max_voltage - min_voltage) > threshold
% 通过开关控制,连接最高电压电池与相邻电容
if max_index < n
capacitor_voltage(max_index) = battery_voltage(max_index);
battery_voltage(max_index) = battery_voltage(max_index) - delta_charge;
end
% 通过开关控制,连接电容与最低电压电池
if min_index > 1
battery_voltage(min_index) = battery_voltage(min_index) + delta_charge;
capacitor_voltage(min_index - 1) = capacitor_voltage(min_index - 1) - delta_charge;
end
end
end
这段代码大致就是先初始化电池和电容电压,然后在每个时间步检测电池电压,当电压差超过阈值就通过开关控制电容来转移电荷,实现均衡。实际在Simulink里搭建模型时,要把这些逻辑用各种模块实现,像电压检测模块、开关控制模块、电容模块等等。
三、本店其他有趣电路:Buck - Boost电路均衡与双向反激电路
除了开关电容系列,店里还有Buck - Boost电路均衡和双向反激电路。Buck - Boost电路能灵活地升高或降低电压,这对于锂电池均衡来说,可以在不同电压需求下进行有效的能量转移。比如在Matlab里,我们可以这样简单模拟它的电压转换:
% 输入电压
input_voltage = 12;
% 占空比
duty_cycle = 0.6;
% Buck - Boost电路输出电压计算
output_voltage = input_voltage * duty_cycle / (1 - duty_cycle);
这里通过设置占空比,就能算出输出电压,实际电路肯定要复杂得多,还涉及到电感、电容、开关的动态特性,但这简单代码能让我们理解它的基本原理。

matlab/simulink仿真设计 锂电池主动均衡仿真(基于电压) 开关电容系列 6.链式双层开关电容均衡电路(先加好友 需要改价) 本店还有buck-boost电路均衡 双向反激电路 双层准谐振仿真模型
双向反激电路则更具特色,它能实现双向的能量流动,既可以从高电压端向低电压端传输能量,也能反向传输。这种特性在一些复杂的电池应用场景中非常实用,比如电池的充放电管理一体化。
四、双层准谐振仿真模型
双层准谐振仿真模型也是个有趣的存在。准谐振电路能让开关在电压或电流为零的时刻动作,大大降低开关损耗。在Simulink里搭建这个模型,要仔细设置谐振参数,比如谐振电感、电容的值。像这样:
% 设定谐振电感值
Lr = 1e - 6;
% 设定谐振电容值
Cr = 1e - 9;
% 计算谐振频率
resonant_frequency = 1 / (2 * pi * sqrt(Lr * Cr));
算出谐振频率后,就能在模型里合理配置元件参数,实现准谐振效果,提高电路效率。

总之,Matlab/Simulink为锂电池主动均衡仿真提供了强大的平台,从开关电容到各种复杂电路,我们可以尽情探索和优化,为实际的锂电池应用打下坚实基础。
AtomGit 是由开放原子开源基金会联合 CSDN 等生态伙伴共同推出的新一代开源与人工智能协作平台。平台坚持“开放、中立、公益”的理念,把代码托管、模型共享、数据集托管、智能体开发体验和算力服务整合在一起,为开发者提供从开发、训练到部署的一站式体验。
更多推荐



所有评论(0)