【控制】工业过程的容错线性参数 varying模型预测控制方案附matlab代码
✅作者简介:热爱科研的Matlab仿真开发者,擅长毕业设计辅导、数学建模、数据处理、建模仿真、程序设计、完整代码获取、论文复现及科研仿真。
🍎 往期回顾关注个人主页:Matlab科研工作室
👇 关注我领取海量matlab电子书和数学建模资料
🍊个人信条:格物致知,完整Matlab代码获取及仿真咨询内容私信。
🔥 内容介绍
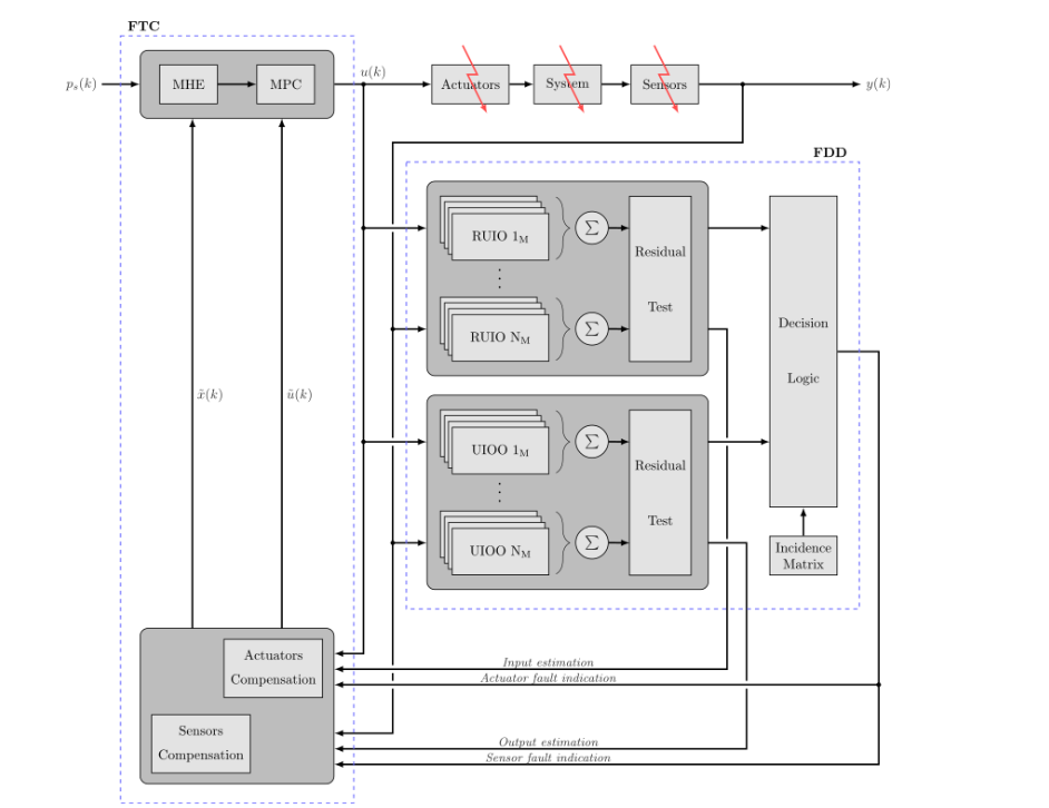
背景:无论是过去还是现在,过程安全一直是研究界关注的主要问题。然而,工业过程的硬件复杂性以及所涉及的非线性动力学特性,可能会导致传统控制方法的效果不尽如人意。方法:为解决这些问题,本文提出了一种基于模型的非线性化工过程容错策略。具体而言,实施了一种基于观测器的故障检测与诊断方案,该方案能够提前生成详细的故障信息。因此,通过使用基于集成优化的识别和模型预测控制技术,这些有价值的数据被用于补偿由执行器和传感器故障所引发的影响,即便存在故障,该技术也能实现对参考值的跟踪。重要发现:这种方法增强了线性参数变化预测控制器固有的故障鲁棒性。此外,从线性矩阵不等式问题的角度保证了观测器的收敛性和控制器的稳定性。基于典型化工过程 —— 高度非线性连续搅拌釜式反应器的仿真表明,所提出的方法在容错方面能够取得令人满意的性能。

⛳️ 运行结果

📣 部分代码
%% CSTR Model
syms qs qc V CA T
% Parameters
E_R = 1e4; % Activation energy [°K]
Te = 350; % Feed temperature [°K]
Tce = 350; % Inlet coolant temp. [°K]
dH = -2e5; % Heat of reaction [cal/mol]
Cp = 1; % Specific heats [cal/g °K]
rho = 1e3; % Liquid densities [g/l]
CAe = 1; % Feed concentration [mol/l]
ha = 7e5; % Heat transfer term [cal/min °K]
k0 = 7.2e10; % Reaction rate constant [l/min]
k1 = dH*k0/(rho*Cp);
k2 = rho*Cp/(rho*Cp);
k3 = ha/(rho*Cp);
k4 = 10; % Valve constant [l/min m^3/2]
qe = 100; % Feed flow rate [l/min]
%% Non-Linear model
system = [(qe - qs);
((qe/V)*(CAe - CA) - k0*CA*exp(-E_R/T));
((qe/V)*(Te - T) - k1*CA*exp(-E_R/T) + k2*(qc/V)*(1 - exp(-k3/qc))*(Tce - T))];
states = [V CA T];
outputs = [V CA T];
inputs = [qs qc];
nx = length(states); nu = length(inputs); ny = length(outputs);
C = eye(ny, nx); % Output matrix
D = zeros(ny, nu); % Input/Output matrix
%% Linealization
% Symbolic matrices
A_sym = jacobian(system, states);
B_sym = jacobian(system, inputs);
% Reactor temperature
% Tr = -E_R/log(-(q*(Ca-CAe))/(k0*Ca*Vr));
% Output concentration
Ca = CAe/(1+(k0*(Vr/qe)*exp(-E_R/Tr)));
% States
X_lin = [Vr; Ca; Tr];
% Output flow rate
Qs = double(solve(qe - qs));
% Coolant flow rate
Qc = double(solve(qe/Vr*(Te-Tr) - k1*Ca*exp(-E_R/Tr) + k2*(qc/Vr)*(1-exp(-k3/qc))*(Tce-Tr) == 0));
% Inputs
U_lin = [Qs; Qc];
% Linear systems matrices
A = subs(A_sym, {CA, T, qs, qc, V}, {Ca, Tr, Qs, Qc, Vr});
B = subs(B_sym, {CA, T, qs, qc, V}, {Ca, Tr, Qs, Qc, Vr});
A = double(A);
B = double(B);
f = subs(system, {CA, T, qs, qc, V}, {Ca, Tr, Qs, Qc, Vr});
f = double(f);
% Constant term
delta = f - (A*X_lin+B*U_lin);
% Euler discretization method
Ad = (A*Ts) + eye(nx); Bd = B*Ts; Cd = C; Dd = D; deltad = delta*Ts;
🔗 参考文献
![]()
🎈 部分理论引用网络文献,若有侵权联系博主删除
🏆团队擅长辅导定制多种毕业课题和科研领域
MATLAB仿真,助力毕业科研梦:
🌈 各类智能优化算法改进及应用
生产调度、经济调度、装配线调度、充电优化、车间调度、发车优化、水库调度、三维装箱、物流选址、货位优化、公交排班优化、充电桩布局优化、车间布局优化、集装箱船配载优化、水泵组合优化、解医疗资源分配优化、设施布局优化、可视域基站和无人机选址优化、背包问题、 风电场布局、时隙分配优化、 最佳分布式发电单元分配、多阶段管道维修、 工厂-中心-需求点三级选址问题、 应急生活物质配送中心选址、 基站选址、 道路灯柱布置、 枢纽节点部署、 输电线路台风监测装置、 集装箱调度、 机组优化、 投资优化组合、云服务器组合优化、 天线线性阵列分布优化、CVRP问题、VRPPD问题、多中心VRP问题、多层网络的VRP问题、多中心多车型的VRP问题、 动态VRP问题、双层车辆路径规划(2E-VRP)、充电车辆路径规划(EVRP)、油电混合车辆路径规划、混合流水车间问题、 订单拆分调度问题、 公交车的调度排班优化问题、航班摆渡车辆调度问题、选址路径规划问题、港口调度、港口岸桥调度、停机位分配、机场航班调度、泄漏源定位
🌈 机器学习和深度学习时序、回归、分类、聚类和降维
2.1 bp时序、回归预测和分类
2.2 ENS声神经网络时序、回归预测和分类
2.3 SVM/CNN-SVM/LSSVM/RVM支持向量机系列时序、回归预测和分类
2.4 CNN|TCN|GCN卷积神经网络系列时序、回归预测和分类
2.5 ELM/KELM/RELM/DELM极限学习机系列时序、回归预测和分类
2.6 GRU/Bi-GRU/CNN-GRU/CNN-BiGRU门控神经网络时序、回归预测和分类
2.7 ELMAN递归神经网络时序、回归\预测和分类
2.8 LSTM/BiLSTM/CNN-LSTM/CNN-BiLSTM/长短记忆神经网络系列时序、回归预测和分类
2.9 RBF径向基神经网络时序、回归预测和分类
2.10 DBN深度置信网络时序、回归预测和分类
2.11 FNN模糊神经网络时序、回归预测
2.12 RF随机森林时序、回归预测和分类
2.13 BLS宽度学习时序、回归预测和分类
2.14 PNN脉冲神经网络分类
2.15 模糊小波神经网络预测和分类
2.16 时序、回归预测和分类
2.17 时序、回归预测预测和分类
2.18 XGBOOST集成学习时序、回归预测预测和分类
2.19 Transform各类组合时序、回归预测预测和分类
方向涵盖风电预测、光伏预测、电池寿命预测、辐射源识别、交通流预测、负荷预测、股价预测、PM2.5浓度预测、电池健康状态预测、用电量预测、水体光学参数反演、NLOS信号识别、地铁停车精准预测、变压器故障诊断
🌈图像处理方面
图像识别、图像分割、图像检测、图像隐藏、图像配准、图像拼接、图像融合、图像增强、图像压缩感知
🌈 路径规划方面
旅行商问题(TSP)、车辆路径问题(VRP、MVRP、CVRP、VRPTW等)、无人机三维路径规划、无人机协同、无人机编队、机器人路径规划、栅格地图路径规划、多式联运运输问题、 充电车辆路径规划(EVRP)、 双层车辆路径规划(2E-VRP)、 油电混合车辆路径规划、 船舶航迹规划、 全路径规划规划、 仓储巡逻
🌈 无人机应用方面
无人机路径规划、无人机控制、无人机编队、无人机协同、无人机任务分配、无人机安全通信轨迹在线优化、车辆协同无人机路径规划
🌈 通信方面
传感器部署优化、通信协议优化、路由优化、目标定位优化、Dv-Hop定位优化、Leach协议优化、WSN覆盖优化、组播优化、RSSI定位优化、水声通信、通信上传下载分配
🌈 信号处理方面
信号识别、信号加密、信号去噪、信号增强、雷达信号处理、信号水印嵌入提取、肌电信号、脑电信号、信号配时优化、心电信号、DOA估计、编码译码、变分模态分解、管道泄漏、滤波器、数字信号处理+传输+分析+去噪、数字信号调制、误码率、信号估计、DTMF、信号检测
🌈电力系统方面
微电网优化、无功优化、配电网重构、储能配置、有序充电、MPPT优化、家庭用电
🌈 元胞自动机方面
交通流 人群疏散 病毒扩散 晶体生长 金属腐蚀
🌈 雷达方面
卡尔曼滤波跟踪、航迹关联、航迹融合、SOC估计、阵列优化、NLOS识别
🌈 车间调度
零等待流水车间调度问题NWFSP 、 置换流水车间调度问题PFSP、 混合流水车间调度问题HFSP 、零空闲流水车间调度问题NIFSP、分布式置换流水车间调度问题 DPFSP、阻塞流水车间调度问题BFSP
AtomGit 是由开放原子开源基金会联合 CSDN 等生态伙伴共同推出的新一代开源与人工智能协作平台。平台坚持“开放、中立、公益”的理念,把代码托管、模型共享、数据集托管、智能体开发体验和算力服务整合在一起,为开发者提供从开发、训练到部署的一站式体验。
更多推荐



所有评论(0)