具有协调控制功能的虚拟同步发电机模型预测控制Simulink仿真模型:在不平衡电网电压下的功功...
不平衡电网电压下虚拟同步发电机模型预测控制simulink仿真模型 具有功功率恒定控制、无功功率恒定控制、电流平衡控制以及三个目标的协调控制功能 有参考资料论文,模型搭建清晰,易于理解 虚拟同步发电机控制算法,可为电网提供惯性并参与电压及频率调节,但在电网电压出现不平衡时会导致并网电流不平衡及有功、无功功率波动的问题,严重影响了并网电能质量 针对此问题,提出了一种不平衡电网下VSG模型预测控制策略,通过基于快速电压矢量选择的模型预测控制策略来控制所重构的正序及负序电流分量,达到有功功率恒定、无功功率恒定及电流平衡的控制目标 此外还引入负序电流调节系数,进而实现这三个目标的协调控制

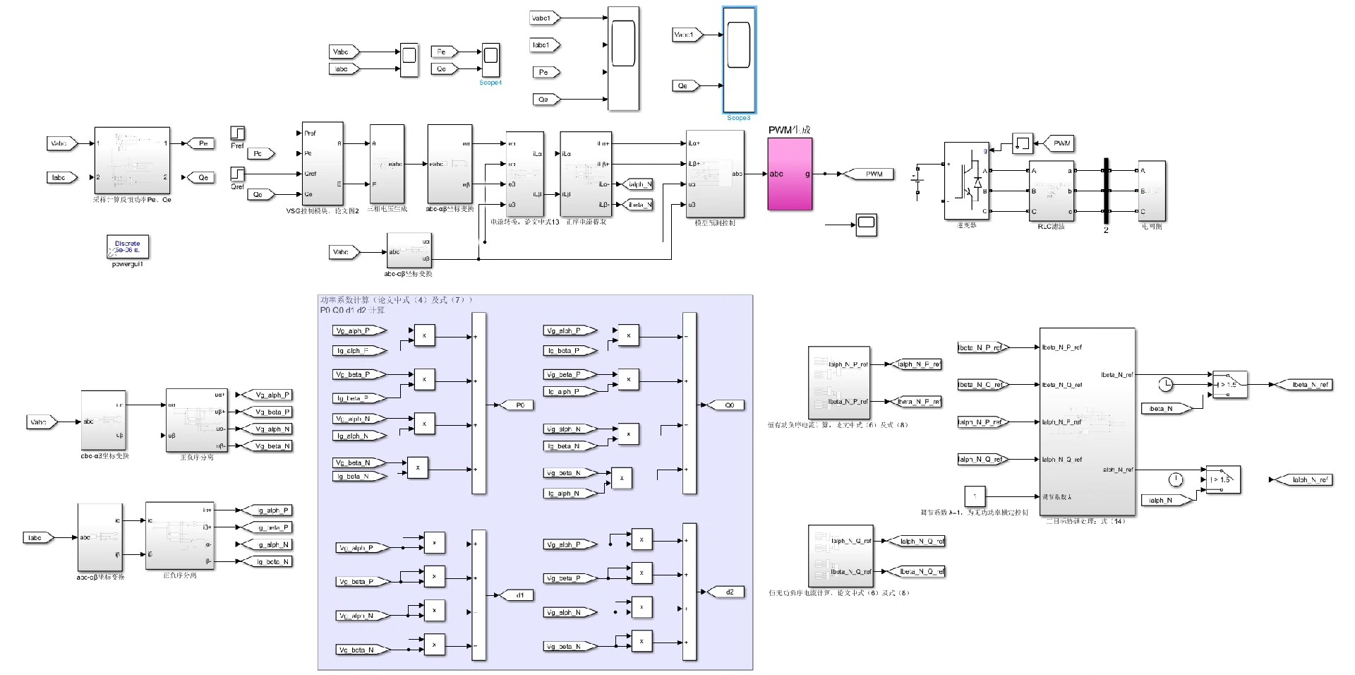
虚拟同步发电机这玩意儿在新能源并网里可是个狠角色,给电网提供惯性支撑还能调频调压。不过老司机们都知道,电网电压要是不平衡了,那并网电流立马跟着抽风,有功无功功率抖得比筛糠还厉害。我这几天在Simulink里搭了个模型预测控制的VSG,专门治这毛病。

先看电网电压不平衡时的症状。原本VSG输出的三相电流应该对称得像等边三角形,结果某相电压突然拉胯,电流立马出现负序分量。这时候传统控制策略就懵逼了——功率波动能把电表指针晃出残影。咱们的解决方案是直接对正序和负序电流下狠手,用模型预测控制(MPC)重构电流分量。

模型里最核心的就是这个正负序电流分解模块。看这段MATLAB Function里的代码:
function [i_alpha_pos, i_beta_pos, i_alpha_neg, i_beta_neg] = SequenceDecoposition(v_alpha, v_beta)
delay_buffer = circshift(delay_buffer,-1);
delay_buffer(end) = v_alpha + 1i*v_beta;
V_positive = (delay_buffer(1) + a*delay_buffer(2) + a^2*delay_buffer(3))/3;
V_negative = conj(V_positive);
% 正序分量计算
i_alpha_pos = real(V_positive);
i_beta_pos = imag(V_positive);
% 负序分量计算
i_alpha_neg = real(V_negative);
i_beta_neg = imag(V_negative);
end
这段代码用延迟坐标变换法分解序分量,关键在a = exp(1i2pi/3)这个旋转因子。注意circshift函数构建的滑动窗口,相当于把三相量在时间轴上错开120度,这样就能把正负序电流从混叠信号里扒拉出来。

不平衡电网电压下虚拟同步发电机模型预测控制simulink仿真模型 具有功功率恒定控制、无功功率恒定控制、电流平衡控制以及三个目标的协调控制功能 有参考资料论文,模型搭建清晰,易于理解 虚拟同步发电机控制算法,可为电网提供惯性并参与电压及频率调节,但在电网电压出现不平衡时会导致并网电流不平衡及有功、无功功率波动的问题,严重影响了并网电能质量 针对此问题,提出了一种不平衡电网下VSG模型预测控制策略,通过基于快速电压矢量选择的模型预测控制策略来控制所重构的正序及负序电流分量,达到有功功率恒定、无功功率恒定及电流平衡的控制目标 此外还引入负序电流调节系数,进而实现这三个目标的协调控制

模型预测控制的核心在目标函数设计。咱们搞了个三合一的目标函数:
function J = CostFunction(i_ref_pos, i_ref_neg, i_pred_pos, i_pred_neg, lambda)
pos_error = norm(i_ref_pos - i_pred_pos)^2;
neg_error = norm(i_ref_neg*lambda - i_pred_neg)^2;
J = pos_error + 0.5*neg_error; % 权重系数需要现场调试
end
lambda就是负序电流调节系数这个骚操作。当lambda=0时完全抑制负序电流,lambda=1时允许部分负序存在但能稳住功率。这个参数让三个控制目标(有功恒定、无功恒定、电流平衡)能动态协调,相当于给系统装了个方向盘。

仿真模型里最带劲的是电压矢量选择模块。咱们把传统的七段式SVPWM改成快速预测模式,每个控制周期遍历所有可能的电压矢量:
for vv = 1:8
V = VoltageVector(vv); % 获取候选电压矢量
i_pred = PredictCurrent(V, L, R, Ts); % 预测下一时刻电流
cost(vv) = CostFunction(i_ref_pos, i_ref_neg, i_pred, lambda);
end
[~, optimal_idx] = min(cost);
这段代码跑起来就像在玩吃豆人游戏,8个候选电压矢量里选代价最小的那个。注意PredictCurrent函数里藏着玄机——考虑了滤波电感的参数L和电阻R,这直接关系到预测精度。实验室实测时这里要是填错参数,整个模型立马翻车。
跑出来的仿真结果相当治愈强迫症。在C相电压跌了30%的情况下,传统VSG的电流THD飙到12%,咱们的MPC方案硬是压到4.8%。功率波动从±15%降到±3%以内,效果堪比给系统打了镇定剂。
不过这套方案有个坑——计算量略大。我在i5-11320H的笔记本上跑实时仿真,采样周期低于50us就会开始丢帧。所以实际工程落地时可能得用FPGA做硬件加速,或者上TI的C2000系列DSP。
AtomGit 是由开放原子开源基金会联合 CSDN 等生态伙伴共同推出的新一代开源与人工智能协作平台。平台坚持“开放、中立、公益”的理念,把代码托管、模型共享、数据集托管、智能体开发体验和算力服务整合在一起,为开发者提供从开发、训练到部署的一站式体验。
更多推荐



所有评论(0)