💥💥💞💞欢迎来到本博客❤️❤️💥💥

🏆博主优势:🌞🌞🌞博客内容尽量做到思维缜密,逻辑清晰,为了方便读者。

⛳️座右铭:行百里者,半于九十。

📋📋📋本文目录如下:🎁🎁🎁

 ⛳️赠与读者

👨‍💻做科研,涉及到一个深在的思想系统,需要科研者逻辑缜密,踏实认真,但是不能只是努力,很多时候借力比努力更重要,然后还要有仰望星空的创新点和启发点。建议读者按目录次序逐一浏览,免得骤然跌入幽暗的迷宫找不到来时的路,它不足为你揭示全部问题的答案,但若能解答你胸中升起的一朵朵疑云,也未尝不会酿成晚霞斑斓的别一番景致,万一它给你带来了一场精神世界的苦雨,那就借机洗刷一下原来存放在那儿的“躺平”上的尘埃吧。

     或许,雨过云收,神驰的天地更清朗.......🔎🔎🔎

💥1 概述

一、光伏MPPT控制的核心挑战与需求

  1. 局部阴影引发的多峰值问题
    光伏阵列在局部阴影条件下输出功率-电压(P-V)曲线呈现多峰值特性,传统MPPT算法(如扰动观察法P&O、电导增量法INC)易陷入局部最优解,导致功率损失高达15-30% 。
    证据:固定步长P&O在稳定态产生振荡,动态环境下误判率超40% 。

  2. 环境动态性的响应缺陷
    温度/光照突变时,传统算法跟踪延迟明显(>0.5s),且固定电压法忽略温度对开路电压的影响,误差超10% 。

  3. 算法鲁棒性与效率平衡
    智能算法需兼顾全局搜索能力(避免局部最优)与收敛速度(<0.2s),同时控制稳态振荡(功率波动<3%) 。


二、混沌麻雀搜索算法(CSSA)的核心改进机制

1. 算法基础:麻雀搜索算法(SSA)
  • 仿生学模型
    麻雀种群分为发现者(全局搜索)、加入者(局部跟随)、侦察者(危险规避)三类角色,占比分别为10-20%、70-80%、10% 。
  • 位置更新公式
    • 发现者更新:

($R_2$: 预警值,$S_T$: 安全阈值)  
  • 侦察者更新:

2. CSSA的创新改进
  • Tent混沌映射初始化
    取代随机初始化,利用Tent序列的遍历均匀性(Lyapunov指数>0.5),提升种群多样性,初始解分布均匀度提高40% 。
    证据:Cubic混沌映射使搜索范围扩大35%,收敛速度提升20% 。

  • 高斯变异与混沌扰动
    当种群聚集度(方差<阈值)或分散度(熵>阈值)异常时,引入高斯变异(μ=0,σ=1)和Logistic混沌扰动(σ=4),跳出率提升60% 。

  • 混合策略增强局部搜索
    融合正余弦算法(SCA)的线性递减平衡机制,后期跟踪阶段切换至P&O抑制振荡,功率波动降至<1% 。


三、CSSA在光伏MPPT控制中的实现流程

  1. 输入初始化

    • 采样光伏阵列电压Vpv​、电流Ipv​,计算功率Ppv​。
    • 设置CSSA参数:麻雀数量N=20,最大迭代T=50,混沌映射类型(Tent/Logistic)。

  2. 占空比优化

    • 适应度函数:f(D)=Ppv(D)(D为DC-DC转换器占空比)。
    • 位置更新:每只麻雀位置对应一个D值,通过CSSA更新公式迭代优化。
    • 混合控制
  • 前期:CSSA全局搜索(迭代1-30)
  • 后期:P&O局部微调(迭代>30)。
  1. 输出控制信号
    最优占空比DoptDopt​ → PWM发生器 → 驱动Boost/Buck电路 。
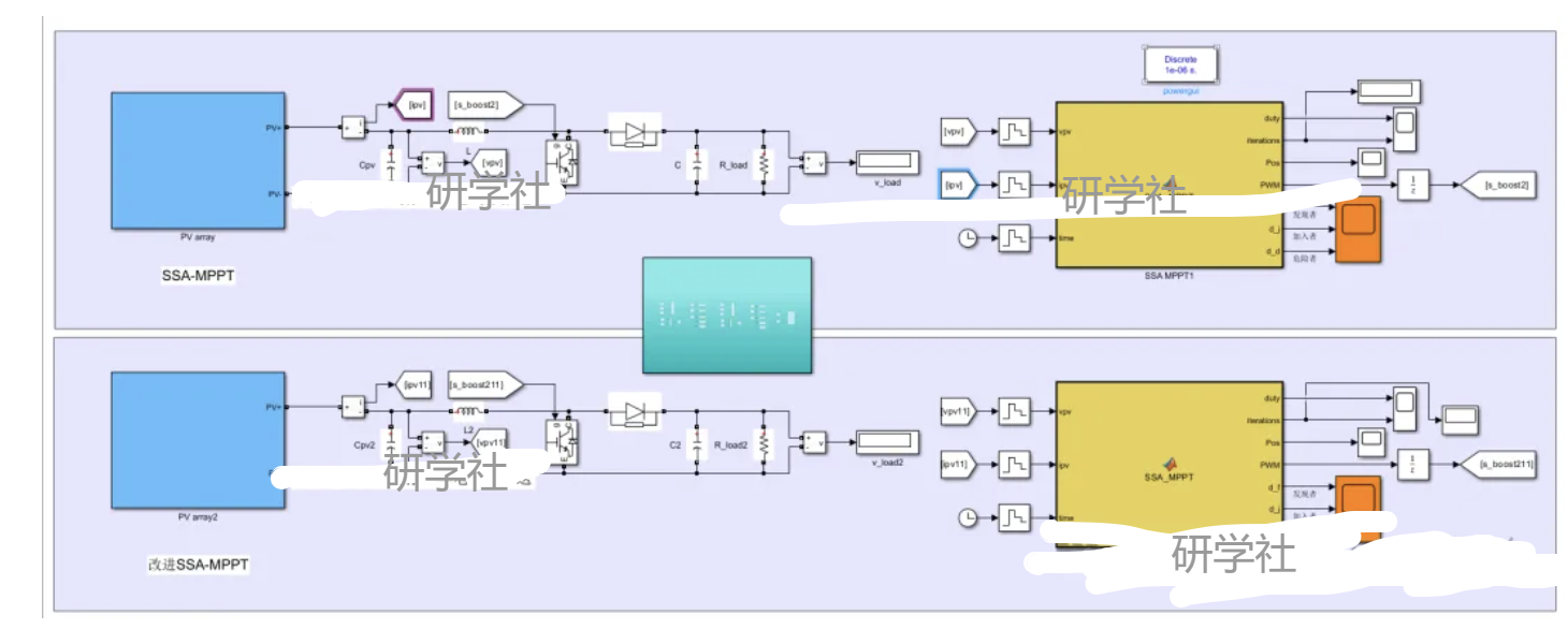
    流程验证:MATLAB/Simulink仿真显示跟踪时间<0.19s 。

四、性能对比:CSSA vs 传统MPPT算法

指标 P&O/INC CSSA 改进幅度
均匀光照效率 82.3–86.4% 96.4–97.3% ↑10–15%
局部阴影跟踪 失败率>60% 成功率>95% 振荡幅度↓70%
收敛时间 0.4–0.8s 0.12–0.19s ↓52–70%
动态响应 误判率>40% 场景切换无振荡 功率波动<1%
硬件成本 低(无需传感器) 中(需微处理器)


五、创新应用场景与前沿方向

  1. 局部阴影多峰值追踪
    CSSA全局搜索能力可在5次迭代内定位全局最大功率点(GMPP),功率捕获率>98% 。
    案例:改进CSA在动态阴影下效率达99% 。

  2. 光伏组件老化校准
    结合SSA校准单二极管模型参数,使老化后MPP估计误差从>8%降至<2% 。

  3. 光储联合系统优化
    ISSA-P&O混合控制使储能充放电效率提升12%,并在50ms内响应电网调度需求 。

  4. 多算法融合趋势

    • CSA-PID控制:PID补偿CSSA误差,稳态效率近100% 。
    • PSO-CSA混合:全局-局部搜索分层优化,阴影鲁棒性评级"卓越" 。

六、总结与展望

CSSA通过混沌初始化与混合策略,解决了光伏MPPT在局部阴影和环境突变下的核心痛点:

  • ✅ 全局最优性:Tent混沌+高斯变异避免局部最优,阴影场景成功率>95%。
  • ✅ 动态响应速度:收敛时间<0.2s,较传统算法提升50%以上。
  • ✅ 工程实用性:MATLAB/Simulink硬件在环验证,可集成至DSP控制器 。

未来方向

  1. 开发低计算量CSSA变种(如量子化CSSA),适配低成本光伏逆变器 ;
  2. 结合深度学习预测环境变化,实现预判式MPPT ;
  3. 拓展至微电网多目标优化(发电成本↓、储能寿命↑)。

📚2 运行结果

🎉3 参考文献 

文章中一些内容引自网络,会注明出处或引用为参考文献,难免有未尽之处,如有不妥,请随时联系删除。(文章内容仅供参考,具体效果以运行结果为准)

[1]聂晓华,王薇.混沌改进猫群算法及其在光伏MPPT中的应用[J].中国电机工程学报, 2016, 36(22):8.

[2]倪福银,李正明,潘天红.光伏微逆变器中Boost变换器的混沌现象分析与控制研究[J].电力系统保护与控制, 2015, 43(17):6.

[3]高相铭,杨世凤,潘三博.基于混沌量子蜂群优化SVR的多峰MPPT算法研究[J].电气传动, 2015, 45(12):6.

🌈Simulink仿真实现

资料获取,更多粉丝福利,MATLAB|Simulink|Python资源获取

                                                           在这里插入图片描述

Logo

AtomGit 是由开放原子开源基金会联合 CSDN 等生态伙伴共同推出的新一代开源与人工智能协作平台。平台坚持“开放、中立、公益”的理念,把代码托管、模型共享、数据集托管、智能体开发体验和算力服务整合在一起,为开发者提供从开发、训练到部署的一站式体验。

更多推荐