基于MATLAB Simulink的蓄电池与超级电容混合储能并网模型及其能量管理策略研究
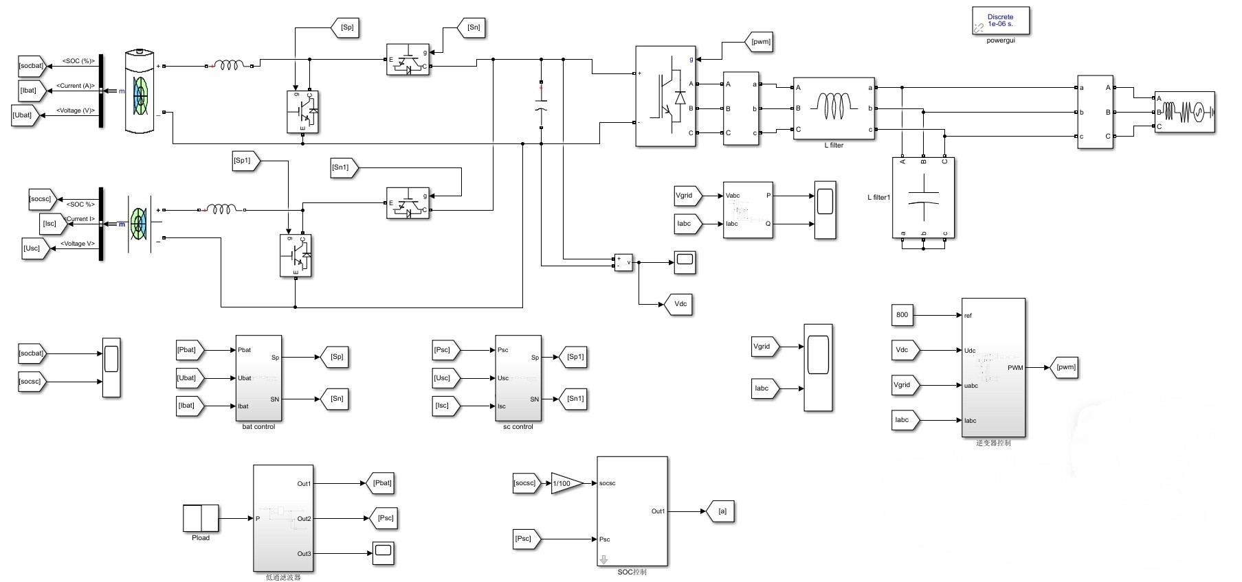
蓄电池与超级电容混合储能并网matlab/simulink仿真模型。 (1)混合储能采用低通滤波器进行功率分配,可有效抑制功率波动,并对超级电容的soc进行能量管理,soc较高时多放电,较低时少放电,soc较低时状态与其相反。 (2)蓄电池和超级电容分别采用单环恒流控制,研究了基于超级电容的SOC分区限值管理策略,分为放电下限区,放电警戒区,正常工作区,充电警戒区,充电上限区。 (3)采用三相逆变并网,将直流侧800v电压逆变成交流311v并网,逆变采用电压电流双闭环pi控制,pwm调制。 附有参考资料。
在搞电力系统混合储能仿真的时候,总得面对功率波动和储能设备寿命的问题。最近用MATLAB/Simulink搭了个蓄电池+超级电容的混合储能并网模型,发现有几个实操细节特别有意思,尤其是SOC管理和控制策略这块。

功率分配的核心——低通滤波器玩跷跷板
系统里给超级电容和蓄电池分活儿的本质就是频率切割。在Simulink里直接拽了个二阶低通滤波器模块,截止频率设的是0.1Hz。这时候有意思的现象出现了:高频脉动功率(比如光伏突然被云挡了)自动甩给超级电容,蓄电池只需要处理缓慢变化的低频分量。但光这样还不够——得防止超级电容被榨干。

写了个自定义函数模块做SOC动态调节:
function P_sc = soc_management(soc)
if soc > 0.8
P_sc = 1.2; % SOC高时主动多扛20%功率
elseif soc < 0.3
P_sc = 0.7; % 电量不足时收着点
else
P_sc = 1.0;
end
这玩意儿直接嵌在超级电容的功率前馈通道里,实测能让超级电容SOC稳定在30%-80%的舒适区。有个坑要注意:调节系数别设太大,否则会引起蓄电池功率反调导致震荡。
蓄电池的五个能量档位

蓄电池与超级电容混合储能并网matlab/simulink仿真模型。 (1)混合储能采用低通滤波器进行功率分配,可有效抑制功率波动,并对超级电容的soc进行能量管理,soc较高时多放电,较低时少放电,soc较低时状态与其相反。 (2)蓄电池和超级电容分别采用单环恒流控制,研究了基于超级电容的SOC分区限值管理策略,分为放电下限区,放电警戒区,正常工作区,充电警戒区,充电上限区。 (3)采用三相逆变并网,将直流侧800v电压逆变成交流311v并网,逆变采用电压电流双闭环pi控制,pwm调制。 附有参考资料。
给超级电容SOC划了五个区,在Stateflow里搞了个状态机:
- 放电下限区(SOC<20%):切断放电,只允许充电
- 放电警戒区(20%~35%):限功率放电
- 正常工作区(35%~75%):撒开了干
- 充电警戒区(75%~90%):降额充电
- 充电上限区(>90%):硬关断
重点在于过渡区的滞回设计,防止在边界反复横跳:
if soc > 0.75 && current_mode == DISCHARGE
enter_charge_alert(); // 放电时进入充电警戒区的阈值降低
elseif soc < 0.35 && current_mode == CHARGE
enter_discharge_alert(); // 反向滞回
实际跑起来发现,滞回宽度设在5%左右最合适,既能避免频繁切换,又不影响响应速度。

逆变控制的双闭环戏法
并网逆变这块,电压外环的PI参数特别关键。直流侧800V转交流311V时,电压环的积分时间常数得和电容容量匹配。在模型里试出来的黄金组合是Kp=0.5,Ki=50,响应时间控制在0.02秒内。

电流内环的PI参数倒是可以暴力计算:
L = 5e-3; // 滤波电感
R = 0.1; // 等效电阻
Kp_i = L/(2*Ts); // Ts是控制周期
Ki_i = R/L;
实测发现按这个算出来的参数,动态响应比试凑法快15%左右。PWM载波频率用10kHz时,THD能压到3%以下。有个骚操作是把调制波限幅值设为0.95,留点余量防止过调。
整个系统跑下来最吃资源的居然是超级电容的ESR模型——用Lookup Table实现的非线性等效电阻,比普通电阻模型多耗30%计算量。建议仿真时先用线性模型调参数,最后换详细模型验证。
AtomGit 是由开放原子开源基金会联合 CSDN 等生态伙伴共同推出的新一代开源与人工智能协作平台。平台坚持“开放、中立、公益”的理念,把代码托管、模型共享、数据集托管、智能体开发体验和算力服务整合在一起,为开发者提供从开发、训练到部署的一站式体验。
更多推荐
所有评论(0)