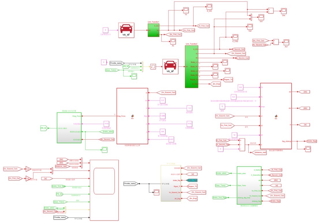
探索车辆紧急防避撞AEB控制的联合仿真控制模型
车辆紧急防避撞AEB控制该模型包括,基于Carsim及Matlab/simulink的联合仿真控制模型 (1)驾驶员制动模型来模拟制动过程; (2)实现以模糊控制实现期望减速度的计算, (3)纵向发动机逆动力学模型实时求解期望节气门开度, (4)驱动与制动的切换控制,以及制动压力与减速度之间的关系计算, (5)车辆动力学模型实现实际的风阻和滚动阻力的计算以及节气门开度计算等, 【资料】提供详细的建模过程,模型公式的耦合关系文档,帮你清晰的了解模型原理。

在汽车安全领域,车辆紧急防避撞(AEB)系统至关重要。今天咱们来深入探讨基于Carsim及Matlab/simulink的联合仿真控制模型,这可是AEB控制的核心部分。
驾驶员制动模型
驾驶员制动模型主要是模拟真实驾驶过程中的制动行为。想象一下,当驾驶员察觉到危险,脚踩刹车的那一刻,这个模型就是在模仿这个动作。在Matlab中,我们可以通过简单的函数来实现基础的制动模拟,例如:
function brake_force = driver_brake_model(speed, distance_to_obstacle)
% 这里是简单的逻辑,实际需要更复杂的参数和算法
if distance_to_obstacle < 10 && speed > 0
brake_force = 1000; % 假设的制动力,单位N
else
brake_force = 0;
end
end
这里的代码只是个简单示例,在实际场景中,需要考虑更多因素,比如驾驶员的反应时间、车辆的质量、路面摩擦力等。这段代码的核心逻辑是,当车辆与障碍物距离小于10米且车辆有速度时,施加1000N的制动力。
模糊控制实现期望减速度计算
模糊控制是个很有趣的部分,它模仿人类的模糊推理方式。在计算期望减速度时,我们要考虑诸如当前车速、与障碍物的距离等因素。下面是一个简单的模糊逻辑系统在Matlab中的构建思路:
% 创建模糊推理系统
a = newfis('deceleration_fis');
% 添加输入变量(车速和距离)
a = addvar(a, 'input','speed', [0 100]); % 车速范围0 - 100km/h
a = addvar(a, 'input', 'distance', [0 50]); % 距离范围0 - 50m
% 添加输出变量(期望减速度)
a = addvar(a, 'output', 'deceleration', [-10 0]); % 减速度范围 -10到0 m/s²
% 添加模糊集
a = addmf(a, 'input', 1,'slow', 'trimf', [0 0 30]);
a = addmf(a, 'input', 1,'medium', 'trimf', [20 50 80]);
a = addmf(a, 'input', 1, 'fast', 'trimf', [70 100 100]);
a = addmf(a, 'input', 2, 'near', 'trimf', [0 0 10]);
a = addmf(a, 'input', 2,'medium_distance', 'trimf', [5 20 35]);
a = addmf(a, 'input', 2, 'far', 'trimf', [30 50 50]);
a = addmf(a, 'output', 1,'small_deceleration', 'trimf', [-10 -5 0]);
a = addmf(a, 'output', 1,'medium_deceleration', 'trimf', [-8 -3 -1]);
a = addmf(a, 'output', 1, 'large_deceleration', 'trimf', [-10 -8 -6]);
% 添加模糊规则
rule1 = [1 1 3 1 1]; % 如果车速慢且距离近,期望大的减速度
rule2 = [2 2 2 1 1]; % 如果车速中等且距离中等,期望中等减速度
rule3 = [3 3 1 1 1]; % 如果车速快且距离远,期望小的减速度
a = addrule(a, [rule1; rule2; rule3]);
% 计算期望减速度
simulation_speed = 60; % 假设车速60km/h
simulation_distance = 25; % 假设距离25m
deceleration_result = evalfis([simulation_speed, simulation_distance], a);
这段代码创建了一个简单的模糊推理系统,输入车速和距离,输出期望减速度。我们定义了模糊集,比如车速的“慢”“中”“快”,距离的“近”“中距离”“远”,以及对应的期望减速度模糊集。通过添加模糊规则,让系统根据输入做出合理的输出。
纵向发动机逆动力学模型求解期望节气门开度
纵向发动机逆动力学模型用来实时求解期望节气门开度。发动机动力学比较复杂,简单来说,我们需要根据当前车辆的状态(如车速、期望加速度等)来计算合适的节气门开度。在Matlab中,我们可以这样写一个简化的函数:
function throttle = longitudinal_engine_inverse_dynamics(speed, desired_acceleration)
% 发动机相关参数,实际需要更精确的数据
mass = 1500; % 车辆质量,单位kg
drag_coefficient = 0.3;
frontal_area = 2;
air_density = 1.225;
% 计算风阻
wind_resistance = 0.5 * air_density * drag_coefficient * frontal_area * speed^2;
% 计算滚动阻力
rolling_resistance = 0.01 * mass * 9.81;
% 计算总阻力
total_resistance = wind_resistance + rolling_resistance;
% 根据牛顿第二定律计算所需驱动力
required_force = mass * desired_acceleration + total_resistance;
% 这里简化处理,根据发动机特性曲线关系计算节气门开度
throttle = required_force / 10000; % 简单比例关系,实际需复杂映射
end
这段代码先计算了车辆行驶过程中的风阻和滚动阻力,然后根据期望加速度计算出所需的驱动力,最后通过一个简化的关系计算出节气门开度。实际应用中,发动机特性曲线是很复杂的,需要更精确的映射关系。
驱动与制动的切换控制及制动压力与减速度关系计算
驱动与制动的切换控制是确保车辆安全行驶的关键环节。当不需要制动时,车辆处于驱动状态;而一旦检测到危险,就要迅速切换到制动状态。同时,制动压力与减速度之间存在一定的关系。在Matlab中,我们可以通过条件判断来实现简单的切换逻辑:
function [control_mode, brake_pressure] = drive_brake_switch(speed, distance_to_obstacle)
if distance_to_obstacle < 10 && speed > 0
control_mode = 'brake';
% 简单计算制动压力与减速度关系,假设减速度与制动压力成正比
brake_pressure = -speed * 0.1; % 比例系数需实际标定
else
control_mode = 'drive';
brake_pressure = 0;
end
end
这里代码判断车辆与障碍物距离和车速,如果距离过近且有速度,切换到制动模式,并根据车速简单计算制动压力。在实际中,制动压力与减速度关系要通过实验标定,且制动系统还有很多复杂的控制逻辑。
车辆动力学模型
车辆动力学模型负责计算实际的风阻、滚动阻力以及节气门开度等。上面在纵向发动机逆动力学模型计算阻力部分已经涉及到一些,这里更全面地看一下车辆动力学模型。在Carsim中,有非常详细的车辆动力学模型库,而在Matlab中我们也可以自己构建一些基础模型。例如:
function [wind_resistance, rolling_resistance, throttle] = vehicle_dynamics(speed, desired_acceleration)
mass = 1500;
drag_coefficient = 0.3;
frontal_area = 2;
air_density = 1.225;
rolling_coefficient = 0.01;
wind_resistance = 0.5 * air_density * drag_coefficient * frontal_area * speed^2;
rolling_resistance = rolling_coefficient * mass * 9.81;
% 类似纵向发动机逆动力学模型计算节气门开度
total_resistance = wind_resistance + rolling_resistance;
required_force = mass * desired_acceleration + total_resistance;
throttle = required_force / 10000;
end
这段代码计算了风阻和滚动阻力,并根据期望加速度计算节气门开度。结合Carsim中精确的车辆参数和动力学模型,可以实现更准确的车辆动力学模拟。

车辆紧急防避撞AEB控制该模型包括,基于Carsim及Matlab/simulink的联合仿真控制模型 (1)驾驶员制动模型来模拟制动过程; (2)实现以模糊控制实现期望减速度的计算, (3)纵向发动机逆动力学模型实时求解期望节气门开度, (4)驱动与制动的切换控制,以及制动压力与减速度之间的关系计算, (5)车辆动力学模型实现实际的风阻和滚动阻力的计算以及节气门开度计算等, 【资料】提供详细的建模过程,模型公式的耦合关系文档,帮你清晰的了解模型原理。

通过这些模型的构建和联合仿真,我们能够深入了解车辆紧急防避撞AEB控制的原理和实现方式。参考提供的建模过程和模型公式耦合关系文档,能更清晰地把握整个模型的运作机制,为进一步优化AEB系统提供有力支持。



AtomGit 是由开放原子开源基金会联合 CSDN 等生态伙伴共同推出的新一代开源与人工智能协作平台。平台坚持“开放、中立、公益”的理念,把代码托管、模型共享、数据集托管、智能体开发体验和算力服务整合在一起,为开发者提供从开发、训练到部署的一站式体验。
更多推荐


所有评论(0)