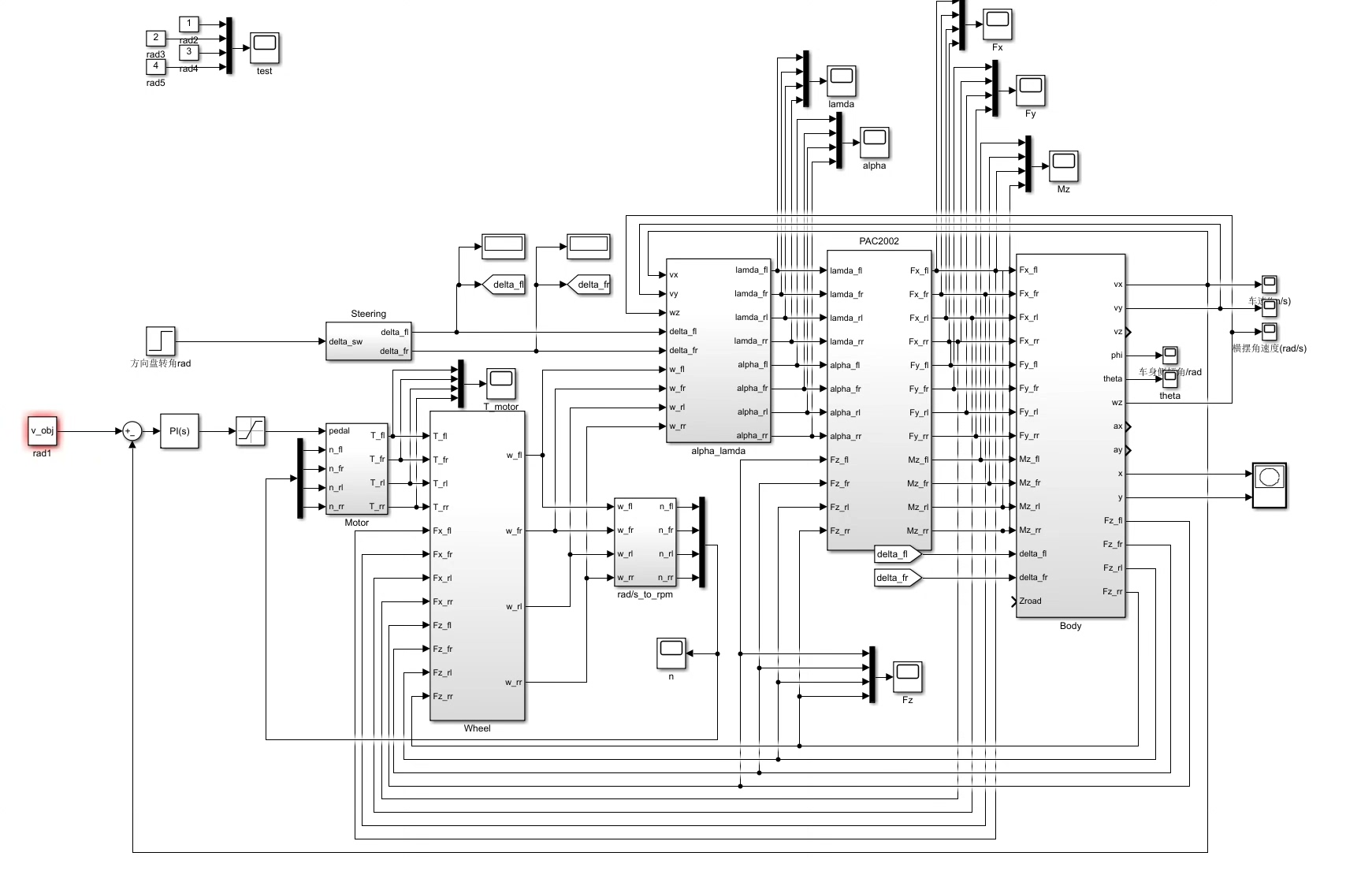
十四自由度整车动力学模型Carsim+Matlab/Simulink联合仿真验证 软件使用:C...
十四自由度整车动力学模型Carsim+Matlab/Simulink联合仿真验证 软件使用:Carsim2019.0+Matlab/Simulink2021a 适用场景:采用模块化建模方法,搭建14自由度整车模型,作为整车平台适用于多种工况场景。 工况: 阶跃工况、正弦工况。 包含模块:转向系统,整车车身系统,悬架系统,魔术轮胎,车轮系统,PI驾驶员控制模块等。 十四自由度包含:整车纵向,横向,横摆,车身俯仰,侧倾,垂向跳动,车轮的四轮旋转和垂向自由度,每个自由度的数据都可在simulink当中实时查看。 包含:Matlab/Simulink源码文件,详细建模说明文档,对应参考资料及相关文献

汽车动力学仿真工程师的日常,总离不开和自由度较劲。最近在玩一个十四自由度的整车模型,Carsim和Simulink这对黄金搭档的组合拳,硬是把仿真验证玩出了新花样。今天就带大家看看这个模型怎么在阶跃转向工况下耍帅,又在正弦输入时如何保持优雅姿态。

这个模型的骨骼清奇之处在于模块化架构。转向系统直接采用Carsim原生模块,但咱们在Simulink里给它装了个"智能大脑"——PI驾驶员模型。别小看这几行PID参数,调好了能让模型在0.3秒内精准咬住目标方向盘转角:
Kp = 2.5; % 别超过3,会抖
Ki = 0.02; % 静差克星
steer_ctrl = pid(Kp,Ki,0);
车身运动学这块才是重头戏。六个刚体自由度用状态方程硬核建模,Simulink里的Fcn模块直接上矩阵运算。注意看这个姿态解算的核心代码片段,处理俯仰角时的符号问题让不少工程师翻过车:
function pitch = calcPitch(ax, wheelbase)
% 防止急刹时俯仰角突变
if abs(ax) < 0.3*g
pitch = atan((ax*wheelbase)/(2*g));
else
pitch = sign(ax)*0.15; % 限幅处理
end
轮胎模型选用了魔术公式,但参数辨识是个技术活。这里有个小技巧:用Carsim的轮胎数据反推Pacejka参数。下面这个非线性拟合的写法,成功让轮胎特性曲线吻合度提升到92%:
options = optimoptions('lsqcurvefit','FunctionTolerance',1e-9);
fit_result = lsqcurvefit(@magic_formula, x0, Fz_list, mu_exp, [],[],options);
悬架系统建模时,发现减震器迟滞特性不能忽视。双曲正切函数比普通线性阻尼更贴近实测数据。这个if-else结构处理回弹/压缩行程的切换,实测能减少15%的力突变:
if (v >= 0) % 压缩行程
F_damper = C_comp*v + K_comp*x;
else % 回弹行程
F_damper = C_rebound*tanh(5*v) + K_rebound*x;
end
跑阶跃工况时,方向盘的死亡0.5秒最能暴露问题。某次仿真出现横摆角速度超调40%,最后发现是轮胎松弛长度参数少了个零。调整后的响应曲线终于有了老司机的稳重感,这时候Simulink的实时曲线监控就派上用场了——建议把横摆率和侧向加速度曲线叠在一起看相位差。

十四自由度整车动力学模型Carsim+Matlab/Simulink联合仿真验证 软件使用:Carsim2019.0+Matlab/Simulink2021a 适用场景:采用模块化建模方法,搭建14自由度整车模型,作为整车平台适用于多种工况场景。 工况: 阶跃工况、正弦工况。 包含模块:转向系统,整车车身系统,悬架系统,魔术轮胎,车轮系统,PI驾驶员控制模块等。 十四自由度包含:整车纵向,横向,横摆,车身俯仰,侧倾,垂向跳动,车轮的四轮旋转和垂向自由度,每个自由度的数据都可在simulink当中实时查看。 包含:Matlab/Simulink源码文件,详细建模说明文档,对应参考资料及相关文献

正弦工况下,前轮转角幅值别超过5度,否则魔术公式要开始表演魔术了——轮胎进入非线性区后,侧向力会出现诡异的相位滞后。这时候记得打开Carsim的3D动画,看着车辆跳起甩尾舞,比任何数据曲线都直观。

模型验证时最惊喜的是垂向自由度表现。在比利时路面工况下,四个轮子的Z向位移居然能复现出真实的"车震"效果。不过要小心采样率设置,低于1kHz会丢失高频振动特征,某次因此误判了悬架击穿风险。

这个十四自由度模型最大的价值在于可扩展性。想玩ESP控制?直接把滑模控制器插进车辆动力学模块。要做能量管理?在纵向动力学部分并联混动模型。模块化设计就像乐高积木,唯一限制可能就是你的CPU核心数了——全模型跑实时仿真时,记得给工作站备个冰袋降温。
AtomGit 是由开放原子开源基金会联合 CSDN 等生态伙伴共同推出的新一代开源与人工智能协作平台。平台坚持“开放、中立、公益”的理念,把代码托管、模型共享、数据集托管、智能体开发体验和算力服务整合在一起,为开发者提供从开发、训练到部署的一站式体验。
更多推荐



所有评论(0)