3D 打印机械臂、开源数码相机、废弃电子烟变乐器、N64跑开放世界|DF 创客周刊(第 166 期)
社区公众号记录每周值得分享的创客相关内容,每周五发布~
周刊首发于DF创客社区,欢迎投稿或推荐相关内容。
投稿邮箱:MakerCommunity@outlook.com
N64 跑出《上古卷轴》级别的开放世界
三十年前的游戏机,现在有人在上面跑出了可以媲美《上古卷轴》的开放世界地图规模——而且是真机运行,不是模拟器。

这个叫 Junkrunner 64 的项目由开发者 James Lambert 独立完成。N64 最大的硬件限制之一是 15-bit 的 Z-buffer,在大视距下会严重出现 Z-fighting(远处物体闪烁穿插)。他的解法是双 Pass 渲染:先关掉 Z-buffer 渲染远景,再开启 Z-buffer 渲染近景,远处物体用低 LoD 节省本就有限的 RAM。最终效果是视野内几乎看不到加载缝隙,在真实硬件上流畅运行。
整套代码已上传 GitHub,技术细节记录详尽。如果你对复古硬件极限挖潜感兴趣,这个项目值得深读。
来源:https://hackaday.com/2026/03/29/writing-an-open-world-engine-for-the-nintendo-64/
把废弃电子烟改成呼吸控制合成器
作者 Becky Stern 把用完的 Elf Bar 一次性电子烟拆了,把锂电池、USB 充电板和低压气压传感器留下来,配上一块 555 合成器电路和扬声器,做成了一个靠吹气控制音高的乐器。

音高由一组光敏电阻控制,用手遮挡不同的电阻改变阻值,音调就会变化;气压传感器感知吹气动作来触发发声。设计者把它定位成"可持续性、创意和技术教育"的结合体——说得直白一点,就是把电子垃圾玩出新花样。
这个项目最有意思的地方不是技术本身,而是思路:每年有几十亿支一次性电子烟被丢弃,里面的传感器和电池其实都还能用。对于喜欢从垃圾里找零件的人,这是个不错的思路来源。
来源:https://hackaday.com/2026/03/24/disposable-vape-becomes-breath-activated-synth/
SATURNIX:长得像《异形》道具的开源数码相机
作者 Yutani 对 80-90 年代工业设计有执念——那种厚重、有质感、像是特定任务专用设备的感觉。SATURNIX 就是这个审美的产物:外形参考了《异形》系列电影里的道具风格,快门用的是机械键盘轴,有那种真实按下去的手感。


硬件上用树莓派 Zero 2W 加 Arducam 16MP 传感器,配 2 英寸 LCD 取景器。亮点是内置的胶片模拟引擎,直接在机器上处理照片,支持 RAW+JPG 双格式输出,自带柯达金胶卷色彩配置文件,还有一套作者自己设计的动漫风格色彩预设。不连云端,本机处理。


目前项目在 Hackster 上有详细记录,开源文件也在整理中。如果你既想动手做相机,又对复古工业设计感兴趣,这个方向值得关注。
来源:https://www.hackster.io/Yutani140x/open-source-retro-futuristic-digital-camera-20671a
Moji 2.0:搭载 ESP32-C5 的开源桌面 AI 机器人
这是立创开源平台上的一款基于 ESP32-C5 的开源桌面 AI 机器人。C5 是乐鑫 2024 年推出的新芯片,支持 Wi-Fi 6 双频(2.4G+5G),相比之前的 S3 系列在网络性能上有明显提升。


机器人搭载 1.5 英寸视网膜屏,采用插件式屏幕设计,不需要焊接。配合小智 AI 固件,可以实现语音对话、情绪表情显示等功能,表情支持自定义。整个项目在立创开源上完整开源,有原理图和 BOM,理论上可以直接打板自制。
对于想折腾桌面 AI 小机器人的创客,这个方案目前在国内平台里硬件完整度算高的,ESP32-C5 的 Wi-Fi 6 支持也让它在网络稳定性上比老方案更可靠。
立创开源地址:https://oshwhub.com/movecall/moji2
为学习机器人控制而生的 3D 打印机械臂
"用来学习"的机械臂项目并不少见,但这个的完成度值得一提。关节运动流畅,控制架构设计得比较清晰:STM32 负责底层——编码器读取、PID 控制循环、电机步进生成、CAN 总线通信;树莓派在上层跑 ROS 2,处理运动规划和高层指令。

这种两层架构(实时控制 + 高层软件栈)是工业机器人的标准思路,放在教学项目里并不常见。好处是你在调试时可以独立验证每一层,而不是所有东西混在一个 MCU 里理不清楚。
代码完整开源,作者也在文章里详细解释了设计取舍。如果你想系统学习机器人控制而不只是拼出一个能动的臂,这是值得认真研究的参考设计。
来源:https://hackaday.com/2026/03/24/3d-printed-robot-arm-built-for-learning-purposes/
DIY 热声斯特林发动机:没有运动部件的热能转换
热声引擎的工作原理有点反直觉:把热量转化成高振幅的声波(压力波),然后用活塞和线性发电机从这些压力波中提取电能。整个过程没有旋转部件,只有气体在管道里振荡。

作者 My Engines 研究斯特林发动机多年,这次把他的热声版本完整开源,包括 3D 模型和工程图纸,放在了 Google Drive 上供人下载。他的版本可以用沼气(家用沼气池产生的甲烷)作燃料,配合线性发电机发电。
这个项目的门槛比看起来稍高——不是那种用易拉罐做的玩具斯特林机——但作者承诺还有更多视频帮助理解制作细节。对于对热力学和机械工程感兴趣的人,这是个比较少见的开源硬核项目。
来源:https://hackaday.com/2026/03/14/if-you-like-the-sound-of-a-thermoacoustic-stirling-engine-check-out-these-plans/
废木头发电和热水:一套离网生存方案
木材→生物炭→发电,这个链条不新鲜,但这个项目把整套系统都做出来了,而且细节处理得比较扎实。木材先进行真空炭化——在低压低氧环境下碳化,炭化周期可以缩短到 12 小时,排放比传统方式减少 75%,生物炭质量更高。

炭冷却后进入气化发电环节,产生大约一天用量的电力。发电的同时,炭化炉的废热被一套双层金属缸体加铜管沙封的结构收集起来用于制热水。整个系统用树木作燃料,算是相对碳中和的设计。
这个项目不太适合普通创客直接复刻,更多是一个思路参考——怎么把能量利用做得更完整。对于关注离网能源或可持续系统的人,值得看看细节。
来源:https://hackaday.com/2026/03/14/off-grid-electricity-and-hot-water-from-scrap-wood/
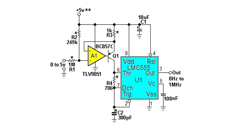
555 诞生 50 多年后,还能玩出新电路
NE555 定时器芯片已经 50 多岁了,现在还有人在它身上发现新的玩法。Stephen Woodward 设计了一款用 555 实现的 1 MHz 线性电压-频率(V/F)转换电路,并在 EDN 上发表。

常规 555 的充电电阻换成电流源,可以让锯齿波更线性;但 555 本身有开关延迟,在高频下会破坏线性度。Woodward 的做法是在放电脚和阈值脚之间加一个额外电阻,精确计算时间常数来补偿这个延迟,最终在 1 MHz 下实现真正线性的 V/F 输出。
电路简洁,思路清晰。对于喜欢模拟电路和老芯片挖潜的创客,这是一道值得拆解的好题目。
来源:https://hackaday.com/2026/04/01/a-novel-555-circuit-in-2026/
AtomGit 是由开放原子开源基金会联合 CSDN 等生态伙伴共同推出的新一代开源与人工智能协作平台。平台坚持“开放、中立、公益”的理念,把代码托管、模型共享、数据集托管、智能体开发体验和算力服务整合在一起,为开发者提供从开发、训练到部署的一站式体验。
更多推荐


所有评论(0)