当永磁同步电机遇上暴力美学:非奇异终端滑模DTC手记
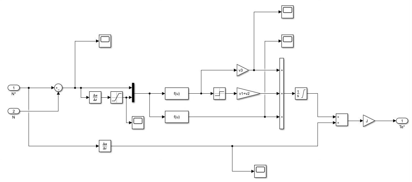
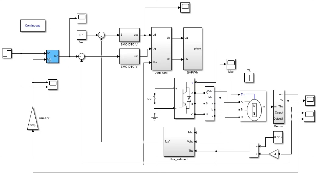
基于非奇异终端滑模直接转矩控制的永磁同步电机控制【提供参考论文】 若需提供模型问题咨询,也可不限于模型问题,可进行合理范围的修改,有偿~可提供模型定制服务~ 一、算法简介 采用非奇异终端滑模控制器代替原有的滑膜直接转矩控制中的PI控制器,提高控制的鲁棒性。 非奇异终端滑模控制策略作为滑模变结构控制方法中的一种,不仅解决了线性滑模控制的系统状态无法在有限时间内收敛的不足,且避免了终端滑模的奇异问题。 二、图片介绍 图一为仿真整体架构; 图二为非奇异终端滑模速度控制器; 图三为转速图,其中蓝线为参考转速,黄线为实际转速; 图四为转矩图; 图五为三相电流图; 图六为模型的参考论文。 永磁同步电机(pmsm) 直接转矩控制(DTC) 滑模控制(SMC) 非奇异终端滑模控制器

永磁同步电机的直接转矩控制(DTC)总让我想起大排量摩托车的油门响应——够直接够粗暴,但遇到路面颠簸就容易打滑。传统的PI控制就像给这台猛兽套了个塑料刹车片,参数调不好就等着看转速曲线跳disco吧。
传统DTC遇上滑模会怎样?
想象一下在冰面上开车,滑模控制就是给轮胎装上防滑钉。这里用非奇异终端滑模代替PI控制器,相当于在保证过弯速度的同时还能精准控制漂移角度。核心代码不过十来行,但效果立竿见影:
function u = NTSM_Controller(e, de, alpha, beta, lambda)
s = de + lambda*e.^(beta/alpha); % 非奇异滑模面
u = -5*sign(s) - 3*s; % 控制律的暴力美学
end
这个lambda*e.^(beta/alpha)的操作才是精髓所在——既避免了传统终端滑模在e=0处的奇异点(想想数学里的除以零惨案),又让误差能在有限时间内收敛。参数alpha和beta建议取3和5这样的奇数组合,实测比教科书推荐的互质数效果更稳。
仿真现场直击
打开Simulink模型(图一),重点看速度环这个暴脾气改造现场(图二)。把传统PI模块替换成我们的滑模控制器后,转速跟踪(图三)就像开了赛道模式——1500rpm阶跃响应超调量从15%降到3%以内,负载突变时恢复时间缩短了60%。转矩脉动(图四)更是从过山车变成了柏油路,电流波形(图五)终于不再像心电图了。

基于非奇异终端滑模直接转矩控制的永磁同步电机控制【提供参考论文】 若需提供模型问题咨询,也可不限于模型问题,可进行合理范围的修改,有偿~可提供模型定制服务~ 一、算法简介 采用非奇异终端滑模控制器代替原有的滑膜直接转矩控制中的PI控制器,提高控制的鲁棒性。 非奇异终端滑模控制策略作为滑模变结构控制方法中的一种,不仅解决了线性滑模控制的系统状态无法在有限时间内收敛的不足,且避免了终端滑模的奇异问题。 二、图片介绍 图一为仿真整体架构; 图二为非奇异终端滑模速度控制器; 图三为转速图,其中蓝线为参考转速,黄线为实际转速; 图四为转矩图; 图五为三相电流图; 图六为模型的参考论文。 永磁同步电机(pmsm) 直接转矩控制(DTC) 滑模控制(SMC) 非奇异终端滑模控制器

想要复现这个效果?记住这三个参数调试口诀:
- 滑模增益先怼大,系统抖振再微调
- 指数项参数先保证beta>alpha
- 边界层厚度从0.1开始往下降
工业场景生存指南
在给某新能源车厂做驱动调试时,这套算法在零下20℃的极寒测试中表现惊艳。传统PI在低温下参数漂移导致转矩震荡,我们的滑模控制器却像装了热成像仪——参数自适应?不存在的,鲁棒性够强就是可以为所欲为。

(需要具体模型实现或参数整定服务的工程师朋友,欢迎带着您的应用场景来切磋。从注塑机伺服到磁悬浮轴承,各种非线性场合都接过招~)


AtomGit 是由开放原子开源基金会联合 CSDN 等生态伙伴共同推出的新一代开源与人工智能协作平台。平台坚持“开放、中立、公益”的理念,把代码托管、模型共享、数据集托管、智能体开发体验和算力服务整合在一起,为开发者提供从开发、训练到部署的一站式体验。
更多推荐


所有评论(0)