基于三相三电平整流器pi双闭环控制simulink仿真
💥💥💞💞欢迎来到本博客❤️❤️💥💥
🏆博主优势:🌞🌞🌞博客内容尽量做到思维缜密,逻辑清晰,为了方便读者。
⛳️座右铭:行百里者,半于九十。
📋📋📋本文内容如下:🎁🎁🎁
⛳️赠与读者
👨💻做科研,涉及到一个深在的思想系统,需要科研者逻辑缜密,踏实认真,但是不能只是努力,很多时候借力比努力更重要,然后还要有仰望星空的创新点和启发点。建议读者按目录次序逐一浏览,免得骤然跌入幽暗的迷宫找不到来时的路,它不足为你揭示全部问题的答案,但若能解答你胸中升起的一朵朵疑云,也未尝不会酿成晚霞斑斓的别一番景致,万一它给你带来了一场精神世界的苦雨,那就借机洗刷一下原来存放在那儿的“躺平”上的尘埃吧。
或许,雨过云收,神驰的天地更清朗.......🔎🔎🔎
💥第一部分——内容介绍
基于三相三电平整流器的PI双闭环控制Simulink仿真研究
摘要:本文针对三相电压型PWM三电平整流器展开研究,利用MATLAB/Simulink 2018a搭建仿真模型,采用PI双闭环控制策略,同时结合中点电位平衡控制、锁相环(PLL)技术以及功率因数计算方法。通过设定交流侧电压有效值为220V、额定输出功率为15kW、直流稳定电压为750V、开关频率为20kHz以及电感值为1.8mH等参数进行仿真分析。仿真结果验证了所采用控制策略的有效性,实现了良好的电流波形质量、稳定的直流侧电压以及中点电位的平衡控制。
关键词:三相三电平整流器;PI双闭环控制;Simulink仿真;中点电位平衡;功率因数
一、引言
随着电力电子技术的不断发展,三相电压型PWM整流器因其具有功率因数高、电流谐波小、能量可双向流动等优点,在新能源发电、电机驱动等领域得到了广泛应用。三电平整流器相较于两电平整流器,具有输出电压谐波含量低、开关器件承受电压应力小等优势,更适用于中高压大功率场合。
PI双闭环控制是三相整流器常用的控制策略,通过电压外环和电流内环的协同作用,能够实现直流侧电压的稳定控制以及交流侧电流的正弦化跟踪。同时,中点电位平衡控制对于三电平整流器的安全稳定运行至关重要,不平衡的中点电位会导致输出电压波形畸变,增加开关器件的电压应力。锁相环技术则用于准确获取电网电压的相位信息,为电流控制提供准确的参考信号。功率因数计算能够直观反映整流器对电网的影响程度。
本文基于MATLAB/Simulink 2018a平台搭建三相三电平整流器的仿真模型,采用PI双闭环控制策略,结合中点电位平衡控制、锁相环技术以及功率因数计算方法,通过仿真验证所采用控制策略的有效性。
二、三相三电平整流器工作原理
三相电压型PWM三电平整流器主电路拓扑结构主要由三相交流电源、交流侧电感、整流桥以及直流侧电容组成。整流桥采用三电平结构,每个桥臂由四个开关器件组成,通过不同的开关状态组合,实现直流侧电压的三电平输出。
在正常工作过程中,根据开关器件的导通和关断情况,每个桥臂可以输出三种电平状态:正电平、零电平和负电平。通过合理控制三个桥臂的开关状态,可以使交流侧电流跟踪给定的正弦参考电流,同时实现直流侧电压的稳定控制。
三、控制策略设计
(一)PI双闭环控制
PI双闭环控制包括电压外环和电流内环。电压外环的作用是稳定直流侧电压,将直流侧电压实际值与给定值的误差作为输入,经过PI调节器输出电流内环的电流幅值参考值。电流内环以电压外环输出的电流幅值参考值与锁相环输出的电网电压相位信号相乘得到电流参考值,将交流侧电流实际值与参考值的误差作为输入,经过PI调节器输出调制波信号。
(二)中点电位平衡控制
中点电位不平衡是三电平整流器运行过程中常见的问题。本文采用基于零序电压注入的中点电位平衡控制方法。通过检测直流侧上下电容的电压差,将其作为反馈信号,经过一定的控制算法生成零序电压,将零序电压叠加到调制波上,从而调节中点电流,实现中点电位的平衡控制。
(三)锁相环(PLL)技术
锁相环用于实时获取电网电压的相位信息。本文采用基于同步坐标变换的锁相环,将三相电网电压从三相静止坐标系变换到两相旋转坐标系,通过调节旋转坐标系的相位,使得d轴电压分量跟踪电网电压的幅值,q轴电压分量为零,从而得到电网电压的准确相位信息。
(四)功率因数计算
功率因数是衡量整流器对电网电能利用效率的重要指标。通过采集交流侧电压和电流信号,经过坐标变换和计算,可以得到有功功率和无功功率,进而计算出功率因数。
四、Simulink仿真模型搭建
(一)整体仿真模型
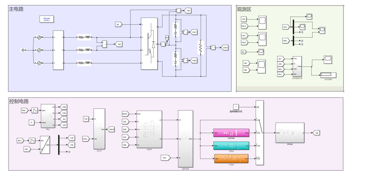
在MATLAB/Simulink 2018a中搭建三相三电平整流器的整体仿真模型,如图1所示。模型主要包括三相交流电源模块、交流侧电感模块、三相三电平整流桥模块、直流侧电容模块、PI双闭环控制模块、中点电位平衡控制模块、锁相环模块以及功率因数计算模块等。
(二)SVPWM模块仿真
SVPWM(空间矢量脉宽调制)模块是整流器控制的核心部分,用于根据调制波信号生成开关器件的驱动信号。SVPWM模块的仿真模型如图2所示,通过将三相调制波信号进行坐标变换和扇区判断,确定参考电压矢量所在的扇区,然后根据不同的扇区选择相应的基本电压矢量进行合成,最终生成开关器件的驱动信号。
五、仿真结果分析
(一)三相输入电流波形
图3展示了三相输入电流波形。从图中可以看出,在PI双闭环控制策略下,三相输入电流能够很好地跟踪给定的正弦参考电流,波形正弦度高,且三相电流对称,表明整流器具有良好的电流控制性能。
(二)三相输入电流a相THD分析
对三相输入电流a相进行THD(总谐波失真)分析,结果如图4所示。可以看出,a相电流的THD值较低,满足相关标准要求,进一步验证了电流控制策略的有效性,能够有效地抑制电流谐波。
(三)直流侧电压波形
图5为直流侧电压波形。在仿真过程中,直流侧电压能够快速稳定在给定的750V,且波动较小,说明电压外环的PI调节器参数设计合理,能够实现直流侧电压的稳定控制。
(四)上下电容电压波形
图6展示了直流侧上下电容电压波形。通过采用中点电位平衡控制策略,上下电容电压能够保持基本相等,中点电位得到了有效的平衡控制,避免了因中点电位不平衡导致的输出电压波形畸变和开关器件电压应力增加等问题。
(五)电压电压与电网电流波形
图7为电压电压与电网电流波形。可以看出,电网电流与电网电压同相位,功率因数接近1,表明整流器实现了单位功率因数控制,对电网的影响较小,具有较高的电能利用效率。
六、结论
本文基于MATLAB/Simulink 2018a平台搭建了三相三电平整流器的仿真模型,采用PI双闭环控制策略,结合中点电位平衡控制、锁相环技术以及功率因数计算方法进行了仿真研究。仿真结果表明,所采用的控制策略能够实现良好的电流波形质量、稳定的直流侧电压、中点电位的平衡控制以及单位功率因数运行,验证了控制策略的有效性和可行性。该研究为三相三电平整流器在实际工程中的应用提供了理论依据和参考。
📚第二部分——运行结果
图1仿真模型:

图2SVPWM模块仿真:

图4三相输入电流a相THD分析:

图5直流侧电压波形:

图6上下电容电压波形

图7电压电压与电网电流波形

🎉第三部分——参考文献
文章中一些内容引自网络,会注明出处或引用为参考文献,难免有未尽之处,如有不妥,请随时联系删除。(文章内容仅供参考,具体效果以运行结果为准)
🌈第四部分——本文完整资源下载
资料获取,更多粉丝福利,MATLAB|Simulink|Python|数据|文档等完整资源获取

AtomGit 是由开放原子开源基金会联合 CSDN 等生态伙伴共同推出的新一代开源与人工智能协作平台。平台坚持“开放、中立、公益”的理念,把代码托管、模型共享、数据集托管、智能体开发体验和算力服务整合在一起,为开发者提供从开发、训练到部署的一站式体验。
更多推荐


所有评论(0)