TTECTrA涡喷发动机闭环稳态分析工具箱:探索航空动力控制的利器
【TTECTrA 涡喷发动机闭环稳态分析工具箱】 Nasa的发动机控制计划设计平台 Matlab simulink 带 gui 环境变量:高度、马赫数、与标准大气的温度差、仿真总时间 设计点功能配置:燃油流量范围、慢车推力、起飞推力和设计点个数 设计点控制器配置:线性状态空间模型、反馈滤波器的带宽、预滤波器的带宽、控制器带宽、相角裕度、燃油作动筒的带宽等 瞬态限制器配置:最小HPC喘振裕度、最小LPC喘振裕度 预定义的加速控制计划 稳态与过渡态控制计划,推力直接控制

在航空发动机领域,精确的控制与性能分析至关重要。Nasa的发动机控制计划设计平台中的TTECTrA涡喷发动机闭环稳态分析工具箱,借助Matlab simulink并搭配GUI,为工程师们提供了一个强大的工具。今天咱们就来深入探究一下这个工具箱的奇妙之处。
环境变量设定
在使用这个工具箱时,首先要关注环境变量,它包含高度、马赫数、与标准大气的温度差以及仿真总时间。这些变量极大地影响着发动机的性能模拟。例如,高度的变化会改变大气压力与密度,进而影响发动机进气量与推力输出。在Matlab中,我们可以这样简单设定高度变量:
altitude = 10000; % 设定高度为10000米
这里设定高度为10000米,后续的模拟将基于这个高度的大气条件进行。马赫数则反映飞机飞行速度与当地音速的比值,不同马赫数下发动机的进气压缩过程、燃烧效率等都会不同。与标准大气的温度差也会影响空气的物理性质,从而影响发动机热力循环。仿真总时间决定了模拟过程的时长,合理设置时长能在保证结果准确性的同时,提高计算效率。
设计点功能配置
- 燃油流量范围:这是发动机运行的一个关键参数。合适的燃油流量范围确保发动机在不同工况下都能高效燃烧。假设我们在Matlab里定义燃油流量范围:
fuel_flow_min = 0.1; % 最小燃油流量
fuel_flow_max = 5; % 最大燃油流量
这里定义了最小燃油流量为0.1kg/s,最大为5kg/s,这个范围要根据发动机实际设计与运行需求来调整。
- 慢车推力与起飞推力:慢车推力维持发动机最低稳定运转,起飞推力则是飞机起飞阶段所需的强大动力。它们的设定直接关系到飞机在不同阶段的性能。
- 设计点个数:通过设置不同的设计点个数,可以在多个工况下对发动机进行细致分析。例如设置10个设计点,就可以研究发动机在10种不同运行条件下的表现。
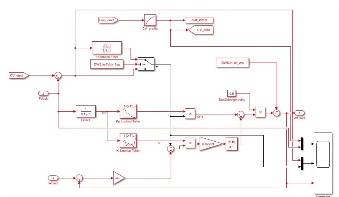
设计点控制器配置
- 线性状态空间模型:它是描述系统动态行为的一种有效方式。在发动机控制中,线性状态空间模型能帮助我们理解输入(如燃油流量)与输出(如推力、转速)之间的关系。以下是一个简单的线性状态空间模型示例:
A = [ -1 0.5; 0.1 -2 ]; % 状态矩阵
B = [ 1; 0 ]; % 输入矩阵
C = [ 0.5 0 ]; % 输出矩阵
D = 0; % 直接传输矩阵
sys = ss(A,B,C,D); % 创建线性状态空间模型
这里简单构建了一个二阶的线性状态空间模型,实际应用中会根据发动机复杂程度进行更精确的建模。
- 反馈滤波器与预滤波器带宽:反馈滤波器带宽决定了反馈信号中有效频率成分,预滤波器带宽则对输入信号进行预处理。合理设置这两个带宽,能优化控制器对信号的处理,提升控制效果。
- 控制器带宽与相角裕度:控制器带宽影响控制系统的响应速度,相角裕度则反映系统的稳定性。一般来说,相角裕度越大,系统越稳定,但响应速度可能会变慢,需要在两者之间找到平衡。
- 燃油作动筒的带宽:它关系到燃油流量调节的速度与精度,影响发动机对工况变化的响应及时性。
瞬态限制器配置
- 最小HPC喘振裕度:高压压气机(HPC)喘振是发动机运行中的严重问题,设定最小HPC喘振裕度能避免喘振发生,保证发动机安全稳定运行。
- 最小LPC喘振裕度:同理,低压压气机(LPC)喘振也需避免,最小LPC喘振裕度的设置是保障发动机稳定工作的重要环节。
控制计划
- 预定义的加速控制计划:它指导发动机在加速过程中的燃油供给、压气机调节等操作,确保发动机能快速且稳定地达到目标转速与推力。
- 稳态与过渡态控制计划,推力直接控制:稳态控制维持发动机在稳定工况下高效运行,过渡态控制则处理工况变化时的衔接,推力直接控制能让发动机根据需求精准输出推力。
TTECTrA涡喷发动机闭环稳态分析工具箱通过这些丰富的配置与控制计划,为涡喷发动机的性能研究与控制策略开发提供了全面而强大的支持。无论是航空发动机研发新手还是资深工程师,都能从中挖掘出巨大的价值,助力航空动力领域不断向前发展。

【TTECTrA 涡喷发动机闭环稳态分析工具箱】 Nasa的发动机控制计划设计平台 Matlab simulink 带 gui 环境变量:高度、马赫数、与标准大气的温度差、仿真总时间 设计点功能配置:燃油流量范围、慢车推力、起飞推力和设计点个数 设计点控制器配置:线性状态空间模型、反馈滤波器的带宽、预滤波器的带宽、控制器带宽、相角裕度、燃油作动筒的带宽等 瞬态限制器配置:最小HPC喘振裕度、最小LPC喘振裕度 预定义的加速控制计划 稳态与过渡态控制计划,推力直接控制


AtomGit 是由开放原子开源基金会联合 CSDN 等生态伙伴共同推出的新一代开源与人工智能协作平台。平台坚持“开放、中立、公益”的理念,把代码托管、模型共享、数据集托管、智能体开发体验和算力服务整合在一起,为开发者提供从开发、训练到部署的一站式体验。
更多推荐


所有评论(0)