自抗扰顺序模型预测PWM整流器控制的Matlab仿真之旅
自抗扰顺序模型预测PWM整流器控制 matlab仿真,算法用.m文件编写 配套论文及理论推导公式和参数
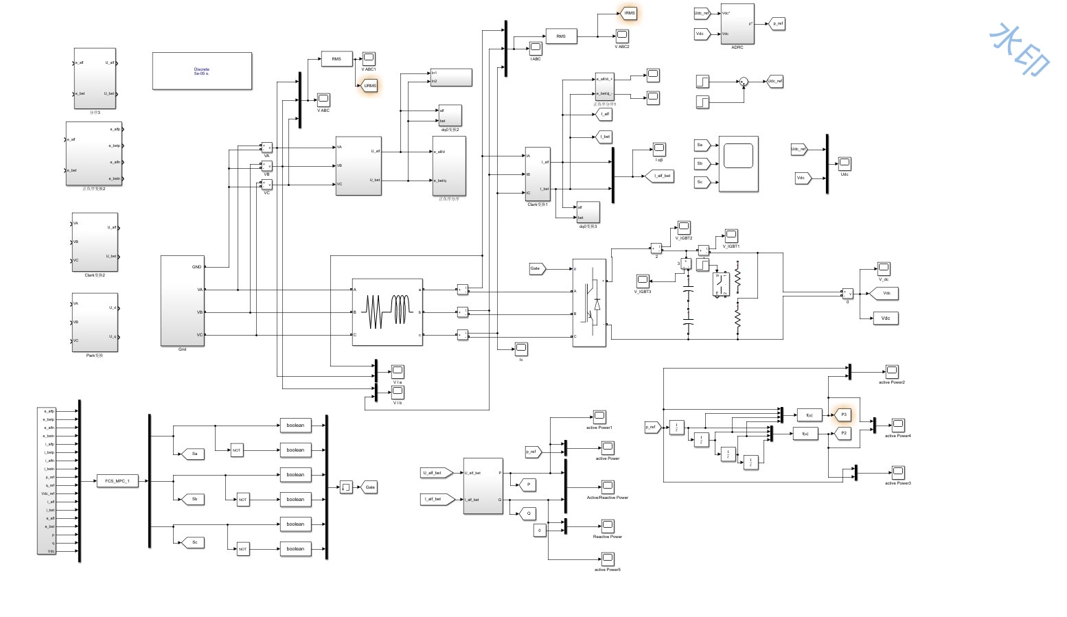
在电力电子领域,PWM整流器的控制一直是研究热点。今天咱就来唠唠自抗扰顺序模型预测(ADRC - SMPC)对PWM整流器控制的Matlab仿真实现,这其中算法是用.m文件编写的,还得结合配套论文及理论推导公式和参数。
理论基础
咱先从理论说起,PWM整流器要实现高性能的控制,得精确处理输入电流和直流侧电压等关键变量。自抗扰控制(ADRC)能对系统的不确定因素进行实时估计和补偿,顺序模型预测控制(SMPC)则能在考虑系统约束的情况下优化控制序列。两者结合,能让PWM整流器的控制性能更上一层楼。
这里面涉及不少理论推导公式,比如在建立PWM整流器的数学模型时,会有像这样描述三相电压型PWM整流器在两相静止坐标系下的方程:
\[

\begin{cases}
L\frac{di{\alpha}}{dt} = -R i{\alpha} + e{\alpha} - v{\alpha} \\
L\frac{di{\beta}}{dt} = -R i{\beta} + e{\beta} - v{\beta} \\
自抗扰顺序模型预测PWM整流器控制 matlab仿真,算法用.m文件编写 配套论文及理论推导公式和参数

C\frac{dv{dc}}{dt} = i{dc} - \frac{v{dc}}{R{L}}
\end{cases}
\]
这里\(L\)是滤波电感,\(R\)是等效电阻,\(e{\alpha}, e{\beta}\)是电网电压在\(\alpha, \beta\)轴分量,\(v{\alpha}, v{\beta}\)是整流器输出电压在\(\alpha, \beta\)轴分量,\(C\)是直流侧电容,\(v{dc}\)是直流侧电压,\(R{L}\)是负载电阻。这些公式是后续算法实现的基础。
Matlab算法实现 -.m文件编写
初始化参数
% 初始化参数
L = 0.01; % 滤波电感
R = 0.5; % 等效电阻
C = 0.001; % 直流侧电容
R_L = 100; % 负载电阻
e = [311*sin(2*pi*50*t); 311*sin(2*pi*50*t - 2*pi/3); 311*sin(2*pi*50*t + 2*pi/3)]; % 三相电网电压
这段代码很直观,就是给前面理论公式里涉及的参数赋值,像电感、电阻、电容等,同时定义了三相电网电压。
自抗扰控制器设计
% 自抗扰控制器 - 扩张状态观测器(ESO)
function [z, dz] = ESO(x, u, z, b0, beta01, beta02, beta03, w0)
e = z(1) - x(1);
dz(1) = z(2) - beta01*e + b0*u;
dz(2) = z(3) - beta02*fal(e, 0.5, 0.1);
dz(3) = -beta03*fal(e, 0.25, 0.1);
z = z + dz*dt;
end
这里定义了一个ESO函数,它的作用是估计系统的状态和扰动。e是观测误差,通过对误差的不同处理(像fal函数的使用),来更新状态变量z和它的导数dz。beta01, beta02, beta03是观测器参数,b0是控制增益,w0是带宽。
顺序模型预测控制部分
% 顺序模型预测控制
function [v_opt] = SMPC(x, e_ref, Q, R, N)
% 预测模型
A = [1 -dt/L 0; dt/C 1 -dt/(R_L*C); 0 0 1];
B = [dt/L 0; 0 dt/C; 0 0];
% 代价函数求解
H = 2*(B'*Q*B + R);
f = -2*(x'*Q*B - e_ref'*Q*B);
v_opt = -inv(H)*f';
end
在SMPC函数里,先定义了预测模型的状态空间矩阵A和输入矩阵B,这是基于前面的PWM整流器数学模型离散化得到的。然后通过构建代价函数,利用二次规划的方法求解出最优控制量v_opt。Q和R是权重矩阵,N是预测时域。
仿真运行与结果分析
在完成上述.m文件的编写后,将各个部分整合起来,设置好仿真参数,运行Matlab仿真。通过观察仿真结果,比如直流侧电压的波形、输入电流的谐波含量等,可以直观地看到自抗扰顺序模型预测控制策略对PWM整流器控制的效果。

如果直流侧电压能快速稳定在设定值附近,且波动较小,输入电流能很好地跟踪电网电压相位,谐波含量低,那就说明这个控制策略确实有效。要是结果不理想,就需要回过头去检查理论推导、参数设置以及代码实现是否有问题。
总之,通过Matlab仿真实现自抗扰顺序模型预测PWM整流器控制,能帮助我们深入理解和验证这一控制策略,对实际工程应用也有重要的指导意义。希望大家也能动手试试,说不定能发现更多有趣的东西。
AtomGit 是由开放原子开源基金会联合 CSDN 等生态伙伴共同推出的新一代开源与人工智能协作平台。平台坚持“开放、中立、公益”的理念,把代码托管、模型共享、数据集托管、智能体开发体验和算力服务整合在一起,为开发者提供从开发、训练到部署的一站式体验。
更多推荐


所有评论(0)