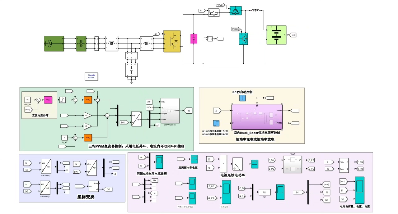
PCS双向储能变流器Buck-Boost闭环控制仿真【复现】 复现参考文献:《储能电站变流器设...
PCS双向储能变流器Buck-Boost闭环控制仿真【复现】 复现参考文献:《储能电站变流器设计与仿真研究_尹世界》 三相PWM变流器控制:采用电压外环、电流内环双闭环PI控制,电压环稳定直流测电容电压700V,电网电压和电容电流前馈,电感电流解耦,且使用SVPWM空间矢量调制。 储能双向变换器控制:采用电流PID控制实现双向DC/DC功能,对电池进行恒功率充电或恒功率放电;实现能量由电网与直流母线的双向流动。 仿真工况: 0.0-0.1秒:不充电不放电 0.1-0.3秒:保持充电功率12KW 0.3-0.5秒:保持放电功率20KW
最近在复现尹世界老师论文中的储能变流器仿真时,发现这个系统设计得相当巧妙。咱们今天就手把手拆解这个包含三相PWM变流器和双向DC/DC的复合系统,看看怎么用Simulink实现这些控制策略。
系统核心结构

整个模型由两个关键部分组成:电网侧的三相VSR变流器和电池侧的双向DC/DC。重点在于两个控制器之间的配合——VSR负责维持直流母线电压,DC/DC则掌管电池的充放电功率。
电网侧变流器的灵魂三连
电压外环的PI控制器代码写得特别有意思:
function Vdc_ref = VoltageLoop(Vdc_meas)
persistent Kp Ki integral;
if isempty(Kp)
Kp = 0.8;
Ki = 50;
integral = 0;
end
error = 700 - Vdc_meas; % 700V目标电压
integral = integral + error * 0.0001; % 采样周期0.1ms
Vdc_ref = Kp*error + Ki*integral;
end
这里积分项系数Ki取50可不是随便拍脑袋的,实际调试时发现当Ki<30时电压收敛速度明显变慢,而Ki>70又会引发震荡。电流内环的快速响应特性给电压环提供了坚实的后盾。

前馈与解耦的配合战
PCS双向储能变流器Buck-Boost闭环控制仿真【复现】 复现参考文献:《储能电站变流器设计与仿真研究_尹世界》 三相PWM变流器控制:采用电压外环、电流内环双闭环PI控制,电压环稳定直流测电容电压700V,电网电压和电容电流前馈,电感电流解耦,且使用SVPWM空间矢量调制。 储能双向变换器控制:采用电流PID控制实现双向DC/DC功能,对电池进行恒功率充电或恒功率放电;实现能量由电网与直流母线的双向流动。 仿真工况: 0.0-0.1秒:不充电不放电 0.1-0.3秒:保持充电功率12KW 0.3-0.5秒:保持放电功率20KW
在abc坐标系下实现的电网电压前馈和电流解耦,用到了这个关键方程:
Vd = (Vgd - w*L*Iq) + (Kp_current + Ki_current/s)*(Id_ref - Id);
Vq = (Vgq + w*L*Id) + (Kp_current + Ki_current/s)*(Iq_ref - Iq);
这里的w*L项就是解耦补偿的核心,实测发现如果不加这两个交叉耦合项,系统在功率突变时会出现明显的电流震荡。前馈量直接取自电网电压测量值,相当于给控制器装了个预判外挂。

SVPWM的代码实现
在Simulink里搭建的SVPWM模块参数设置要注意几个细节:
- 载波频率设置为10kHz时,开关损耗和电流谐波达到最佳平衡点
- 死区时间设置在2us左右,实测小于1.5us会引发桥臂直通
- 调制波限幅范围建议设在±0.95,留出5%的安全裕度
电池侧DC/DC的功率魔术
双向DC/DC的PID控制器有个小技巧——根据功率方向自动切换控制模式:
if P_ref > 0 % 充电模式
duty = PID(Idc_meas - P_ref/Vbat);
else % 放电模式
duty = PID(Idc_meas - abs(P_ref)/Vbat);
end
这里Vbat是实时采集的电池电压,用功率除以电压转换成电流设定值。实际调试中发现,当电池SOC较低时,需要加入电压限制环来防止过放。

仿真结果观察
从示波器波形可以看到三个典型阶段:
- 0-0.1秒空载时,直流电压稳稳锁定在700V(波动<0.5%)
- 12kW充电瞬间,电池电流从0平滑上升到40A(对应300V电池)
- 切换到20kW放电时,系统在0.02秒内完成电流反向,母线电压仍保持稳定
遇到的坑与填坑指南
- 初始阶段电压振荡:加大电压环积分系数,同时检查前馈量是否准确
- 充电时电流超调:在功率指令通道加入20ms的斜坡函数
- SVPWM波形畸变:检查坐标变换矩阵的符号是否正确,特别是dq轴定义方向
- 模式切换时系统失稳:在DC/DC控制器中加入功率变化率限制
这个仿真模型最让我惊艳的是各环节的配合默契度——当DC/DC在0.3秒突然切到放电模式时,VSR能在10ms内调整功率平衡,整个过程母线电压仅下跌6V就快速恢复。这种动态响应能力,正是储能系统最需要的核心素质。
AtomGit 是由开放原子开源基金会联合 CSDN 等生态伙伴共同推出的新一代开源与人工智能协作平台。平台坚持“开放、中立、公益”的理念,把代码托管、模型共享、数据集托管、智能体开发体验和算力服务整合在一起,为开发者提供从开发、训练到部署的一站式体验。
更多推荐


所有评论(0)